内燃机全流式机油滤清器耐高压差和耐高温特性试验程序:
1、耐高压差性能试验
注:试验应在未经使用的滤芯上进行。
1.1 按图 1 所示安装试验滤清器。
1.2 将清洁试验液按需要加入油箱 1 内,并让其只经旁通管在试验台内循环。在此阶段,试验液应不流经滤清器。
1)1mm²/s=1cSt。
2)适用的标准油包括美国的 RFO3 和英国的 M.I.R.A.2 号标准油。
1.3 接通加热器或冷却器,调节恒温器至所要求的温度,使温度逐渐稳定。
1.4 当油箱 1 内机油温度达到稳定时,使机油流入滤芯,并增加流量使滤芯压差达到 175kPa。然后继续增加流量,使压差以 25kPa 的增量递升,直至达到 350kPa 或按滤清器厂商与用户商定的其他数值为止。每档压差应保持 1min。
执行该程序时,应保持滤清器的流量不致超过额定值。如果用清洁试验液不能达到所要求的压差,可在试验液中添加一定量的杂质 3)使滤芯部分堵塞。
注:杂质数量应不致影响注芯强度。
1.5 在达到所要求的压差前,如果增加流量而压差不再升高,或发现压差突然降低,应终止试验。
试验完毕后,拆下外壳内的滤芯,沥干滤芯中的剩油,检查是否损坏。如无明显破裂,应按照 ISO 2942 的规定检验滤芯的完整性。
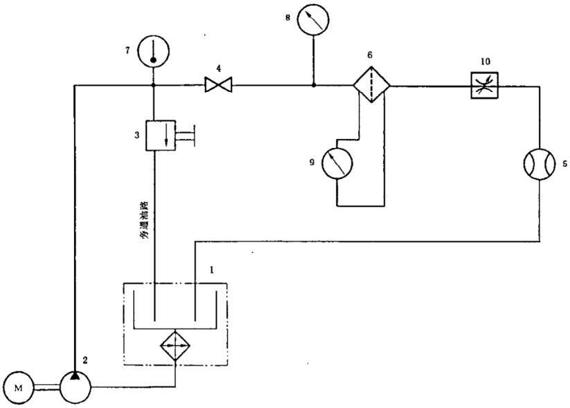
标号说明:

1——装有恒温控制式加热器和冷却器的油箱(最好隔热);2——电动泵;3——调节阀(调节压力用);
4——开关阀;5——流量计;6——试验滤清器;7——与温度指示仪连接的温度传感器;
8——测量滤清器进油压力的压力表;9——测量滤清器压差的压差计或两只单独的压力表;10——调节阀(调节流量用)。
图 1 试验台总体布置图
2、耐高温性能试验
2.1 沥干先前试验中残留在滤清器总成内的剩油。
2.2 把滤清器总成全部浸泡在试验油的容器内,防止气泡滞留其中。
2.3 将容器放入恒温控制的烘箱内,保持机油温度为 135℃±2℃,除非滤清器厂商与用户另有商定。然后保温 96h。
2.4 取出烘箱内的容器,待其冷却到 40℃ 以下。
2.5 沥干滤清器内的机油,但不要拆开滤清器。
2.6 重复进行 2.2〜2.5 所述的试验。
注:如滤清器厂商与用户同意,可将热油浸泡时间延长至 192h 以上。
2.7 对滤清器总成按 1.1~1.5 所规定的程序进行试验。