冷凝器 condenser,对空气压缩机供给的热空气进行冷却、油水分离,排除水和油的一种装置。
汽车气压制动系统用冷凝器性能的试验按如下要求及方法进行。
1、密封性试验
1.1 气控冷凝器
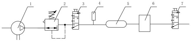
1.1.1 密封性试验装置示意图见图 1。

标引序号说明:
1——气源;2——调压阀;3、7——控制阀;4——压力传感器;5——储气筒(1L);6——试验样品。
图 1 气控冷凝器密封性试验装置示意图
1.1.2 将控制阀 7 置于截断位置,控制阀 3 置于接通位置,打开气源,调节调压阀 2,向样品进气口充入压缩空气至 PE+500kPa,然后将控制阀 3 置于截断位置,稳定 1min 后,记录此后 5min 内压力传感器 4 的压力降。
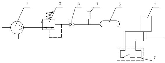
1.2 电控冷凝器
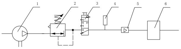
1.2.1 密封性试验装置示意图见图 2。

标引序号说明:
1——气源;2——调压阀;3、7——控制阀;4——压力传感器;
5——储气筒(1L);6——试验样品;8——电源。
图 2 电控冷凝器密封性试验装置示意图
1.2.2 将电源 8 处于断开状态。
1.2.3 控制阀 7 置于截断位置,控制阀 3 置于接通位置,打开气源,调节调压阀 2,向样品进气口充入压缩空气至 PE+500kPa,然后将控制阀 3 置于截断位置,稳定 1min 后,记录此后 5min 内压力传感器 4 的压力降。
1.2.4 接通电源 8,将电压调节到 Unom±0.1V,按 1.2.3 进行试验。
2、低温性能
2.1 气控冷凝器
2.1.1 低温性能试验装置示意图见图 1。
2.1.2 将试验样品放入温度为 -40℃±2℃ 的高低温试验箱中。
2.1.3 将控制阀7置于截断位置,控制阀 3 置于接通位置,打开气源 1,调节调压阀 2,向试验样品进气口充气至 PE+500kPa,保持压力存放 24h。
2.1.4 仍在 -40℃±2℃ 的环境温度下,将控制阀 3 置于截断位置,稳定 1min 后,记录此后 5min 内压力传感器 4 的压力降。
2.2 电控冷凝器
2.2.1 低温性能试验装置示意图见图 2。
2.2.2 将试验样品放入温度为 -40℃±2℃ 的高低温试验箱中。
2.2.3 将控制阀7置于截断位置,控制阀 3 置于接通位置,打开气源 1,调节调压阀 2,在断电状态下向样品进气口充气至 PE+500kPa,保持压力存放 24h。
2.2.4 仍在 -40℃±2℃ 的环境温度下,将控制阀 3 置于截断位置,稳定 1min 后,记录此后 5min 内压力传感器 4 的压力降。
2.2.5 接通电源 8,将电压调节到 Unom±0.1V,按 2.2.4 进行试验。
3、高温性能
在环境温度为 80℃±2℃ 下按 2 进行试验。
4、流量
4.1 试验装置示意图见图 3。

标引序号说明:
1——气源;2——调压阀;3——控制阀;4——压力传感器;5——流量计;6——试验样品。
图 3 流量试验装置示意图
4.2 控制阀 3 保持接通状态、冷凝器出气口通大气,调节调压阀 2,向进气口输入(140±10)kPa 的压缩空气,记录此时流量计 5 的流量值。
5、压力差
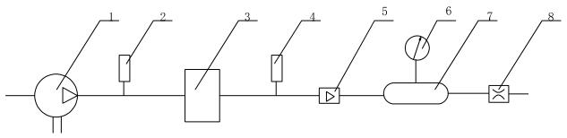
5.1 试验装置示意图见图 4。

标引序号说明:
1——气源;2——调压阀;3——控制阀;4、7——压力传感器;
5——流量计;6——试验样品;8——节流阀。
图 4 进出气口压差试验装置示意图
5.2 控制阀 3 保持接通状态,调节调压阀 2 和节流阀 8,在冷凝器进气口流量为(140±10)L/min 和出气口压力为(830±10)kPa 情况下,测量并记录进气口压力传感器 4 和出气口压力传感器 7 的压力值,并计算压力差。
5.3 在进气口流量分别为(280±10)L/min 和(420±10)L/min 情况下,重复 5.2。
6、温度降
6.1 温度降试验装置示意图见图 5。

标引序号说明:
1——气源;2、4——温度传感器;3——试验样品;5——流量计;
6——精密压力表;7——储气筒(60L);8——节流阀。
图 5 温度降试验装置示意图
6.2 在 20℃±5℃ 的环境温度下,通过控制气源 1 及节流阀 8 使试验样品进气口压缩空气温度达到 80℃±2℃,气压达到 1000+300kPa,气体流量在 450L/min以上,在此状态下保持 10min,测量并记录试验样品进气口温度传感器 2、出气口温度传感器 4 的温度值。并计算温度下降值。
7、分离效率
7.1 气控冷凝器
7.1.1 试验装置示意图见图 6。
7.1.2 测试前对油污器 3 进行称重,并记录数据 M0,精确至 1g。将 500g 符合 GB 11122 要求的 CH-410W-40 柴油机油倒入油污器 3,对注油后的油污器 3 称重,记录数据 M1。
7.1.3 将试验样品和相关测量装置、管路按图 6 所示连接,对油污器与试验样品间的管道称重,并记录数据 G1。
7.1.4 在 20℃±5℃ 的环境温度下,按下列条件进行试验:
a)进气温度为 80℃±5℃;
b)进气相对湿度为 50%±10%;
c)进气口气压为 PE+500kPa;
d)进气口流量为(140±10)L/min;
e)冷凝器按充气 20s、排气 10s 的模式循环工作。
运行 5min 后,打开油污器阀门,使油液按(20~30)g/h 的喷油量流入试验管路,运行 12h。
7.1.5 拆卸装备后,重新对油污器与试验样品间的管道称重,并记录数据 G2。
7.1.6 按公式(1)计算分离效率。

式中:
η——分离效率,单位为百分数(%);
M0——测试前油污器质量的数值,单位为克(g);
M1——测试前加入油和油雾器的质量的数值,单位为克(g);
M2——试验样品排气口处收集的排液量的数值,单位为克(g);
G1——测试前油污器与试验样品间管道的数值,单位为克(g);
G2——测试后油污器与试验样品间管道的数值,单位为克(g)。

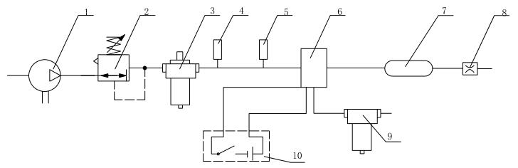
标引序号说明:
1——气源;2——调压阀;3——油污器;4——温度传感器;5——压力传感器;
6——试验样品;7——控制阀;8——储气筒(1L);9——节流阀;10——收集器。
图 6 气控冷凝器分离效率试验装置示意图
7.2 电控冷凝器
7.2.1 试验装置示意图见图 7,安装前对油污器 3 称重,精确至 1g,记录值为 M0,并对油污器、收集器间的管道及样品称总重,记录数据 G1。

标引序号说明:
1——气源;2——调压阀;3——油污器;4——温度传感器;5——压力传感器;
6——试验样品;7——储气筒(1L);8——节流阀;9——收集器;10——电源。
图 7 电控冷凝器分离效率试验装置示意图
7.2.2 按 7.1.2~7.1.3 进行称重并连接管路。
7.2.3 接通电源 10,使电控冷凝器按通电 5s,断电 25s 进行动作,其余按 7.1.4~7.1.6 进行试验。
8、工作耐久性
8.1 气控冷凝器
8.1.1 工作耐久性试验装置示意图见图 8。

标引序号说明:
1——气源;2——调压阀;3——截止阀;4——压力传感器;
5——储气筒(30L);6——控制阀;7——试验样品。
图 8 气控冷凝器耐久性试验装置示意图
8.1.2 试验样品应按实车安装状态安装在试验台上,按图 9 和表 1 规定的试验顺序和试验条件进行试验,试验结束后按 1.1、7.1 进行试验。

图 9 气控冷凝器试验频率
表 1 耐久性试验顺序及试验条件

8.2 电控冷凝器
8.2.1 工作耐久性试验装置示意图见图 10。

标引序号说明:
1——气源;2——调压阀;3——截止阀;4——压力传感器;
5——储气筒(30L);6——试验样品;7——电源。
图 10 电控冷凝器耐久性试验装置示意图
8.2.2 试验样品应按照实车安装状态安装在试验台上,按图 11 和表 2 规定的试验顺序和试验条件进行试验,试验结束后按 1.2、7.2 进行试验。

图 11 电控冷凝器试验频率
9、耐压性
警告:本项试验存在潜在危险,试验时应采取防范措施,以避免在试验样品失效时由于内部高压造成操作人员受伤。
9.1 封堵试验样品出气口后放入防护室,从试验样品进气口通入最大工作压力 1.5 倍的液体(或气体)并保持 20s,然后卸压。
9.2 试验结束后检查试验样品各零件有无损坏或变形。
10、耐振动性
10.1 按实车安装状态将试验样品安装在振动试验台上,封堵出气口,在振动加速度为 44m/s²、振动频率为 33.3Hz 的条件下垂直振动 1×107 次,同时试验样品以充气 3s、排气 3s 进行循环工作,充气气压为 PE+500kPa。
10.2 试验结束后,按 1 进行试验。
10.3 拆检试验后样品,检查并记录各零部件变形及损坏情况。
11、耐腐蚀性
封堵试验样品进气口和出气口,然后将试验样品按允许的最不利的实车安装状态放入盐雾试验箱内,按 GB/T 10125-2012 中的中性盐雾试验方法进行连续喷雾 96h。试验结束后,将样品从盐雾试验箱内取出,用不高于40℃的清洁流水轻轻清洗,除去样品表面盐沉积物,然后在 2min 内用空气吹干,检查并记录样品表面的腐蚀性情况,按 1 进行试验。