汽车液压比例阀是指各类汽车使用的液压定值比例阀、液压惯性比例阀和液压感载比例阀。今天我们来学习汽车液压比例阀常温/低温/高温工作特性试验方法的内容。
1、常温工作特性
1.1 常温缓加压特性
1.1.1 样件安装状态如下:
a)液压定值比例阀为实车安装状态;
b)当进行工作状态特性试验时,液压惯性比例阀样件内的惯性球应处于工作状态;当进行非工作状态特性试验时,液压惯性比例阀样件内的惯性球应处于非工作状态;
c)液压感载比例阀为空载和满载两种状态。

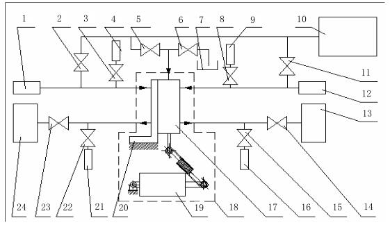
说明:
1——测量容积调节装置;2、4、7、8——截止阀;3、9——压力测量装置(压力传感器或压力表);
5——压力源;6——负载装置;10——高、低温试验箱;11——试验样件;12——试验样件夹具;
13——试验样件工作状态驱动装置。
图 1 液压惯性比例阀液压密封性、工作特性测试原理图
1.1.2 样件与试验装置的连接参见图 1 或图 2。
1.1.3 排净液压管路和样件内的空气,使液压回路内充满制动液。
1.1.4 试验环境温度为室温。试验前,样件在试验环境温度下的放置时间不应少于 6h。
1.1.5 以 3.43MPa/s±0.49MPa/s 的升压速率使样件进液口输入压力达到 103%Pe,保压 3s,然后不受阻碍地快速卸压至 0.01MPa 以下。记录样件在升压阶段各进液口输入压力与对应出液口输出压力的关系曲线,即输入-输出特性曲线;记录快速卸压 0.5s 后各出液口的压力值(液压惯性比例阀除外);对一个进液口有两个出液口的样件,还应记录进液口输入压力为 Pe 时,两出液口的输出压力差。
1.1.6 根据输入-输出特性曲线计算样件的比例拐点和分配比。
1.1.7 对具有前腔失效保护功能的液压感载比例阀,还应按以下步骤进行试验:
a)使样件前腔进液口输入压力为零;
b)以 3.43MPa/s±0.49MPa/s 的升压速率使样件后腔进液口输入压力达到 103%Pe,记录后腔进液口输入压力为 Pe 时,后腔进液口与出液口的压力差。
1.1.8 对液压惯性比例阀,还应按以下步骤进行试验:
a)单向阀性能:使样件处于非工作状态,然后以 3.43MPa/s±0.49MPa/s 的升压速率对样件进液口加压,记录当样件控制腔压力开始升高时,进液口的输入压力。
b)惯性球就位性能:使样件处于非工作状态,松开样件控制腔的放气螺钉,以进液口升压速率达到 14.7MPa/s±2.1MPa/s 所对应的制动液流量向样件的进液口充入制动液,10s~15s 后关闭样件控制腔的放气螺钉;然后以 14.7MPa/s±2.1MPa/s 的升压速率使样件进液口输入压力达到 103%Pe。记录当样件进液口压力为 Pe 时,进液口与出液口的压力差。
c)惯性球离位性能:使样件处于工作状态,以 14.7MPa/s±2.1MPa/s 的升压速率使样件进液口输入压力达到 Pe,保压 3s 后解除输入压力;然后在 30s 内完成下面的操作。
1)使样件在 5s~8s 内匀速地从工作状态转变成非工作状态;
2)以 14.7MPa/s±2.1MPa/s 的升压速率使样件进液口输入压力达到 103%Pe;
3)记录当样件进液口压力为 Pe 时,进液口与出液口的压力差。

说明:
1、12——测量容积调节装置;2、3、5、6、8、11、14、15、22、23——截止阀;
4、9、16、21——压力测量装置(压力传感器或压力表);7——油箱;10——压力源;
13、24——负载装置;17——试验样件;18——高、低温试验箱;
19——试验样件工作状态驱动装置;20——试验样件夹具。
图 2 液压定值比例阀和液压感载比例阀液压密封性、工作特性测试原理图
1.2 常温急加压特性
除升压速率为 39.2MPa/s±4.9MPa/s 外,其余同 1.1.1~1.1.7。计算各比例拐点测量值与常温缓加压对应比例拐点测量值的变化率。
2、低温工作特性
2.1 低温缓加压特性
除试验环境温度为 -40℃±2℃ 外,其余同 1.1.1~1.1.7。计算各比例拐点测量值与常温缓加压对应比例拐点测量值的变化率。
2.2 低温急加压特性
除试验环境温度为 -40℃±2℃ 外,其余同 1.2。计算各比例拐点测量值与常温缓加压对应比例拐点测量值的变化率。
3、高温工作特性
3.1 高温缓加压特性
除试验环境温度应符合表 1 规定外,其余同 1.1.1~1.1.7。计算各比例拐点测量值与常温缓加压对应比例拐点测量值的变化率。
3.2 高温急加压特性
除升压速率为 39.2MPa/s±4.9MPa/s 外,其余同 3.1。计算各比例拐点测量值与常温缓加压对应比例拐点测量值的变化率。
表 1 高温工作特性和高温耐久性的试验环境温度
| 产品在汽车上的安装位置 | 试验环境温度a ℃ |
| 在发动机仓外 | 80±2 |
| 在发动机仓内,但离发动机较远 | 100±2 |
| 在发动机仓内,但离发动机较近 | 120±2 |
a 试验环境温度应根据产品在汽车上的安装位置从表中选择一种。 | |
以上就是今天的分享!如果您对用于上述试验的汽车液压比例阀工作特性试验装置感兴趣,欢迎与我们联系!
