辅助真空泵 assist vacuum pump,是一种为汽车制动系统中的真空助力伺服装置提供补充真空源,且由电机驱动的真空发生装置。今天我们来学习关于辅助真空泵耐久性能试验方法的内容。

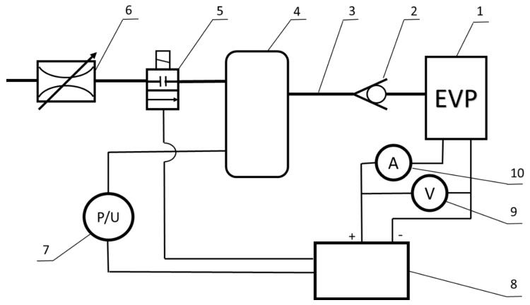
1——辅助真空泵;2——单向阀;3——真空管;4——真空灌;5——两位两通电磁阀;
6——节流阀;7——真空传感器;8——控制装置;9——电压表;10——电流测量装置
图 1 基本性能试验装置示意图
辅助真空泵的耐久性能项目包括:工作耐久性、振动耐久性及机械振动冲击性,对应的试验要求及方法如下:
1、工作耐久性
1.1 试验条件
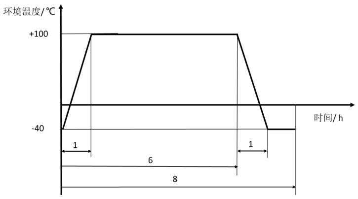
工作耐久性试验包括次高温耐久性、高温耐久性和常温耐久性,一个试验循环的试验顺序和试验条件见表 1 和图 2。辅助真空泵的启动温度为泵体外表面的最高温度,试验中的升温过程由辅助真空泵的本身工作实现,试验次数包括升/降温过程中样件的工作次数。
表 1 工作耐久性一个循环试验顺序和试验条件
| 试验项目 | 启动温度 ℃ | 启动真空压力 kPa | 停止真空压力 kPa | 试验周期 s | 试验次数(次) |
| 次高温耐久性 | 60±5 | 50±5 | 30±5 | 25 | 4800 |
| 高温耐久性 | 100±5 | 14 | 1200 | ||
| 常温耐久性 | 30±2 | 100 | 200 |

图 2 工作耐久性试验循环示意图
1.2 试验方法
1.3 被试样件按实车状态安装在耐久试验设备上,相关管路、电路连接见图 1。
1.4 启动真空泵,按图 2 规定的试验循环及表 1 规定的试验条件进行耐久性试验,共进行 49 个循环。
1.5 试验结束后,按要求进行常温性能试验;必要时解体样件,记录样件损坏情况。
2、振动耐久性
2.1 将被试样件通过固定支架按实车安装状态安装到振动试验台上。
2.2 启动低温试验箱,待环境温度达到 -40℃±2℃ 后 1h,启动振动试验台,按表 2、表 3 和图 3 规定的试验条件进行振动试验,电机的端电压为工作电压。
表 2 振动耐久性试验条件
| 振动类型 | 振动方向 | 振动时间 h | 振动频率范围 Hz |
| 宽频带振动 | 上下 | 8 | 10~1000 |
| 前后 | 8 | ||
| 左右 | 8 |
表 3 振动频谱密度
| 频率 Hz | 能谱密度(m/s²)²/Hz |
| 10 | 5.0 |
| 50 | 5.0 |
| 66.7 | 0.5 |
| 100 | 0.5 |
| 1000 | 0.05 |

图 3 振动耐久性试验温度-时间关系
2.3 试验结束后,按要求进行常温性能测试;必要时解体样件,记录样件状态。
3、机械振动冲击性
3.1 将被试样件通过固定支架按实车安装状态安装到试验台上,并连接相关管路和电路。
3.2 按表 4 规定的试验条件进行上下、左右、前后方向各 40 次半正弦波的机械冲击振动试验。
表 4 机械振动冲击试验条件
| 冲击振动方向 | 振动加速度(峰值)m/s² | 持续时间ms |
| 上下 | 137.34 | 10 |
| 前后 | 137.34 | 10 |
| 左右 | 68.67 | 10 |
3.3 试验结束后,按要求进行常温性能测试;必要时解体样件,记录样件状况。