今天给大家带来的分享是关于低温容器用阀门(以下简称"阀门")密封性试验的推荐方法的内容。
方法适用于额定温度不高于 -40℃ 的低温阀门,包括公称尺寸不大于 DN200 的真空夹套低温阀门。其他低温阀门可参照使用。
低温阀门密封性试验的推荐方法
1、试验设置
试验阀安装在管路中,用氦气加压至 PR,同时将阀体保持在试验温度。除采用将阀体浸入低温介质中来实现阀体的冷却的方式外,其他试验方式下均应安装温度传感器以测量阀体温度。
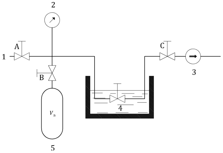
将氦气的供应、压力表和已知封闭容积的容器连接到试验阀的入口侧,测量气体流量的装置连接到出口(见图 1)。也可通过测量压力增加的方法替代气体流量的测量。如果试验阀用于双向操作,则应通过将设备从一端切换到另一端在两个方向上进行试验。
2、内部密封性
保持气体流量测量装置的截止阀 C 打开,并且以不超过 2.1 中定义的最大扭矩将试验阀关闭,然后以四分之一的 PR 为单位逐级施加氦气压力,直至 PR。测量每个升压步骤后流量计处的泄漏率或阀 4 和 C 之间的压力增加(见图 1)。对于用于双向操作的阀门,应从第二个方向施加的压力并重复试验。
2.1 扭矩
在手轮或杠杆边缘施加扭矩时,在工作条件下手动操作阀门的最大扭矩不应超过 350×R N·m,当阀门开启和关闭时,不应超过 500×R N·m。对于手轮,R 是手轮的半径,以米为单位。对于手柄,R 是手柄的长度减去 0. 05,以米为单位。
阀门必须足够坚固,可以承受 1000×R N·m 或相当于上述规定的线性力而不会损坏。如果存在限制扭矩或行程的装置,则允许较低的扭矩值。
阀门使用偏离上述规定的扭矩或作用力的执行器操作时,应使用该执行器进行试验。
3、外部密封性
应将处于打开位置的阀门放置在一个密封试验仓中,其设施应能够测量 1*10-9 Std cm³/s 至 1.4*10-2 Std cm³/s 范围内的氦气泄漏率。采用氦气将阀门加压到 PR,并测量泄漏到试验仓的氦气泄漏率。然后,必须将阀门冷却到规定的试验温度,并再次用氦气加压到 PR 上,并测量泄漏到试验仓中的氦气泄漏率。然后应将阀门加热到环境温度,用氦气加压至 PR,并测量氦气泄漏试验仓中的氦气泄漏率。
对于最大允许泄漏速率为不超过 1.4*10-2 Std cm³/s 的阀门,可采用以下代替试验方法。
在大气压下用氦气冲洗整个系统,以确定试验阀及其连接管线的封闭容积 Vd。关闭阀门 C 并将系统填充到合适的压力 Ps。然后通过关闭阀门 B 来分离已知的封闭 Vn。保持阀门 C 关闭并通过阀门 A 排气将试验阀死区容积的压力排放至大气压。关闭阀门 A 后,打开阀门 B 并读取最终系统压力 Pf。取样系统的封闭容积为:
Vd=Vn×(Ps−Pf)/Pf
式中:
Vd,Vn——是以升(L)为单位的体积;
Ps,Pf——是兆帕(MPa)为单位的绝对压力。
首先,在环境温度下,使用氦气将试验系统升压至公称压力或额定压力,并通过关闭阀门 B 以密封系统。然后将系统冷却至设计温度,并保持 10*Vd(小时)的时间。最后,将系统升温至环境温度(即填充温度)。对应于在大气压力和环境温度下最大允许泄漏率小于 1.4*10-2 Std cm³/s 的阀门,压力下降应小于 0.05MPa,则通过试验。

标引序号说明:
1——氦气源;2——压力计;3——气体流量测量装置;
4——试验阀;5——封闭容器体积;6——A、B、C 阀。
图 1 阀门试验系统