测试减压阀流量特性的可选方法-测试设备:
1、测试回路
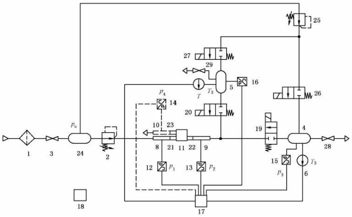
应采用图 1 所示的测试回路。图 1 定义了测试回路的元件。
注:图 1 所示的基本回路未包括必要的安全装置,负责测试的人员充分考虑人身与设备的安全是极为重要的。

标引序号说明:
1——气源及过滤器;2、25——减压阀;3——截止阀;4、5——符合 ISO 6358-2 的等温气罐;
6、7——温度计;8、9、10——符合 ISO 6358-1 的测压管;11——被测元件;
12、13、14、15、16——压力传感器;17——记录仪;18——气压计;
19、20——双向流动型的二位二通电磁阀;21、22、23——符合 ISO 6358-1 的转接头;
24——气罐;26、27——二位二通电磁阀或手动阀;28、29——排气阀;
p1——进口压力;p2——调节压力:p3——等温气罐的压力:p4——溢流压力;
pu——气源压力;T3——等温气罐温度。
图 1 测试回路
2、一般要求
2.1 在测试回路中,应遵守制造商的说明安装和使用被测元件。
2.2 应安装满足被测元件过滤精度要求的过滤器。
2.3 测试回路应包含元件 1~元件 4、元件 6、元件 8、元件 9、元件 11~元件 13、元件 15、元件 17~元件 19、元件 21、元件 22、元件 24~元件 26 和元件 28,其余元件 5、元件 7、元件 10、元件 14、元件 16、元件 20、元件 23、元件 27 和元件 29 根据 2.4 和 2.13 的规定选择。
2.4 对于无溢流口或溢流口无接口的被测元件,无需元件 10、元件 14 和元件 23。
2.5 电磁阀(19)的声速流导应不小于被测元件的 4 倍。
2.6 回路中应使用上游减压阀(2),以维持进口压力(p1)在规定的压力范围内。减压阀(2)的声速流导应不小于被测元件正向声速流导的 2 倍。
2.7 测压管(9)和等温气罐(4、5)之间的距离应尽可能短。
2.8 测压管(8、9、10)和转接头(21、22、23)应符合 ISO 6358-1 的规定。温度在等温气罐中测量,测压管无需测温连接。
2.9 压力传感器(12)应连接到测压管(8)的测压孔中。
2.10 压力传感器(13)应连接到测压管(9)的测压孔中。
2.11 压力传感器(14)应连接到测压管(10)的测压孔中。
2.12 电磁阀(19、20)应具有快速的切换时间,以确保电磁阀每次切换之后即刻开始采集测试数据。
2.13 当被测元件溢流量很小时,为了缩短测试时间,元件 5、元件 20 和元件 27 的尺寸宜较小。电磁阀(20)的声速流导应不小于被测元件溢流声速流导的 4 倍。
2.14 气罐(24)的容积或气源压力的关系宜满足公式(1):
(Vu/Vd)>[p2max/(pu-p1)]…………………………(1)
式中:
Vu——气罐(24)的容积,单位为立方米(m³);
Vd——气罐(4)的容积,单位为立方米(m³);
pu——气源压力,单位为帕(Pa);
p1——进口压力,单位为帕(Pa);
p2max——调节压力的最大值,单位为帕(Pa)。
2.15 液体聚积处宜安装排水阀。
3、等温气罐
结构、填充材料和容积应符合 ISO 6358-2 的规定。
4、特殊要求
特殊要求应符合 ISO 6358-1 和 ISO 6358-2 的规定。