船用摆缸式径向柱塞液压马达(以下简称"摆缸式液压马达")的试验方法:
1、试验装置及原理
1.1 试验装置安装
台架试验装置安装形式见图 1。
1.2 试验装置原理
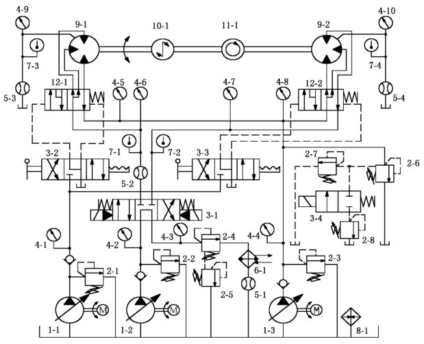
台架试验装置液压原理见图 2,具体要求如下:
a)摆缸式液压马达的试验采用串并联功率回收液压系统,同时安装 2 台完全相同排量的摆缸式液压马达,试验中一台为被试液压马达,另一台为加载液压马达,可采用主换向阀来任选被试液压马达。
b)液压系统控制泵的安全溢流阀应根据不同型号变速阀进行设定防止低压变速阀受高压而损坏。

图 1 台架试验装置安装图

说明:
1-1——控制泵;1-2——机械补偿泵;1-3——容积补偿泵;2-1~2-8——溢流阀;3-1~3-4——换向阀;
4-1~4-10——压力表;5-1~5-4——流量计;6-1——冷却器;7-1~7-4——温度计;8-1——加热器;
9-1~9-2——被试(加载)马达;10-1——转矩仪;11-1——转速仪;12-1~12-2——变速阀。
图 2 台架试验液压原理图
c)液压系统机械补偿泵的安全溢流阀应根据不同型号液压马达的实际机械效率状况来设定,确保摆缸式液压马达故障时能及时卸荷,防止严重损坏零部件。
d)摆缸式液压系统容积补偿泵的流量应根据不同型号摆缸式液压马达实际压力与转速状态下容积效率状况来设定,确保加载液压马达高压时容积补偿流量充足,防止不同步运转造成冲击损坏。
e)液压系统主回油背压可根据设计要求或实际需要设定,防止冲击损坏。
f)高低压冲击的压力和频率应根据设计要求或实际需要调定。
1.3 测点的位置
1.3.1 压力测量点的位置应在距被试液压马达进出油口 2d~4d 处(d 为管道内径)。
1.3.2 温度测量点应设在距压力测量点位置 2d~4d 处。
2、试验条件
2.1 试验介质的温度除另有规定外,型式检验性能测试的温度应在 50℃±2℃,出厂检验性能测试的温度应在 50℃±4℃ 下进行,耐久性试验温度应在 10℃~60℃ 范围内进行。
2.2 试验介质的黏度为 40℃ 时的运动黏度为 32mm²/s~74mm²/s(特殊要求另行规定)。
2.3 试验介质固体颗粒污染等级应不高于 GB/T 14039-2002 中的 -/18/15。
2.4 摆缸式液压马达试验的测量仪器精度等级应符合表 1 规定。
表 1 测量仪器精度等级
| 测量参数 | 精度等级 | |
| 型式检验 | 出厂检验 | |
| 压力 /% | ±0.5 | ±1 |
| 流量 /% | ||
| 转矩 /% | ±1.5 | |
| 转速 /% | ||
| 温度 /℃ | ||
3、试验项目与方法
3.1 外观及加工
目视检查摆缸式液压马达各零件表面。
3.2 材料
检查并核对摆缸式液压马达所使用材料的材质证明书和热处理及机械性能报告。
3.3 耐压
3.3.1 摆缸式液压马达的耐压腔室按 1.5 倍额定压力进行静态试验,保压 5min。
3.3.2 按壳体内腔承压设计额定值的 1.5 倍压力进行静态试验,壳体内腔保压 5min。
3.3.3 若壳体内腔承压设计提供峰值压力,则按壳体内腔峰值压力进行静态试验,壳体内腔保压 1min。
3.4 气密性
壳体内腔充满 0.15MPa 压力的洁净干燥气体后,将其浸没在防锈液中并稍加摇动,停留 1min。
3.5 跑合
3.5.1 型式检验:摆缸式液压马达跑合试验应从低速至额定转速后,按额定压力的 10%、25%、50%、75%、100% 各档分别跑合运行,每档跑合运转 10min。
3.5.2 出厂检验:摆缸式液压马达跑合试验应从低速至额定转速后,按额定压力的 25%、75%、100% 各档分别跑合运行 5min。
3.6 密封性
3.6.1 型式检验:摆缸式液压马达在最高压力和 50% 额定转速下运转 1h。
3.6.2 出厂检验:摆缸式液压马达在最高压力和 50% 额定转速下运转 5min。
3.7 额定工况
3.7.1 型式检验:摆缸式液压马达在额定工况下连续运转 1h。
3.7.2 出厂检验:摆缸式液压马达在额定工况下连续运转 10min。
3.8 高油温
3.8.1 型式检验:摆缸式液压马达进油口油液温度为 70℃±2℃,在额定工况下连续运转 1h。
3.8.2 出厂检验:摆缸式液压马达进油口油液温度为 70℃±4℃,在额定工况下运转 10min。
3.9 空载排量
按GB/T7936规定的方法,测量摆缸式液压马达的空载排量。
3.10 效率
在额定工况下,测量摆缸式液压马达的容积效率及机械效率,计算总效率。
3.11 启动效率
摆缸式液压马达在额定压力、零转速及设计要求的背压条件下,分别测量摆缸式液压马达输出轴处于不同相位角(12 点)时的输出转矩,按所测得的最小输出转矩计算启动效率。
3.12 最低稳定转速
在额定压力下,测量摆缸式液压马达的最低稳定转速。
3.13 超速
3.13.1 型式检验:摆缸式液压马达在连续转速和最大功率允许的最大压力下运转 1h。
3.13.2 出厂检验:摆缸式液压马达在连续转速和最大功率允许的最大压力下运转 10min。
3.14 超载
3.14.1 型式检验:摆缸式液压马达在最高压力和最大功率允许的最大转速下运转 1h。
3.14.2 出厂检验:摆缸式液压马达在最高压力和最大功率允许的最大转速下运转 10min。
3.15 变速
双速型摆缸式液压马达在额定工况下进行低速-高速-低速的变速试验,重复试验三次。
3.16 噪声
按 GB/T 17248.3 规定的方法,在额定工况下对摆缸式液压马达进行噪声检测。
3.17 冲击
3.17.1 型式检验:摆缸式液压马达在高压为额定压力和低压不大于额定压力 1/10 的条件下,频率为每分钟 10 次~30 次,按相关要求进行连续高低压冲击试验。
3.17.2 出厂检验:摆缸式液压马达在高压为额定压力和低压不大于额定压力 1/10 的条件下,频率为每分钟 10 次~30 次,连续高低压冲击 1 万次。
3.18 耐久性
3.18.1 型式检验:摆缸式液压马达按相关要求提出的任一方案进行耐久性试验。
3.18.2 出厂检验:摆缸式液压马达在额定工况下运行 100h,125% 超载工况下运行 1h;或摆缸式液压马达在 125% 超载工况下运行 10h。
3.19 内部清洁度
按 JB/T 7858 规定的方法,对摆缸式液压马达的内部清洁度进行检查。
3.20 低温
将摆缸式液压马达放入封闭冷柜内,控制环境温度为 -25℃,进行空载启动试验 5 次。
3.21 高温
将摆缸式液压马达放入封闭柜内,控制环境温度为 65℃,额定工况下运转试验 1h。
3.22 倾斜、摇摆
按照 CB 1148 规定的方法对摆缸式液压马达进行倾斜、摇摆试验。
3.23 盐雾
按照 CB 11412 规定的方法对摆缸式液压马达进行盐雾试验。