船用水液压轴向柱塞泵(以下简称泵)的试验方法。
方法适用于以不含颗粒(过滤精度达到 10μm)的海水、淡水为工作介质,额定压力不大于 16MPa 船用水液压轴向柱塞泵。
1、试验装置
1.1 试验回路
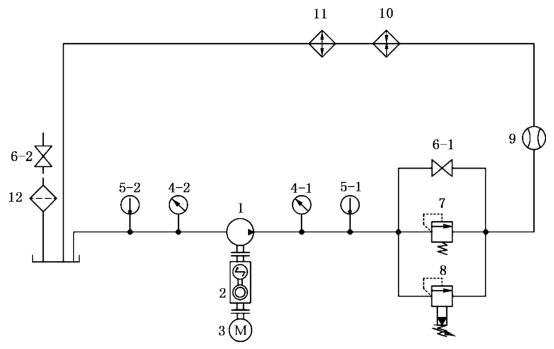
泵的试验回路原理图见图 1。

说明:
1——被试泵;2——扭矩传感仪;3——电机;
4-1、4-2——压力表;5-1、5-2——温度计;6-1、6-2——截止阀;
7——溢流阀;8——比例溢流阀;9——流量计;10——加热器;11——冷却器;12——过滤器。
图 1 试验回路原理图
1.2 压力测量点位置
压力测量点应设置在距被试泵进、出水口 2d~4d 处(d 为管道内径)。稳态试验时,运行将测量点的位置移至被试泵更远处,但应考虑管路的压力损失。
1.3 温度测量点位置
温度测量点的位置应设置在距离压力测量点 2d~4d 处,且比压力测量点更远离被试泵。
1.4 噪声测量点的位置
噪声测量点位置和数量应按 GB/T 17483 的规定。
1.5 振动测量点的位置
振动测量点位置和数量应按 GB/T 16301-2008 的规定。
2、试验条件
2.1 试验介质
2.1.1 试验介质应为被试泵适用的工作介质:海水或淡水。
2.1.2 试验介质的温度:除明确规定外,型式试验应在 25℃±2℃ 下进行,出厂试验应在 25℃±4℃ 下进行。
2.1.3 试验介质的污染度:试验系统进水过滤器的过滤精度应达到 10μm,且过滤比 β10≥5000。
2.2 测量准确度
测量准确度等级分为 A、B、C 三级,型式试验不应低于 B 级,出厂试验不应低于 C 级。各等级测量系统的允许系统误差应符合表 1 的规定。
表 1 测量系统的允许系统误差
| 测量参量 | 允许系统误差 /% | ||
| 测量准确度 A 级 | 测量准确度 B 级 | 测量准确度 C 级 | |
| 压力(表压力 <0.2MPa 时) | ±1.0 | ±3.0 | ±5.0 |
| 压力(表压力 ≥0.2MPa 时) | ±0.5 | ±1.5 | ±2.5 |
| 排量 | ±0.5 | ±1.5 | ±2.5 |
| 转矩 | ±0.5 | ±1.0 | ±2.0 |
| 转速 | ±0.5 | ±1.0 | ±2.0 |
| 温度 | ±0.5 | ±1.0 | ±2.0 |
2.3 试验前磨合
磨合应在试验前进行,在额定转速下,从空载压力开始逐级加载,分级磨合。磨合时间与压力分级应根据需要确定,其中额定压力下的磨合时间不应低于 2min。
3、试验项目
3.1 外观
目测法检验泵的外观质量。
3.2 内部清洁度指标
泵的内部清洁度指标可采用单滤膜质量分析方法进行测试:
a)取适量备用滤膜(0.8μm)置于培养皿中,半开盖放入干燥箱,在 80℃(或滤膜规定的使用温度)恒温下保存 30min,取出后合盖冷却 30min。此过程应保持滤膜平整,无变形;
b)从培养皿中取出一张经烘干的滤膜,称出其初始质量 GA;
c)将滤膜固定在过滤装置上,充分搅拌待测样品后倒入过滤装置,再用 50mL 洁净清洗液冲洗样品容器并倒入过滤装置。盖上漏斗盖并继续抽滤,直至抽干滤膜上的清洗液;
d)用注射器吸取洁净清洗液,顺漏斗壁注射清洗,直至滤膜上无清洗液为止;
e)停止抽滤。小心取下滤膜放入培养皿中,将培养皿半开盖放进干燥箱内,在 80℃(或滤膜规定使用温度)恒温下保持 30min。取出后合盖冷却 30min,称出质量 GB;
f)被测样品的污染物质量 Gn=GB-GA。
3.3 外渗漏
在被试泵内腔充满压力为 0.16MPa 的干净气体,然后将其浸没在水中,停留 1min 以上,并稍加摇动,观察液体中有无气泡产生。
3.4 空载排量
在被试泵最低转速到额定转速范围内至少设定 5 个等分转速点(包括最低转速和额定转速),测量被试泵在空载稳态工况下的设定转速的流量和转速,并计算出相应的排量。
3.5 容积效率和总效率
在额定工况下,对泵的容积效率和总效率试进行试验,试验程序如下:
a)在额定转速下,使被试泵的出口压力逐渐增加至额定压力的 25%,待测试状态稳定后,测量与效率有关的数据;
b)按程序 a),被试泵的出口压力为额定压力的 40%、55%、70%、80%、100% 时,分别测量与效率有关的数据。
c)设定被试泵最低转速到额定转速范围内至少 8 个等分转速点(包括最低转速和额定转速),在 b)各试验压力点,分别测量被试泵与效率有关的数据;
d)额定转速下,进口水温为 10℃~20℃ 和 40℃~50℃ 时,分别测量被试泵在空载压力至额定压力范围内至少 6 个等分压力点的容积效率;
e)绘出效率、流量、功率随转速、压力变化的特性曲线图。
3.6 超速
在转速为 115% 额定转速以及进口水温 20℃~40℃ 下,分别在空载压力和额定压力下连续运转 15min 以上,检查泵是否正常运转。
3.7 超载
在额定转速、最高压力或 1.25 倍额定压力(选择其中高者)的工况下,连续运转 5min,检查有无异常现象出现。
3.8 密封性
试验前将被试泵擦干净,如有个别部位不能一次擦干净,运转后产生"假"渗漏现象,允许再次擦干净,重新试验。待泵停止运转后,将干净吸水纸压贴于静密封部位,然后取下,检查吸水纸上是否出现水迹,纸上如有水迹即为渗水,如未出现水迹则密封性正常。
3.9 耐久性
泵在额定工况下连续工作 168h 以上,测量与效率有关的数据,检查泵的容积效率,并检查泵的零部件是否出现异常磨损或其他形式的损坏。
3.10 低温
在进口水温最低为 1℃~3℃(淡水)、-3℃~-1℃(海水),在介质中不存在结冰的条件下,泵应能够在最大排量、空载压力工况下正常启动至少 5 次。
3.11 高温
在额定工况下,进口水温达到 55℃±2℃,泵连续运转 5min 以上,检查有无异常现象出现。
3.12 盐雾
使用盐水喷雾试验机将氯化钠溶液的试验液,以雾状喷于测试金属件表面,持续时间 168h,试验后在清洗前放在室内自然干燥 0.5h~1h,然后以低于 40℃ 的清洁流动水洗去表面残留盐雾溶液,在距离试样约 300mm 处用气压不超过 200kPa 的空气吹干,检查表面及腔体有无生锈。
3.13 倾斜和摇摆
可用固定倾斜代替倾斜、摇摆试验。固定倾斜试验台的倾斜角为 22.5°,即泵的轴线与水平面的夹角为 22.5°。试验在泵的额定转速、额定流量下进行,试验历时 1h。
3.14 噪声
在设定转速下,分别测量被试泵空载压力至额定压力范围内至少 6 个等分压力点的噪声值。当额定转速不小于 1500r/min 时,设定转速为 1500r/min;当额定转速不小于 1000r/min 且不大于 1500r/min 时,设定转速为 1000r/min;当额定转速 <1000r/min 时,设定转速为额定转速。
3.15 振动
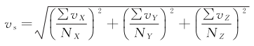
将振动传感器安装在被测物上,其安装共振频率应高于测量频带的上限频率 2.5 倍以上。振动测量频率范围为 10Hz~1000Hz。测点选择在能代表机器整体运动的刚性较强的机器表面、轴承座和机脚上。不应安装在局部振动过大的部位,每台机器至少选择 4~8 个测量点,记录测量点在 X、Y、Z 三个相互垂直的方向上的振动速度均方根值,计算整机的振动烈度。

式中:
vs——振动烈度,单位为毫米每秒(mm/s);
vX、vY、vZ——分别为 X、Y、Z 三个相互垂直的方向上的振动速度均方根值,单位为毫米每秒(mm/s);
NX、NY、NZ——分别为X、Y、Z 三个方向上的测点数。