压缩空气过滤器-除水装置的除水效率和工作压降的试验方法。
1、试验设备布置
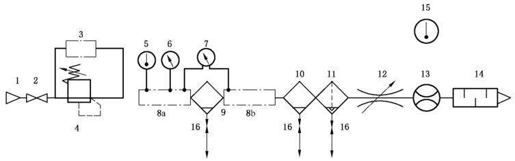
按照图 1 安装被试元器件。

说明:
1——压缩空气源 a;2——全流量球阀;3——喷水装置 b(参见图 2);4——减压阀 b;
5——温度传感器/测量装置;6——压力传感器/测量装置;7——压差传感器/测量装置;
8a——上游压力测量管 c;8b——下游压力测量管 c;9——被试除水装置;10——下游水分离器(可选择);
11——高效凝聚式过滤器(建议);12——精密流量调节阀;13——流量传感器/测量装置;
14——消音器;15——环境温度传感器/测量装置;16——截止阀。
a "1"处的压缩空气源压力应该大于试验压力并且能够提供"3"中贮水容器所需要的超压。如果试验压力是 0.7MPa,那么通常 1MPa 就足够了。
b "4"和"3"需要压力调节来确保供应压力的稳定性,从而避免供水量的变化。
c 压力测量管的详细结构按 GB/T 10893.1 的要求。
图 1 典型的试验布置图

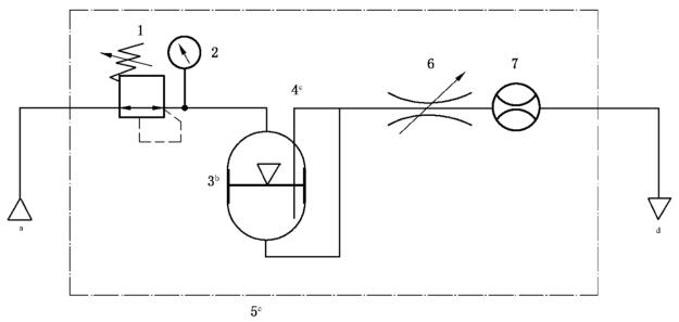
说明:
1——减压阀;2——压力传感器/测量装置;3——贮水容器;4——喷水出口;
5——备用喷水出口;6——精密调节阀;7——流量传感器/测量装置。
a 非稳态压力源。
b 让贮水容器达到质量平衡,以便确定喷水量。
c 可以使用任何一个连接点,但只能使用一个。
d 至被试除水装置。
图 2 典型的喷水装置
除了图 1 中指示的方法外,也可以使用其他引水的方法,例如使用计量泵。唯一需要考虑的是,水在喷射的过程中不能转化成气溶胶形式。
所收集水的量应直接测量质量。通过使用一个流量调节阀来调节系统压力和流量,流量调节阀可以安装在流量计的上游或下游。
2、试验方法
按以下步骤和要求进行试验:
a)按图 1 安装试验装置;
b)在合适的试验压力下建立稳定空气流条件;
c)按每单位空气流量(m³/min)引入 2kg/h 的水量;
d)试验周期至少 10min;
e)直接测量收集到水的质量;
f)在合适的试验压力和 25%、50%、75%、100%、125% 的额定流量条件下对试验装置进行试验;
g)在每个流量下进行 3 次试验。