今天给大家带来的分享是关于液压传动连接中软管总成循环耐久性(脉冲)试验方法的内容。软管总成进行循环耐久性(脉冲)试验目的是为确定软管总成在压力循环条件下的性能,进行高、低压力循环的疲劳试验。
(此为破坏性试验,试验后的软管总成应报废。)
软管总成循环耐久性(脉冲)试验按如下步骤进行:
1、应使用 30 天之内组装软管接头的软管总成进行此项试验。
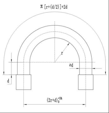
2、计算在试验下的软管的自由(暴露)长度(如图 1 所示):
a)软管公称内径不大于 22mm:180°弯曲的自由长度为 L1=π(r+d/2)+2d。
b)软管公称内径大于 22mm:90°弯曲的自由长度 L2=0.5π(r+d/2)+2d。
式中:
L1——180° 弯曲的自由长度;
L2——90° 弯曲的自由长度;
r——最小弯曲半径(在相关软管标准中确定);
d——软管外径(测量值,d<25mm 除外)。
若 d<25mm,则软管自由长度的公式中的 2d 项采用 d=25mm,使软管接头末端与弯曲半径起始点的软管处于直线状态。
实际的软管自由长度与计算的软管自由长度的偏差应在 0~1% 或 0~8mm内,取较大的偏差值。
3、按图 1 所示把软管总成连接到试验装置上。当软管总成公称内径不大于 22mm 时,应弯曲 180°;大于 22mm 时,弯曲 90°。
![]() | ![]() |
| a)软管公称内径不大于 22mm | b)软管公称内径大于 22mm |
图 1 软管总成耐久性(脉冲)试验安装示意图
4、试验油液应符合 ISO 3348 中黏度等级 ISO VG46(在 40℃ 时,46 cSt±4.6 cSt)的要求,使其在软管总成内以足够的速度循环,以保证温度的一致性。
5、对软管总成内部施加脉冲压力,对于高压试验,其频率在 0.5Hz~1.3Hz;对于低压试验,其频率在 0.2Hz~1.0Hz。记录试验的频率。
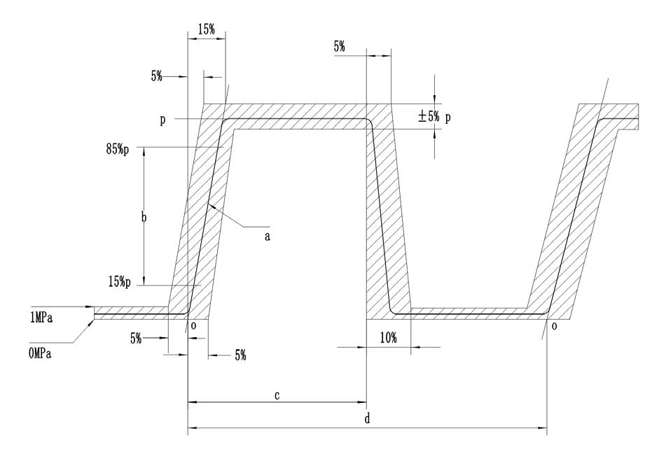
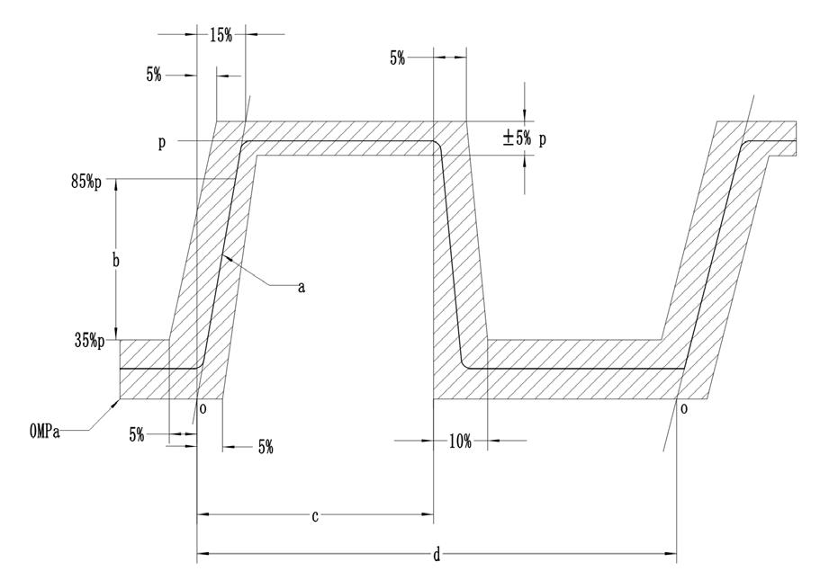
6、对于高压试验(大于 2.5MPa),压力循环应在图 2 所示的阴影区域内;对于低压试验(不大于 2.5MPa),压力循环应在图 3 所示的阴影区域内,并使之尽可能接近图示曲线。压力上升的实际速率应按图 2 所示确定,且应在计算公称值 ±10% 的公差范围内。

注 1:压力上升速率的斜线是通过压力上升曲线上的两个点绘制的直线,一个点在试验压力的 15% 处,而另一个点在试验压力的 85% 处。
注 2:点 0 是压力上升速率的斜线与压力为 0MPa 的交点。
注 3:压力上升速率是压力上升切线的斜率,用 MPa/s 表示。
注 4:在 0.5Hz~1.3Hz 范围,循环频率需保持不变。
注 5:公称压力上升速率:R=f(10p-k)
式中:
R——压力上升速率,单位为兆帕/秒(MPa/s);
f——频率,单位为赫兹(Hz);
p——公称脉冲试验压力,单位为兆帕(MPa);
k——等于 5 兆帕(MPa)。
a 压力上升速率的斜线。
b 在此两点之间确定压力上升速率。
c 一个完整脉冲周期的 45% 至 55%。
d 一个完整的脉冲周期。
图 2 高压试验的耐久性(脉冲)试验压力循环图

注 1:压力上升速率的斜线是通过压力上升曲线上的两个点绘制的直线,一个点在试验压力的 35% 处,而另一个点在试验压力的 85% 处。
注 2:点 0 是压力上升速率的斜线与压力为 0MPa 的交点。
注 3:压力上升速率是压力上升切线的斜率,用 MPa/s 表示。
注 4:在 0.2Hz~1.0Hz 范围,循环频率应保持不变。
注 5:公称压力上升速率:R=f(10p-k)
式中:
R——压力上升速率,单位为兆帕/秒(MPa/s);
f——频率,单位为赫兹(Hz);
p——公称脉冲试验压力,单位为兆帕(MPa);
k——等于 5 兆帕(MPa)。
a 压力上升速率切线。
b 在此两点之间确定压力上升速率。
c 一个完整脉冲周期的 45% 至 55%。
d 一个完整的脉冲周期。
图 3 低压试验的耐久性(脉冲)试验压力循环图
7、根据相关产品规范,确定脉冲压力和试验温度。
8、根据相关产品规范,确定脉冲试验的持续时间(以脉冲循环总次数计)。
9、进行规定循环次数的试验,或直至软管总成失效。如果在完成最小循环次数之前停止试验,
在重新开始试验并达到试验温度之前,软管和软管接头结合处可能出现泄漏。若泄漏小于 ISO/TR 11340 中规定的 4 级泄漏,则不判定为软管总成失效。应根据 ISO/TR 11340 中的分类来记录泄漏情况。
10、在未完成所需的总脉冲次数之前,软管总成应不出现失效。
以上就是今天的分享!如果您对用于上述试验的软管总成循环耐久性(脉冲)试验装置感兴趣,欢迎与我们联系!
