气瓶水压试验以水为加压介质, 按照规定的加压速率逐步增大受试瓶内的压力至其水压试验压力,并保压规定时间。 通过采用不同的试验方法, 对受试瓶的安全承载能力进行试验验证, 测定受试瓶在水压试验压力下容积全变形、容积弹性变形(有要求时)和泄压后的容积残余变形。
气瓶水压试验方法有耐压试验、外测法及内测法三种,今天我们来学习内测法的内容。
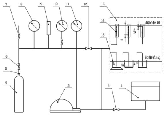
1、试验装置流程
内测法试验装置典型流程见图 1。

标引符号说明:
1——试验用水水槽;2——加水阀;3——加压装置;4——受试瓶;5——专用接头;6——隔离阀;
7——排气阀;8——压力表;9——压力变送器;10——标准压力表;11——加压装置前压力表;
12——泄压阀;13——水量测量仪表;14——量筒;15——电子天平。
图 1 内测法试验装置典型流程图
2、试验步骤
2.1 试验装置使用前应经过标准压力表校验,压力表显示值应不超过标准压力表显示值的 ±1.5%,压力变送器显示值应不超过标准压力表显示值的 ±1%。
2.2 试验前,选择量程和准确度等级适宜的测量仪器精确测定受试瓶实际容积及受试瓶内水温,以免造成较大误差。
2.3 注满水静置后的受试瓶在试验前应用木槌或胶槌轻击瓶体,排尽附着于瓶内壁的气泡,并用水补满;试验用水禁止从自来水管直接灌入受试瓶内。瓶体外表面应擦干。
2.4 受试瓶加压前,应把瓶内及承压管道内的空气全部排尽。可在公称工作压力范围内反复加压、泄压,直至在水量测量仪器中完全没有气泡浮出为止。
2.5 试验开始前,关闭加水阀和泄压阀,且应保持水量测量仪表起始值至少 5s 内的示值稳定。
2.6 受试瓶内的压力升至公称工作压力时,可暂停加压,进行检查。瓶体及各连接接头不应有泄漏、压力测量仪表指示值和水量测量仪表指示值应稳定。
2.7 受试瓶内的压力升至规定试验压力,至少保压 30s 或规定时间,保压期间,实际试验压力不应低于规定试验压力,且保压时间结束时,实际试验压力和容积全变形应保持稳定。如果不稳定,应适当延长保压时间,或中止试验查明原因后,重新进行试验。如果在保压时间内向受试瓶加压,应重新开始计算保压时间。待实际试验压力和容积全变形在保压时间结束时稳定,应记录实际试验压力和总压入水量或电子天平指示值。
2.8 打开泄压阀,泄压至零,待受试瓶收缩完全后,记录受试瓶容积残余变形值或电子天平指示值。
2.9 压力值的误差应不超过受试瓶规定试验压力 ±1%;总压入水量的误差应不超过总压入水量的 ±1% 和 0.1mL 的较大者。气瓶产品标准有规定的应按其规定。
2.10 试验压力偏差应不超过规定试验压力的 +2% 和 2MPa 的较小者。气瓶产品标准有规定的应按其规定。
2.11 试验前后宜保持系统内水温恒定。
2.12 试验结果的判定应按气瓶相关标准的规定执行。
3、受试瓶容积全变形值、容积弹性变形值和容积残余变形率的计算
受试瓶在试验压力下的总压入水量按公式(1)计算,容积全变形值按公式(2)计算,容积残余变形值按公式(3)计算,容积弹性变形值按公式(4)计算,容积残余变形率按公式(5)计算:
A=(M0-M)/ρ …………………………(1)
ΔV=A-B-(V+A-B)×Ph×βt …………………………(2)
ΔV″=(M0-M')/ρ …………………………(3)
ΔV'=ΔV-ΔV″ …………………………(4)
η=ΔV″/ΔV×100% …………………………(5)
式中:
A——受试瓶在试验压力下的总压入水量,单位为毫升(mL);
M0——试验前电子天平指示值,单位为克(g);
M——试验压力下电子天平指示值,单位为克(g);
ρ——水的密度,近似取 1,单位为克每毫升(g/mL);
ΔV——受试瓶容积全变形值,单位为毫升(mL);
B——承压管路系统在试验压力下的压入水量,由试验装置的实际测量值确定,单位为毫升(mL);
V——试验前受试瓶实际容积,单位为毫升(mL);
Ph——受试瓶水压试验压力,单位为兆帕(MPa);
βt——水在试验压力和试验水温下的平均压缩系数,单位为兆帕分之一(MPa-1);
ΔV″——受试瓶容积残余变形值,单位为毫升(mL);
M'——受试瓶泄压后电子天平指示值,单位为克(g);
ΔV'——受试瓶容积弹性变形值,单位为毫升(mL);
η——受试瓶容积残余变形率。
计算结果表示到小数点后一位。
4、试验记录和报告
4.1 试验记录
试验单位应按照气瓶内测法水压试验的实际情况记录试验过程的有关信息和数据。试验记录应采用图片、PDF等内容不可更改的文件格式。试验记录应详尽、真实、准确、可追溯。
4.2 试验报告
试验单位应依据试验记录出具水压试验报告。
试验报告除记载受试瓶的有关信息和主要技术参数,还应至少包括下列主要内容:
a)本文件编号;
b)试验时间;
c)试验前受试瓶实际容积V;
d)实测试验环境和试验介质温度;
e)实际试验压力;
f)实际保压时间;
g)试验系统在试验压力下的总压入水量A或M值;
h)承压管道在试验压力下的压入水量B值;
i)泄压后水量测量仪表指示值ΔV″或M'值;
j)容积全变形值;
k)容积弹性变形值(有要求时);
l)容积残余变形值;
m)容积残余变形率;
n)受试气瓶试验情况描述;
o)试验结论。
试验报告应有试验人员、审核人员签章和试验单位公章(专用章)。
