气瓶水压试验以水为加压介质, 按照规定的加压速率逐步增大受试瓶内的压力至其水压试验压力,并保压规定时间。 通过采用不同的试验方法, 对受试瓶的安全承载能力进行试验验证, 测定受试瓶在水压试验压力下容积全变形、容积弹性变形(有要求时)和泄压后的容积残余变形。
气瓶水压试验方法有耐压试验、外测法及内测法三种,今天我们来学习外测法的内容,也是目前气瓶水压试验最主流的方法。
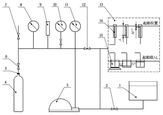
气瓶水压试验外测法:
1、试验装置流程
外测法试验装置典型流程见图 1 。

标引符号说明:
1——试验用水水槽;2——加压装置;3——泵进水阀;4——排水阀;5——水套进水阀;
6——安全泄放口;7——受试瓶;8——水套;9——专用接头;10——排气阀;11——活接头;
12——泄压阀;13——标准瓶;14——水量测量仪表;15——电子天平;16——量筒;17——压力表;
18——压力变送器;19——截止阀;20——标准压力表;21——加压装置前压力表。
图 1 外测法试验装置典型流程图
2、试验步骤
2.1 试验装置使用前应经过标准瓶校验。校验应按规定进行。
2.2 注满水的受试瓶装入水套后,密封水套,并将专用水套及关联管路内的空气排尽。
2.3 设置水量测量仪表参考零点(起始值或基准线),并保持至少 5s 内水量测量仪表的示值稳定。
2.4 受试瓶内的压力升至公称工作压力时,可暂停加压,进行检查。压力测量仪表指示值和容积变形应稳定。
2.5 受试瓶内的压力升至规定试验压力,至少保压 30s 或规定时间,保压期间,实际试验压力不应低于规定试验压力,且保压时间结束时,实际试验压力和容积全变形应保持稳定。如果不稳定,应适当延长保压时间,或中止试验查明原因后,重新进行试验。如果在保压时间内向受试瓶加压,应重新开始计算保压时间。待实际试验压力和容积全变形在保压时间结束时稳定,应记录实际试验压力和容积全变形值或电子天平指示值。保压期间,应将受试瓶与其他压力源和蓄能器等稳压或调压装置隔离。
2.6 泄压至零,待受试瓶收缩完全后,记录受试瓶容积残余变形值或电子天平指示值。
2.7 压力值的误差应不超过受试瓶规定试验压力 ±1%;容积全变形值的误差应不超过容积全变形值的 ±1% 和 0.1mL 的较大者。气瓶相关标准有规定的应按其规定。
2.8 试验压力偏差应不超过规定试验压力的 +2% 和 2MPa 的较小者。气瓶相关标准有规定的应按其规定。
2.9 试验前后宜保持系统内水温恒定。
2.10 试验结果的判定应按气瓶相关标准的规定执行。
3、受试瓶容积弹性变形值和容积残余变形率的计算
受试瓶的容积弹性变形值按公式(1)计算,容积残余变形率按公式(2)计算:
ΔV'=ΔV-ΔV″=(M-M')/ρ …………………………(1)
η=ΔV″/ΔV×100%=[(M'-M0)/(M-M0]×100% …………………………(2)
式中:
ΔV'——受试瓶容积弹性变形值,单位为毫升(mL);
ΔV——受试瓶容积全变形值,单位为毫升(mL);
ΔV″——受试瓶容积残余变形值,单位为毫升(mL);
M——试验压力下电子天平指示值,单位为克(g);
M'——受试瓶泄压后电子天平指示值,单位为克(g);
ρ——水的密度,近似取1,单位为克每毫升(g/mL);
η——受试瓶容积残余变形率;
M0——试验前电子天平指示值,单位为克(g)。
计算结果表示到小数点后一位。
4、试验记录和报告
4.1 试验记录
试验单位应按照气瓶外测法水压试验的实际情况记录试验过程的有关信息和数据。试验记录应采用图片、PDF 等内容不可更改的文件格式。试验记录应详尽、真实、准确、可追溯。
4.2 试验报告
试验单位应依据试验记录出具水压试验报告。
试验报告除记载受试瓶的有关信息和主要技术参数,还应至少包括下列主要内容:
a)本文件编号;
b)试验时间;
c)实测试验环境和试验介质温度;
d)实际试验压力;
e)实际保压时间;
f)容积全变形值;
g)容积弹性变形值(有要求时);
h)容积残余变形值;
i)容积残余变形率;
j)受试气瓶试验情况描述;
k)试验结论。
试验报告应有试验人员、审核人员签章和试验单位公章(专用章)。
以上就是今天的分享!如果您对用于上述试验的气瓶水压外测法试验装置感兴趣,欢迎与我们联系!
