今天给大家带来的分享是关于气动调压阀可靠性评估试验用试验设备相关要求的内容。
1、基本试验设备
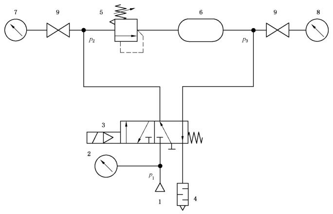
1.1 被测调压阀的试验回路见图 1 或图 2。多个试验回路使用同一压缩空气气源时,每个试验回路应使用相同的元件。图 3 给出了一种扩展试验回路,其中包含隔离测量仪器的附加元件。图 1 所示的基本试验回路未包含所有必要的安全装置,应采取防护措施以防元件失效引起的伤害。负责测试的人员应充分考虑人员和设备的安全。

标引序号说明:1——气源;2——测量 p1 的压力表;3——二位五通换向阀;
4——消声器;5——被测调压阀(即被测元件);6——气容;7——测量 p2 的压力表或压力传感器;
8——测量 p3 的压力表或压力传感器;9——截止阀或快换接头。
图 1 试验回路
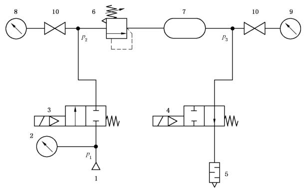
1.2 如果图 1 中使用的二位五通换向阀(元件 3)流量规格大,也可使用图 2 所示的替代试验回路。在该回路中,两个二位二通阀应同时动作。

标引序号说明:1——气源;2——测量 p1 的压力表;3——二位二通阀(常闭);
4——二位二通阀(常开);5——消声器;6——被测调压阀(即被测元件);7——气容;
8——测量 p2 的压力表或压力传感器;9——测量 p3 的压力表或压力传感器;10——截止阀或快换接头。
图 2 可选试验回路
1.3 如果被测元件主体具有两个或三个不同尺寸的接口,则选择最大的接口。
1.4 在安装被测元件前,先按照 ISO 6953-3 对被测元件进行流量测试,确定每个被测元件的正向声速流导 Cf。
1.5 图 1 中元件 2、7、8 或图 2 中元件 2、8、9 所示的压力测量仪器(压力表或压力传感器)分别与试验回路中的截止阀或快换接头连接。
2、换向阀
试验回路中使用外部先导式或直动式换向阀。换向阀的声速流导值 C 应不小于被测元件的正向声速流导 Cf,也应满足要求。
3、气容
图 1 中气容 6 和图 2 中气容 7 的尺寸应符合 ISO 19973-1:2015 的规定。

标引序号说明:FM——流量计;S1、S2、S3——压力传感器;
R——被测元件;V——气容;V1——进口截止阀;V2——起循环作用的阀;
V3、V8——起隔离作用的阀;V4、V5、V6、V7——隔离传感器的截止阀。
图 3 可选的扩展试验回路
如果您对上述内容分享的气动调压阀可靠性评估试验回路装置感兴趣,欢迎与我们联系!