液化天然气运输船液货舱安全阀主要用于液化天然气运输船的液货舱,以使舱内的压力保持在最大允许工作压力以下。今天我们来学习该型安全阀性能试验的内容。
1、常温性能试验
1.1 目的
常温性能试验的目的是检验阀门在常温下在整定压力偏差范围内是否工作良好。
整定压力及其偏差应符合表 1 的要求。
表 1 整定压力偏差
| 区域 | 整定压力 | 偏差 |
| 液货舱 | 25kPaa,b | 整定压力的 ±10% |
a 实际整定压力应满足订购方的规定。 b 负压用途的偏差为 ±25%。 | ||
1.2 试验次数
试验次数由制造商和订购方协商确定,但为达到性能稳定应至少进行 50 次试验。
1.3 试验介质
应使用惰性气体和空气。
1.4 判定标准
阀门应能在整定压力偏差范围内打开。
2、常温泄漏试验
2.1 目的
常温泄漏试验的目的是检验阀门在常温下关闭时的阀座气密性。
2.2 介质
应使用空气或氮气。
2.3 试验压力
试验开始压力为 90% 的整定压力。
2.4 持压时间
应至少持压 5min。
2.5 泄漏率
安全阀阀瓣与阀座之间的泄漏率应小于 0.06mL/(min·mm)[直径按英寸表述时为1.5cm³/(min·in)]。
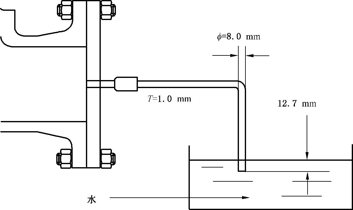
2.6 试验设备
检验方法如图 1 所示。根据 API STD 527 的要求,应使用壁厚 1.0mm、外径 0mm 的管道测量泄漏。

图 1 泄漏测量方法
3、低温性能试验
3.1 目的
低温性能试验的目的是检验阀门是否在整定压力偏差范围内工作良好。整定压力及其偏差应满足表 1 的要求。
3.2 试验次数
试验次数由制造商和订购方协商确定,但至少应进行三次。
3.3 试验介质
应使用氦气。
3.4 判定标准
阀门应能在整定压力偏差范围内打开。
4、低温性能试验准备
4.1 试验开始温度
试验应在喷管内部温度达到 -163℃ 后开始,温度由热电偶测量。此外,应使用液氮或类似液体降温。
4.2 安全要求
试验时应使用防护装置。
4.3 试验系统
试验系统构造如图 2 所示,也可使用其他适用的试验系统。

标引序号说明:1——压力表;2——温度显示器;3———数字压力表;4——温度感应器;
5——先导式阀门(POV);6——氦气;7——液氮。
图 2 低温性能试验系统示例
5、低温泄漏试验
5.1 目的
低温泄漏试验的目的是检验阀门在低温下关闭时的阀座气密性。
5.2 介质
应使用温度低于 -163℃ 的氦气。
5.3 试验压力
试验开始压力为 90% 的整定压力。
5.4 持压时间
应至少持压 5min。
5.5 判定标准
安全阀阀瓣与阀座之间的泄漏率应小于 0.06mL/(min·mm)[直径按英寸表述时为1.5cm³/(min·in)]。
5.6 试验要求
试验方法如图 1 所示。根据 API STD 527 的要求,应使用壁厚 1.0mm、外径 0mm 的管道测量泄漏。
以上就是今天的分享!