双列式电动润滑脂泵(20MPa)的试验条件和方法:
1、试验条件
1.1 基准温度:25℃。
1.2 试验介质:L-N46全损耗系统用油(GB/T 443),耐久性试验应采用锥入度不低于 310(25℃,150g)1/10mm 的润滑脂。
2、试验方法
2.1 耐压试验:如图 1 所示,将双列泵装上专用堵板,由外接泵源通过调压阀将压力加至 1.25 倍公称压力,保压 10min。此项试验应采用专用耐压试验机进行,耐压性能应符合规定。

说明:1——双列泵;2——调压阀;3——耐震压力表。
注:图中A为外接泵源。
图 1 双列泵的耐压试验
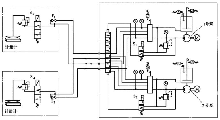
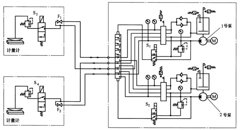
2.2 溢流阀试验:如图 2、图 3 所示,试验 1 号泵溢流阀时,使电磁换向阀 S1 的电磁铁吸合,用截止阀 F1、F2 分别将双列泵出油口关闭,并启动 1 号泵,待泵上的溢流阀动作被确认后,将泵上的溢流阀的压力设定为 22MPa(允差为 ±1MPa),然后反复启动 S3 或 S4,观察溢流阀的工作状态,由压力表观察溢流阀动作的压力值,其性能应符合规定。

图 2 SDRB-L60H、SDRB-L195H 双列泵试验原理图
2.3 2 号泵溢流阀按 2.2 所述进行试验。
2.4 密封性试验:在做 2.2 中的试验时,将溢流阀的压力设定为 1.25 倍公称压力,目测各部件及各连接处,其性能应符合规定。
2.5 贮油器试验:从润滑脂补给口充入压力为 0.4MPa 的压缩空气,此时活塞杆应能平稳上升,当空气卸压时,活塞杆应能静止不动,当打开活塞杆上的排气阀时,用手应能将活塞杆压下,做此项试验时,还应观察贮油器各受压部分,不应有漏气现象,其性能应符合规定。
2.6 流量的测定:如图 2、图 3 所示,换向阀在各位置时用截止阀 F1、F2 分别将双列泵出油口关闭,分别启动 1 号泵,然后调整外部调压阀,使双列泵的工作压力分别为 0 和 20MPa,测定 1min 的流量,其性能应符合规定。

图 3 SDRB-L585H 双列泵试验原理图
2.7 行程开关动作试验分为以下三个方面:
——油位行程开关:将每台单泵的高、低油位行程开关与报警器接通,由泵装置润滑脂补给口向贮油器充入润滑脂。当贮油器内油位低于低油位时,报警器应发出低位报警;当贮油器内油位高于低油位、低于高油位时,报警应停止;当贮油器内油位高于高油位时,报警器应发出高位报警,其性能应符合规定。
——换向阀行程开关:如图 2、图 3 所示,分别将两个液压换向阀行程开关与报警器接通,打开截止阀 F1、F2,并分别启动 1、2 号泵,当换向阀换向时报警器分别发出报警信号,其性能应符合规定。
——电气安全性能试验:双列泵电气部件的动力电路导线的接线端子和保护接地端子间的绝缘电阻应不小于 1MΩ;并应能经受 1000V、50Hz 试验电压的耐电压试验至少 1s,无击穿或闪络现象,其性能应符合规定。
2.8 表面涂装检查:目视检查双列泵表面涂装,其性能应符合规定。
2.9 外观质量的检查:采用目测法,其外观质量应符合规定。
2.10 寿命试验:如图 2、图 3 所示,试验 1 号泵时,打开截止阀 F1、F3,调整其换向阀换向压力,将泵装置出口压力设定为 20MPa;连接电控装置,使泵装置各元件处于正常工作状态,并将转换开关设定在连续动作位置,连续运转 2000h,应无异常现象出现。拆下各件检查应无异常磨损,其性能应符合规定。
2.11 2 号泵按照 2.10 所述进行寿命试验。