手动润滑泵是指输送锥入度为 265〜385(25℃,150g)1/10mm 的润滑脂的手动润滑泵(10MPa、20MPa)。今天我们来学习关于手动润滑泵的耐压、密封及寿命试验方法的内容。
1、试验条件
1.1 基准温度:25℃。
1.2 试验介质:L-AN46 全损耗系统用油(GB/T443),寿命试验应采用锥入度不低于 310(25℃,150g)1/10mm 的润滑脂。
2、耐压性试验
2.1 技术要求
在 1.25 倍公称压力下应无零件损坏等异常现象。
2.2 耐压试验方法
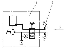
如图 1 所示,操作换向阀手柄,并使外接泵源分别接通出油口Ⅰ、出油口 Ⅱ,由外接泵源通过调压阀将压力加至公称压力的 1.25 倍,保压 10min,耐压性能应符合 2.1 的规定。
将出油口堵塞,操作换向阀手柄并摇动操作手柄,分别使出油口Ⅰ、出油口 Ⅱ 在公称压力的 1.25 倍下保压 10min,耐压性能应符合 2.1 的规定。

说明:1——手动润滑泵;2——耐震压力表。注:图中 A 为外接泵源。
图 1 耐压试验原理图
3、密封性试验
3.1 技术要求
在 1.25 倍公称压力下,各部件不应出现外泄漏。
3.2 密封性试验方法
在做 2.2 中的试验时,目测各部件及各连接处,其性能应符合 3.1 的规定。
4、寿命试验
4.1 技术要求
在公称压力下,按 30 次/min 的频率,操作手柄运转应不少于 5 000 000 次,换向阀手柄换向应不少于 10 000 次。手动润滑泵的流量低于公称流量的 70% 或传动副等零件损坏且无法修复,可视为手动润滑泵达到了使用寿命极限。
4.2 寿命试验方法
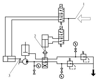
如图 2 所示,在公称压力下,以 30 次/min 的频率使操作手柄运转 5 000 000 次,换向阀手柄换向 10 000 次,不应出现外部泄漏、动作不良、声音异常等现象,拆检各零件,应看不到异常。其性能应符合 4.1 的规定。

说明:1——压缩空气入口;2——换向阀手柄;3——操作手柄。
图 2 寿命试验原理图
以上就是今天的分享!如果您对用于上述试验的手动润滑泵性能试验装置感兴趣,欢迎与我们联系!