阀门流量流阻试验装置可进行阀门流量系数、流阻系数、压差-流量特性、开度-流量特性等测试,被试验阀门的流阻系数值 ζ 大于 0.1。今天我们来学习关于阀门流量流阻试验装置的 9 点技术要求。
1、一般要求
1.1 阀门流量流阻试验装置(以下简称装置)应能提供满足试验要求的试验阀门上下游压力(下游端压力不小于 0.035MPa)、最大和最小流量。
1.2 装置一般由循环水源、稳压装置、动力系统、测试管路、测控硬件和测试软件组成。
1.3 除因试验阀门连接形式原因使连接管道无法水平安装外,其他所有的试验阀门和连接管道应采取试验阀门和连接管道水平布置的方式。
1.4 装置应保证测试管路内全部充满水,不应有空气进入。
1.5 装置中与试验介质接触部分应能保证清洁、不腐蚀、无杂物。
1.6 装置安装完成后,测试管路、流量测量仪表和试验阀门各处应当同轴,各连接处应无泄漏。连接处的密封垫片内径应不小于管路内径,应无影响介质流通的凸台、棱边等现象存在。
1.7 装置中各设备应具有可靠的基础和支撑,地面应有排水设施。
2、循环水源
2.1 循环水源储存在水箱、水池或水塔内。容积应能满足试验最大流量的循环需要,并保证在一个工况点试验过程中温度变化在 ±3℃ 以内。
2.2 水箱内壁材质应为不锈钢,并能防止杂物入内。水池或水塔应能防止杂物入内,具有试验介质清洁过滤条件,满足补水要求。应定期清洗换水。
3、稳压装置
3.1 稳压装置为试验提供稳定的压力源,可采用稳压容器或水塔等形式,容器容积应能满足试验过程的压力、压差和流量的稳定采集。
3.2 采用稳压容器时,容器内壁应为不锈钢。多容器并联使用时,其连接管道应不小于试验阀门的最大公称尺寸。
3.3 稳压装置的压力应能根据试验需要进行调节。
4、动力系统
4.1 动力系统为试验提供介质循环,提供试验要求的流量和压差。
4.2 动力系统可采用水泵、水泵组或气压驱动形式。采用气压驱动时,其试验持续时间应能满足至少一个试验过程的准确数据采集。
4.3 水泵可以并联、串联组合使用。水泵推荐采用变频方式启动及流量调节。水泵或水泵组应能满足试验阀门的最大流量、最高试验压力或两者兼有的条件。
5、测试管路
5.1 测试管路应为不锈钢材质。
5.2 测试管路应是圆形直管,不应有凸台、凹坑等现象,管道的尺寸和偏差应符合 GB/T 17395 的规定。管道内壁应光滑清洁,无焊渣和其他可能引起流体扰动的障碍物。安装流量计和试验阀门的管道的连接端部应是平直的。试验阀门连接管道的端部法兰应能满足不同压力、标准的法兰连接和试验阀门固定。装置的管路部分应具备调整试验区间距离的功能,以适应不同结构长度的试验阀门。
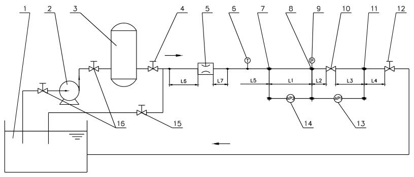
5.3 如图 1 所示,L1-L5 是指与试验阀门同一公称尺寸的直管段长度,L6、L7 是指与流量计同一公称尺寸的直管段长度。L1 是指用来测量试验阀门连接管道直管段本身的流量-压差的测量管段;L2 和 L3 是指试验阀门上下游连接管道到取压点之间管段;L4 是指试验阀门下游取压点后的直管段;L5 是指直管段取压点前的管段长度;L6 和 L7 是指流量计前后的管段长度。
L1-L5 的管段长度规定是:L2≥5D,L3≥10D,L4≥5D。试压装置中设置 L1 直管段的,L1=L2+L3,L5≥15D;试压装置中未设置 L1 直管段的,L5≥18D。L5 管段若采用了整流装置,则长度可缩短到 8D。
L6、L7 的管段长度应能满足流量计对前后连接管道直管段长度的要求。若无规定时,L6≥10D1,L7≥5D1。
试验时流量计的选用规定是 D1≥D,L6 和 L7 的内径应不小于流量计的内径,以接近流量计的内径为宜。
注:D 为试验阀门连接管道的公称尺寸数值,D1 为流量计连接管道的公称尺寸数值。
5.4 除螺纹端连接的阀门外,连接试验阀门的管道内径应不小于试验阀门的连接端内径。

1——循环水源;2——水泵;3——稳压容器;4——上游阀门;5——流量计;6——温度测量仪表;
7——直管段取压点;8——上游取压点;9——压力测量仪表;10——试验阀门;
11——下游取压点;12——背压调节阀门;13——试验阀门管段压差(△P1) 测量仪表;
14——直管段压差(△P2) 测量仪表;15——旁通调节阀门;16——截断阀。
注: L1:试验阀门上下游连接管道到取压点之间直管段长度之和, L1=L2+L3;
L2:试验阀门上游连接管道到上游取压点之间直管段长度;
L3:试验阀门下游连接管道到下游取压点之间直管段长度;
L4:试验阀门下游取压点到背压调节阀门之间长度;
L5:试验阀门上游取压点或L1取压点前的直管段长度;
L6:流量计前直管段长度;
L7:流量计后直管段长度。
图 1 流量流阻试验装置典型示意图(直通式阀门)
6、取压孔和接管
6.1 测试管路上的每个取压点截面应有 1 个、2 个对称或 4 个对称布置的取压孔。大于 DN300 的测试管路及要求测量精度高于 1% 的所有管道,在测试管路的每个取压截面应有 4 个对称布置的取压孔,多个取压孔应汇集合成一个总取压孔,测试管路取压孔的内径按表 1 的规定。宜使用均压环,均压环上至少设置一个总取压孔和一个排气孔,均压环材质为不锈钢。上下游及直管段上取压孔的直径应一致。
表 1 测试管路取压孔内径
单位为毫米
| 测试管路公称尺寸 DN | 取压孔内径 | |
| 最小 | 最大 | |
| <20 | 1.5 | 2 |
| 20~50 | 2 | 3 |
| >50 | 3 | 5 |
6.2 取压孔应与测试管路垂直,偏角最大不应超过 5°。取压孔的边缘不应凸出管内壁,应锐利且不能有毛刺、钻削飞边。取压孔或合成后的总取压孔与压力测量仪表间连接管道的内径至少为取压孔直径的 2 倍。单个取压孔或总取压孔的接管口应水平方向设置。
7、测控硬件
7.1 流量测量宜采用电磁流量计,精度等级不低于 0.5 级。
7.2 压力测量可采用压力表(含数显式压力表)或压力传感器,精度等级不低于 0.5 级。
7.3 压差测量可采用压差传感器或水银 U 形管,压差传感器精度等级不低于 0.5 级,水银 U 形管分辨率不低于 1mm。
7.4 温度测量采用温度传感器,温度分辨值不高于 1℃。
7.5 所有仪表应按国家有关校准或检定规程进行校准或标定。
7.6 控制柜应至少包括动力控制和试验控制。动力控制柜(台)应能实现系统的变频控制和安全保护,试验控制台(柜)能实现试验控制、参数测量、数据采集和处理。
8、测控软件
测控软件应根据装置实际布置编写。软件应至少能进行流量、温度、压力和压差等数据的监控、采集、存储、数据处理和报表输出等功能。
9、特殊要求
由于阀门流量流阻试验装置具有功能扩展性,当试验有以下要求或更多要求时,应特别提出。试验装置需进行相应的设计或改造:
a)测试样品的流量系数 KV 小于 0.043,试验装置应采用流量计之外的流量测试方法如称重法或容积法等;
b)测试调节阀阀座泄漏量;
c)进行流量计标定;
d)测试减压阀性能,应约定减压范围;
e)测试水力控制阀性能,应约定调节性能范围;
f)测试灭火系统用阀门。
以上就是今天的分享!如果您对用于上述试验的阀门流量流阻试验装置感兴趣,欢迎与我们联系!
