筒式加压液体过滤滤芯流动疲劳特性验方法:
1、方法概述
在一定的温度、压降条件下,系统流量按一定的变化周期对滤芯进行流动疲劳试验。
2、器材和设备
2.1 试验装置
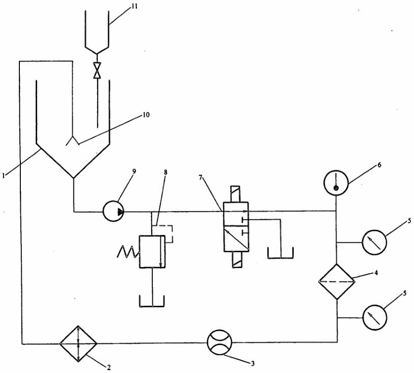
滤芯流动疲劳特性试验装置如图 1 所示。

1——液箱;2——热交换器;3——流量计;4——被测试过滤器:5——压力表;
6——温度计;7——电磁阀;8——溢流阀;9——泵;10——扩散器;11——粉末添加装置。
图 1 流动疲劳特性试验装置示意图
2.2 试验液
试验液应为 25℃ 的生活饮用水或 40℃ 的 YH-10 航空液压油。
2.3 试验粉末
ACFTD 或与其颗粒尺寸分布等效的其他试验粉末。
3、试验程序
3.1 把过滤器壳体安装在如图 1 所示的试验装置上。
3.2 起动泵,在规定温度 ±2℃ 范围内,调节试验流量至被测试滤芯流量的额定值,测量并记录过滤器壳体压降。
3.3 将按"结构完整性"试验合格的被测试滤芯装入过滤器壳体内。
3.4 保持试验温度不变,调节试验流量至被测试滤芯流量的额定值,并在系统中加入试验粉末,使被测试滤芯的压降达到其额定值。
3.5 按规定的流动疲劳循环周期数对滤芯进行疲劳试验。调整电磁阀的转换频率,限制循环频率在 1Hz 以下,使滤芯试验流量从 0L/min 上升到某一不超过额定流量的流量值,然后降到 0L/min;重复循环,直到规定的流动疲劳循环次数;通过改变流量,把每个循环周期中的最大压降限制在额定压降的 90%〜100% 以内。
3.6 记录并绘制出一条至少一个循环周期典型的压降时间曲线。
3.7 关闭试验系统,试验结束。
4、验收准则
满足以下要求,则被测试滤芯流量疲劳特性试验合格:
a)滤芯无结构损坏、密封损坏或滤材损坏的迹象;
b)检验后应能顺利通过"抗破裂性试验"。