航空电子元器件密封性泄漏检测方法一般分为细检漏与粗检漏,细检漏方法主要包括氦质谱检漏法及光学细检漏法;粗检漏方法包括碳氟化合物检漏、酒精气泡检漏、差压粗检漏、光学粗检漏等。针对具有密闭内腔及非密闭的元器件进行检测时应按以下原则选择适用的方法:
a)具有密闭内腔的元器件细检漏时分为未充入示踪气体的元器件与已充入示踪气体的元器件两种情况。具有密闭内腔元器件可采用氦质谱细检漏及光学细检漏方法进行细检漏,可采用碳氟化合物粗检漏、差压粗检漏及光学粗检漏方法可对具有密闭内腔的元器件进行粗检漏。
b)非密闭元器件进行检漏时可采用氦质谱法作为检漏方法。检漏工作可按照GJB548及GJB1217的规定进行。
今天我们来学习其中的差压粗检漏法。
1、概述
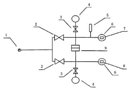
差压粗检漏法检测原理为对位于差压传感器两侧的被检元器件与基准件同时充压,随后测量被检元器件与基准物内腔的压力差,并计算被检元器件的总漏率。检测过程分为小泄漏检测与大泄漏检测两部分。差压粗检漏原理如图 1 所示。
小泄漏检测,将被检元器件和基准件(与被检元器件相同而且是不漏的)分别放置在差压计两端的密闭测试容器中,对密闭测试容器充压,然后进行保压,若被检元器件存在比较小的泄漏,放置被检元器件的密闭容器内的压力会发生变化,检漏仪上的差压计即可检出压差,经过相关计算,即可得出被检元器件的漏率。
大泄漏检测,被检元器件上有较大的漏孔,在对密闭测试容器充压的同时,气体会比较快的进入被检件内腔,导致充压停止以后,被检元器件内腔的压力与所处容器压力相同或相近,虽然被检元器件有较大的漏孔,检漏仪上的差压计只有很小的压差显示,有可能将大漏判断为小漏。为了避免错判,所以必须进行第二步大泄漏检测。采用配容分压的方式,来判断被检元器件上是否存在很大的漏孔。打开两个大泄漏检测阀,使放置被检元器件和基准件的容器与另外一对配容容器相通。如果被检元器件存在很大的漏孔,其内腔的气体加上所在容器的气体的总质量比放置基准物的容器内的气体总质量要多,从而产生另外一个压力差,使差压传感器产生响应。
根据大泄漏及小泄漏检测得到的两个压力差数值,差压检漏仪可以按设定的数据判断被检元器件漏率是否合格。

1——气源;2——平衡阀;3——大泄漏检测阀;4——配容容器;5——校正器;
6——密闭容器;7——被检件;8——基准件;9——差压传感器
图 1 差压粗检漏原理图
2、设备组成及要求
进行压力变化粗检漏所用设备应包括差压式检漏仪、校正器、气源装苴及密闭容器等主要部分。对各组成部分具体要求为:
a)元器件差压式检漏仪应具有足够灵敏度(≤1Pa)的差压传感器,应配备有两个可以连通或隔断、内腔体积相同的对称刚性密闭测试容器,配备有可进行小漏率检测和大漏率检测的装置。差压检漏仪应定期进行检定。
b)校正器应定期进行检定。
c)气源装置应确保不低于 450kPa 的稳定气源压力。
d)其余要求应符合 GJB/Z 221 的规定。
3、检测程序
3.1 校正
针对不同规格的元器件,选择相应的检漏容器,设置检测压力、加压时间、平衡时间、检测时间等,将检漏仪调整在检漏状态。旋转安装在检漏仪上的校正器,测量检漏仪的压力差变化值。当检漏仪的压力差变化值,等于检漏仪一倍噪声对应的压力差数值时,记录校正器的体积变化量,通过计算得到对应的漏率值,该漏率值即为最小可检漏率。
3.2 压力差选择
根据被检元器件的允许漏率,确定小漏率检测时合格品对应的压力差允许值和大漏率检测时不合格品对应的压力差报警值。在检漏仪上设置加压时间、平衡时间、检测时间等参数,设置小漏率检测时合格品对应的压力差允许值和大漏率检测时不合格品对应的压力差报警值。
3.3 加压
将被检元器件与基准件分别放入差压传感器两侧的密封容器内,加盖密封后同时向两个容器内充气加压。
3.4 保压
加压结束后等待一定时间,保证充入到密封容器内的气体能够通过漏孔进入被检元器件内部,导致放置被检元器件的密闭容器内压力逐渐降低。
3.5 小漏率检测
对压力传感器产生的信号进行判读,传感器存在压力差显示时,证明被检元器件存在泄漏。
3.6 大漏率检测
小漏率检测过程结束后,将放置被检元器件与基准物的两容器互通,被检元器件端平衡压力将高于基准物端平衡压力,通过差压传感器的信号输出,可对内部大漏进行判定。
4、失效判据
出现下列情况的元器件应判为失效:
a)作为与氦质谱检漏结合的粗检漏,被检元器件等效标准漏率大于 1*10-5pa·m³/s 时判定为失效;
b)有特殊要求被检元器件规定的允许漏率可大于 1*10-5pa·m³/s 时,按要求的规定值判定是否失效。