今天给大家带来的分享是关于气动减压阀的密封性、可调节的压力范围,以及耐久性试验的内容。
1、密封性试验
1.1 技术要求
a)内泄漏
气动减压阀在输入额定压力和最低工作压力下,处于关闭状态时,保压 30s,出口处应无泄漏。
b)外泄漏
气动减压阀在输入额定压力下,保压 30s,锁紧盖处、膜片连接处、压力表连接处、螺塞及其他外部连接处应无泄漏。阀芯杆顶端为硬密封时,在压力稳定时溢流口处溢流量(ANR)应不大于 1.2dm³/min;阀芯杆顶端为软密封时,溢流口处应无泄漏。
1.2 试验方法
a)内泄漏试验
压力表接口堵塞,输出压力调至最小,输入压力按规定,分别通入额定压力和最低工作压力的气体,保压 30s,用涂肥皂水或者其他方法检查。
b)外泄漏试验
输入压力按规定,输出压力调至最大,出口管路关闭,保压 30s,用涂肥皂水或其他方法检查。
2、可调节的压力范围
2.1 技术要求
气动减压阀在可调节压力范围内应均匀可调,无阶跃现象。
推荐的可调节压力下限应不高于 50kPa。推荐的可调节压力上限建议从下列范围选择:
——100kPa;
——200kPa;
——400kPa;
——800kPa;
——1000kPa:
——1600kPa。
也可采用特殊范围。
2.2 试验方法
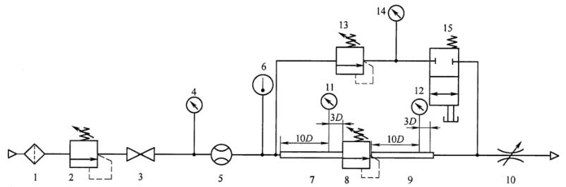
测试回路如图 1 所示。关闭旁通二位二通阀 15,被测阀关闭,开启流量控制阀使减压阀通过微小流量,将输入压力调至样品最高输入压力,缓慢调节减压阀,使输出压力在规定输出压力范围的最大值与最小值之间连续变化,反复两次,记录观察情况。

说明:1——气源和过滤器;2——减压阀;3——截止阀;4、11、12、14——压力表;5——流量计;6——温度计;
7、9——压力测量管;8——被测气动减压阀;10——流量控制阀;13——控制减压阀(非溢流);15——旁通二位二通阀。
注:D 为压力测量管的有效内径
图 1 可调节压力范围测试回路
3、耐久性试验
3.1 技术要求
气动减压阀经 200 万次的耐久性试验后,应能满足 1.1 和 2.1 的规定。
3.2 试验方法
试验回路如图 2 所示。

说明:1——气源;2——截止阀;3——气动减压阀;4、10——二位二通阀;5、8——压力表和截止阀或快换接头;
6——被测气动减压阀;7——容器;9——计数器;11——消声器。
注 1:试验回路并未考虑因元件故障所造成伤害的所有安全装置。实施测试的负责人对于保护人员和设备的安全给予充分考虑是非常重要的。
注 2:测试进行中,容器可能会变热,有必要采取措施保护试验人员安全。
图 2 耐久性试验回路
输入压力按规定,输出压力按规定,二通阀 4 和 10 工作频率为 1Hz,同步反向开关,在耐久测试过程中及测试结束后,均应符合 1.1 和 2.1 的规定。
被测减压阀出口端容器7的容积应不小于表 1 规定的最小容积。
表 1 出口端容器的最小容积
| 气口尺寸 | M5 | G1/8 | G1/4 | G3/8 | G1/2 | G3/4 | G1 |
| 出口端容器的最小容积 cm³ | 2 | 10 | 10 | 25 | 50 | 50 | 100 |
以上就是今天的分享!如果您对用于上述试验的气动减压阀的性能试验装置感兴趣,欢迎与我们联系!
