在上文,我们给大家分享了关于,今天继续把关于海上平台用端部连接耐火试验的内容分享给大家。如果您对用于下述试验所用到的相关试验装置感兴趣,欢迎与我们联系!
1、总则
1.1 范围
本章规定了燃烧条件下对海上平台用 SY/T 5127-2002 中规定的端部连接的承压性能进行试验和评价的要求。本章的性能要求是为各规格或压力等级的端部连接确定可接受的标准极限。本章不涉及陆地或近海平台可能遇到的火灾情况。
燃烧期指燃烧后直至大部分火焰熄灭所需要的最长时间。通常,耐火试验的实际燃烧持续时间比预期的时间要长。
1.2 耐火试验
1.2.1 端部连接耐火成验应以水进行测试。隔离在试验装置(参见图 1)中的水的总体积不应超过一个圆筒形容器的体积,容器的直径等于被试端部连接的标称尺寸,长度等于被试端部连接标称尺寸的两倍。端部连接的中轴线方向应保持垂直或水平。为了验证端部连接在抗弯和抗压设计性能,要求进行第二个试验。

①-压力源;②-调压泄压阀;③-储水罐;④-刻度观测计;⑤-水源;⑥-截止阀;⑦-压力表;⑧-收集凝气的管道;⑨-试验用外罩[端部连接的任何部分和外罩之间的水平间隙至少为150mm(6in)];⑩-外罩的高度至少高出端部连接顶部150mm(6in);⑪-被试端部连接应水平或垂直安装;⑫-可燃气供至燃烧器;⑬-热量计块;⑭-火焰温度热电偶;⑮-截止阀;⑯-排放阀;⑰-止回阀
图 1 推荐的端部连接耐火试验系统示意图
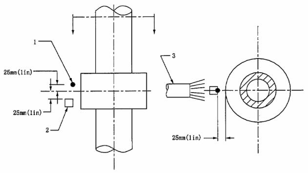
1.2.2 每一个端部连接应暴露在燃烧器的火焰中,火焰应对准图 2 所示的法兰中线。试验设备包括如图 3 所示的,由碳钢制造的边长为 38mm(11/2in)的立方体热量计块和中心位置安装的热电偶,以及一个测量火焰温度的热电偶组成。

1——热电偶;2——热量计;3——燃烧器
图 2 海上环境平台用燃烧器、热电偶和热量计的位置

注1:立方体材质为碳钢。注2:一般公差为±0.8mm(±0.03in)
图 3 热量计块
1.2.3 试验压力应是被试件额定工作压力的 75%。
1.2.4 燃烧过程应从点火开始至少持续 30min,详见“2”。
1.3 弯曲试验
在燃烧周期持续 25min 后,应对一个试验连接件进行表面弯矩的测试。这个过程如果连续且没有出现超出可接受范围的渗漏,则终止该连接件测试,做好记录和报告。
图 4 和图 5 所示为两种施加抗弯构件的推荐方法。如按图 4 进行测试,液压油缸同时对连接件施加拉力和弯矩。应考虑油缸规格以确保其产生的拉力不超过连接件端部总压力载荷的 10%。

1——弯曲构件;2——被试连接;3——活塞气缸
图 4 带一个活塞式液压缸的典型弯曲试验装置

1——弯曲构件;2——受拉活塞;3——被试连接;4——受压活塞
图 5 带两个活塞式液压缸的典型弯曲试验装置
施加弯矩的任何装置应设计成能够安全承受试验负荷,并且不会在连接件与火焰间形成隔离。最高温度火焰施加在弯曲状态下的连接件的拉伸一侧。
1.4 泄漏测试
端部连接的泄漏试验应按图 6 中所示的测试方法进行准确地收集和测量。端部连接的主密封外部应有一个由耐高温材料(如石墨或金属箔填料)制成的二级密封。应从连接外部至主密封和二级密封之间的区域钻两个泄漏孔,从而形成一个闭合腔。被试连接是由两个端部连接相对组成的。

1——被试连接;2——补偿管线;3——泄漏管线;4——冷凝器;5——滤液器;6——滤气器;7——收集器
图 6 测漏系统
应将两根等长的管线连接在泄漏孔上。将第三根等长的管线堵上并与这两根管线一样安装在测试装置上。第三根管线用作补偿泄漏管线中膨胀的空气。
如图 6 所示,这三条管线应依次通过冷凝器、滤液器和滤气器,最后通至量筒中以进行泄漏测量。如用氮气代替滤器中的水,见 2.1 j)中的规定。如果整个试验过程都用水,那么可以不用滤气器和滤液器,直接将冷凝器中排出的液体通入量筒中。也可以不用补偿管线。
将从连接泄漏孔的两条管线排出的液量相加,然后减去从补偿管线排出的液量的两倍即泄漏量。
对于弯曲试验,通过如图 7 所列一个或多个热电偶显示温度持续降低 93℃(200℉)或者更低而测试到的持续泄漏情况可以用来表示弯矩。该试验装置可以代替上述的泄漏试验系统。

1——热电偶;2——热量计
注:三个热量计均匀分布在接头周围。对于179mm(71/16in)和更小的连接,热电偶间的间距最大为45°;对于大于179mm(71/16in)的连接,热电偶间距最大为30°。
图 7 陆上用热电偶和热量计的弯曲试验位置
2、试验程序
2.1 试验步骤(参见图 1)
a)向图 6 所示的泄漏管线施加压力至少至 0.034MPa(5psi),以确保二级密封是有效的。
b)用干燥的氮气吹洗泄漏管线,以确保管线内畅通无阻。
C)打开供水阀(见图 1 中 ⑤ 和 ⑥)和排气阀(见图 1 中 ⑮ 和 ⑯),使水流经整个系统,并排除空气。
d)系统完全充满水后,关闭注水阀(见图 1 中 ⑤)和排气阀(见图 1 中 ⑮ 和 ⑯)。
e)向系统施加适当的试验压力(见表 1)。在燃烧和冷却期保持该压力。如果压力回复的累计时间不超过 2min,且任何泄漏都在验收准则之内,那么允许出现暂时的压降。
f)开启燃料供应阀,点火并监测火焰温度。两个热电偶(见图 1 中 ⑭)的平均温度应在 2min 之内达到 1093℃(2000℉)。根据 g),在热电偶的平均温度达到 982℃(1800℉)之前,保持平均温度在 1093℃~1371℃(2000℉~2500℉)之间,燃烧的其余时间内热电偶读数不得低于 982℃(1800℉)。达到那个温度点后,可以将火焰调节到 g)要求的任何温度以维持热量计温度。
g)热量计(见图 1 中 ⑬)的平均温度在点火 15min 之内应达到 982℃(1800℉)。在燃烧期间热量计最小平均温度应维持在 982℃(1800℉)。
h)燃烧期间每隔 30s 记录一次仪表的读数(见图 1 中 ⑦,⑬ 和 ⑭)。
i)在燃烧期(30min)结束时,关闭燃料阀。
J)将连接件空冷(或允许冷却)到 100℃(212℉)或更低。可用氮气维持试验连接件在这期间的压力。
k)将端部连接泄压。
l)向被试连接件施加压力,试验压力见表 1。
表1试验压力
SY/T5127-2002 端部连接 | 额定工作压力 | 试验压力 a | ||
| MPa | psi | MPa | psi | |
| 18 | 2000 | 10.3 | 1500 | |
| 20.7 | 3000 | 15.5 | 2250 | |
| 35 | 5000 | 25.9 | 3750 | |
| 69.0 | 10000 | 51.7 | 7500 | |
| 105 | 15000 | 77.6 | 11250 | |
| 138.0 | 20000 | 105 | 15000 | |
a 公差为±10%。 | ||||
m)至少保持试验压力 5min。
n)如果要对端部连接进行弯曲试验,重复一次步骤 a)~h)。
o)燃烧 25min 之后,向弯曲试验中连接件施加弯矩。
P)每增加一次弯矩,至少暂停 15s,记录下弯矩,并观测总泄漏量是否超过试验允许的泄漏量,或者如果用了图 7 或图 8 中的热电偶组,观察泄漏情况。
q)在保持总泄漏量没有超过最大允许泄漏量的情况下,记录最大弯矩。
r)记录火焰燃烧和熄灭的持续时间。连接件可以在此时泄压。
2.2 试验调整
在试验期间,除了被试件,可对测试系统进行调节,以保持试验符合本标准相关规定。

1——热电偶;2——热量计;3——燃烧器
注:对于 179mm(71/16in)和更小的连接,热电偶间的间距最大为 45°;对于大于 179mm(71/16in)的连接,热电偶间距最大为 30°。
图 8 陆上海岸用燃烧器、热电偶和热量计的弯曲试验位置
3、性能要求
3.1 验收准则
3.1.1 非弯曲试验
对于图 7 所示测漏系统,在燃烧期和冷却期间,以及降压和再次加压之后的 5min 之内,主密封垫环周长每毫米允许泄漏量 0.04mL/min(每英寸允许泄漏量 1mL/min)。
3.1.2 弯曲试验
a)测漏系统:对于图 6 所示测漏系统,在未加载的燃烧过程和在每次增加弯矩期间,主密封垫环周长上每毫米允许泄漏量 0.04mL/min(每英寸允许泄漏量 1mL/min);
b)热电偶阵列:对于图 7 所示热电偶阵列,允许泄漏量是在未加载的燃烧过程和在每次增加弯矩期间,引起阵列中任何热电偶显示的温度持续下降至低于 93℃(200℉)时的泄漏量;
c)弯矩要求:施加的不会引起过多泄漏量的弯矩不应低于连接件承裁能力的 75%,弯矩或者由 API TR 6AF 中的数据确定或由制造商形成文件的设计参数决定。
4、安全防护
由于被试连接件的设计和试验程序的原因,压力边界组件可能存在爆裂的潜在危险,所以对试验人员应提供安全防护。