润滑系统压力操纵阀(20MPa)是一种用于控制双线终端式集中润滑系统换向、润滑脂锥入度为 265~385(25℃,150g)1/10mm 的压力操纵阀。今天我们来学习关于该型阀的试验条件和方法的内容。
1、试验条件
1.1 基准温度:25℃。
1.2 试验介质:N46 全损耗系统用油(GB/T 443),寿命试验应采用锥入度不低于 310(25℃,150g)1/10mm 的润滑脂。
2、试验方法
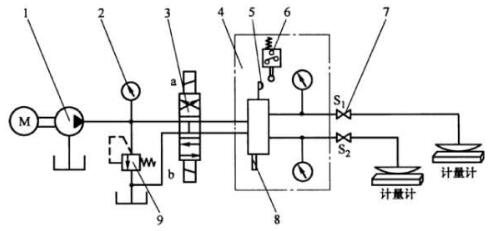
2.1 耐压试验如图 1 所示,关闭截止阀 S1、S2,启动泵 1,分别使三位四通电磁换向阀的 a、b 电磁铁得电后加压至 25MPa 各 10min。此项试验应采用专用耐压试验箱进行,耐压性能应符合规定。

说明:1——泵;2——压力表;3——三位四通电磁换向阀;4——压力操纵阀;
5——指示杆;6——行程开关:7——截止阀;8——压力调节螺灯;9——溢流阀。
图 1 试验原理图
2.2 密封性试验:在做 2.1 中的试验时,目测各部件及各连接处,其性能应符合规定。
2.3 动作试验:调整压力调节螺钉 8,将换向压力调节为 3MPa、4MPa、5MPa、6MPa,观察各调定压力的换向动作状态。其性能应符合规定。
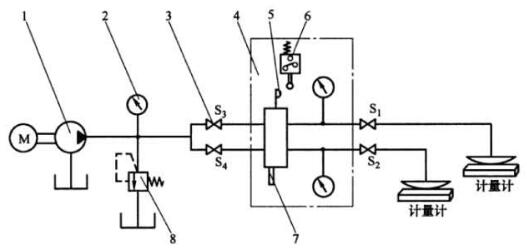
2.4 内部泄漏试验如图 2 所示,关闭截止阀 S1、S4,开启截止阀 S2、S3 后启动泵 1,加压至 20MPa,测定 1min 内截止阀 S2 流出的内部泄漏量,关闭截止阀 S2、S3,开启截止阀 S1、S4 后启动泵 1,加压至 20MPa,测定 1min 内截止阀即流出的内部泄漏量,其性能应符合规定。

说明:1——泵;2——压力表;3——截止阀;4——压力操纵阀;
5——指示杆;6——行程开关;7——压力调节螺钉;8——溢流阀。
图 2 试验原理图
2.5 压差试验:如图 1 所示,将压力操纵阀换向压力调定为 4MPa,三位四通电磁换向阀的 a、b 电磁铁分别得电,观察压力表之间的换向压差,其性能应符合规定。
2.6 行程开关动作试验:将行程开关 6 与报警器接通,当压力操纵阀换向时报警器分别发出报警信号,其性能应符合规定。
2.7 表面涂装检查:目视检查换向阀表面涂装,其性能应符合规定。
2.8 外观质量检查:采用目测法,其外观质量应符合规定。
2.9 寿命试验:将压力操纵阀换向压力调定为 4MPa,以 2次/min 的频率换向 100 000 次,要求试验后不应出现外漏及动作不良现象,拆检各零件不应出现异常现象,其性能应符合规定。
以上就是今天的分享!如果您对用于上述试验的压力操纵阀性能试验装置感兴趣,欢迎与我们联系!