根据相关标准规定,航天用液压过滤器(以下简称滤芯或过滤器)在进行压力冲击和流量脉动疲劳强度试验前,应先进行滤芯材料与工作液相容性试验,然后进行结构完整性试验合格后,再进行压力冲击和流量脉动疲劳强度试验,最后再通过结构完整性试验。具体试验方法如下:
1、滤芯材料与工作液相容性试验
试验前应对滤芯最低起泡点压力进行复验,然后再进行下述试验:
a)将滤芯浸泡于比相关详细规范规定的最高工作温度髙 15℃ 的工作液中,累积 72h;
b)取出滤芯,检査滤芯有无损坏,进行结构完整性试验。
2、压力冲击和流置脉动疲劳强度试验
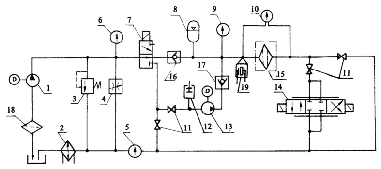
试验装置如图 1,试验方法如下:

1——系统油泵;2——冷却器:3——安全阀;4——节流阀;5——流量计;6、9——压力表;7——电磁阀;
8——蓄能器;10——差压表;11——开关;12——污染物混合器;13——污染物添加泵;14——伺服阀;
15——被试过滤器;16、17——单向阀;18——过滤器;19——压力传感器
图 1 压力冲击和流量脉动疲劳强度试验装置原理图
a)将经过4.6.12.1试验的滤芯装入壳体内,然后把过滤器装到系统中。
b)将系统压力、流量调整到额定值。
c)通过电磁阀7的通断电换向使压力很快由零上升至调定值,然后降为零,而伺服阀14则控制通过的流量使其由零增至调定值或由调定值降为零。由电磁阀7和伺服阀14的换向而对被试过滤器造成压力冲击和流量脉动冲击。按表7规定次数试验。
流量脉动频率为每分钟 120 次。
压力冲击每分钟 1 次,压力由零上升至调定值的过渡过程应在 1s 内完成,升压时峰值压力为 1.4~1.5 倍调定值。压力冲击波形用示波器监测。
压力冲击期间,伺服阎 14 不应工作。
d)压力仍为调定值,通过污染物添加泵 13 向系统加入适量 AC 粉尘使滤芯压差分别为许用压差的 50%、70% 和 90%,按表 1 规定次数进行 4.6.12.2c 项循环试验。
在循环达到表 1 规定次数后停机检査滤芯有无损坏。
表 1
| 压差 | 冲击脉动循环次数 | |
| 压力冲击 | 流量脉动 | |
| 约 20% 许用压差 | 1 125 | 150 000 |
| 50% 许用压差 | 300 | 40 000 |
| 70% 许用压差 | 70 | 9 400 |
| 90% 许用压差 | 5 | 600 |
e)进行滤芯结构完整性检验。
以上就是本次的分享!如果您对用于上述试验的液压过滤器压力冲击和流量脉动疲劳强度试验装置感兴趣,欢迎与我们联系!