今天给大家带来的分享是关于航天用液压过滤器的滤芯结构完整性及密封性和耐压性能的试验方法。
1、滤芯结构完整性试验
滤芯结构完整性是通过气泡试验进行检验。
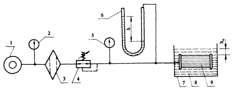
试验装置原理如图1,采用经过微孔尺寸为 0.45μm 的滤膜或过滤器过滤的异丙醇或无水乙醇作为浸泡液。
滤芯装于装置的转轴上,内腔通气源。滤芯纵轴与浸泡液液面平行,滤芯上沿母线到液面的距离 hd 为 12.5mm 滤芯应充分浸湿。
打开气源,调节压力调节器 4 以小增量缓慢升压并使滤芯绕其纵轴缓慢旋转,仔细观察,直到在整个滤芯表面上出现第一个气泡,然后将冒泡点转到最高位置,读出 U 型压力计 6 上的液柱高度 h,并作记录。

1——气源;2、5——压力表;3——空气过滤器;4——压力调节器;
6——U型压力计;7——容器;8——浸泡液;9——被试旗芯
图 1 气泡试验装置原理图
2、密封性和耐压试验
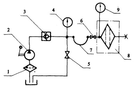
试验装置原理如图 2。

1——过滤器;2——手摇泵;3——单向阀;4、9——压力表;
5、6——开关;7——软管;8——被试过滤器
图 2 过滤器密封性和耐压试验原理图
2.1 常温试验
将灌满工作液的过滤器堵住出油口,用手摇泵从进油口缓慢加压至 0.02MPa 保持 30min 并检査密封性;
继续升压至额定工作压力,保压 3min 并检査密封性,压力降为零,重复试验 1 次;
继续增压至 1.5 倍额定工作压力,保压 2min 并检査密封性和外壳有无异常。
2.2高温试验
将灌满工作液的过滤器堵住出油口置于高温箱内,用手摇泵从进油口注满工作液。将高温箱升温至相关详细规范规定的最高工作温度,保温 4h。
升压至 0.02MPa,保压 30min 并检査密封性;继续升压至额定工作压力,保压 3min 并检査密封性;再继续升压至 1.5 倍额定工作压力,保压 2min 并检査密封性和外壳有无异常。
2.3 低温试验
将灌满工作液的过滤器堵住出油口置于低温箱内,用手摇泵从进油口注满工作液。低温箱降温至相关详细规范规定的最低工作温度,保温 4h。
升压至 0.02MPa,保持 30min 并检査密封性;继续升压至额定工作压力,保压 3min 并检查密封性;再继续升压至 1.5 倍额定工作压力,保压 2min 并检査密封性和外壳有无异常。
2.4 低气压试验
将充满工作液并升压至 0.02MPa 的过滤器置于真空箱内,然后抽真空至 660Pa 并检查密封性;继续升压至额定工作压力,用相同的方法检査密封性。
以上就是今天的分享!如果您对用于上述试验的液压过滤器滤芯结构完整性试验装置及密封性和耐压试验装置感兴趣,欢迎与我们联系!
