本周给大家带来的推荐产品是:井口安全阀控制系统。
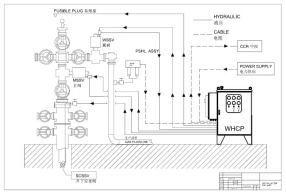
井口安全阀控制系统也叫井口控制盘,是一个本着安全、逻辑简单、性能可靠、能独立关断井口安全阀的系统,系统配有高低压关断功能、易熔塞关断系统、远程及就地紧急关断功能、数据远传功能。
设备主要应用于油气田现场无人值守情况、高压高产井、海洋平台及其他数字化井场等。
设备主要技术参数:
介质:液压油;
增压泵输出压力:MAX.10000psi;
地面安全阀SSV:MAX. 5,000 Psi;
地面安全阀MSV:MAX. 5,000 Psi;
井下安全阀SSSV:MAX.10,000 Psi;
控制回路压力:80~150 Psi(配备减压阀减压范围 0~150Psi).
(参数我们选择了某个客户的案例,选购以实际需求为准!)
设备使用条件:
工作温度:-46℃~121℃;
环境湿度:20%~100%;
安装、防护和防爆等级:露天安装,防护等级IP65,防爆等级EXdIIBT4。
设备布局示意及参考图片:

