设备简介:
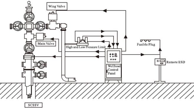
井口安全控制系统(井口控制盘)(Wellhead control panel 简称:WHCP),也称为井口/井下安全阀控制系统,设备按控制井口数可分为单井口控制盘和多井口控制盘。
井口安全控制系统(井口控制盘)主要应用于油、气井地面及井下安全阀的控制,为野外无人值守环境的油(气)井提供安全保护,可有效的防止或者减少油气井事故。适用于陆地、海洋平台、人工岛、沙漠等各种野外环境的高压、高产、高危油(气)井。
设备具有紧急关断,远程关断,工艺关断,火灾关断等功能,动力可采用仪表风、天然气、氮气、太阳能、交流电、直流电。
主要技术参数:
☼ 控制井数:单井/多井;(常用1-20井,更高请咨询)
☼ 控制阀门类型:井下安全阀(SCSSV)、地面安全阀(SSV)、ESDV、其它液动或气动阀门;
☼ 压力输出范围:0~30000PSI;(更高压力请咨询)
☼ 环境温度:- 40~60℃;
☼ 易熔塞熔化温度:160℉(71℃)~281℉(138℃)*可选;
☼ 防爆等级:不低于ExdIIBT4;
☼ 防护等级:不低于IP65;
☼ 柜体材质:不锈钢(304/316/316L)*可选;
☼ 驱动方式:气动/手动/电动/太阳能。
可选配置与功能:
☼ 压力采集;温度采集;H2S气体探测;
☼ 可燃气体浓度探测;RTU;太阳能供电系统;氮气气源。
参考执行标准:
☼ SY/T 7603 石油天然气钻采设备 井口安全控制系统;
☼ APISPEC6A 井口装置与采油树设备规范;
☼ APISPEC14A 井下安全阀设备规范;
☼ APISPEC14D 海上用井口上部安全阀和水下安全阀规范;
☼ APIRP14B 井下安全阀系统的设计,安装,修理和操作;
☼ APIRP14C 海上生产平台地面安全系统的分析、设计、安装和测试;
☼ APIRP500 石油装置用电气设备位置分类的推荐规程;
☼ APIRP55 如何操作含硫化氢的石油天然气生产装置及气体加工厂;
☼ IEC60529 外壳防护等级(IP代码);
☼ IEC60079 电气防爆规范;
☼ SY/T0310 滩海石油工程仪表与自动控制技术规范;
☼ ASME VIII 压力容器建造规则;
☼ ASMEB 31.3 工艺管道。
设备参考图片:

系统原理图:
