今天给大家带来的分享是关于液压泵和马达空载排量测定的试验程序的内容,对用于相关测试的试验装置感兴趣的朋友,欢迎联系我们!
1、总则
1.1 当被试元件为容积式液压马达时,应按照马达的试验程序进行试验;当被试元件为容积式液压泵时,应按照泵的试验程序进行试验。对于一个给定元件,其空载排量按两种试验程序进行试验将得到不同的试验结果。
1.2 选择的被测参量测量值的读取次数及其在测量范围内的分布,应能反映被试元件在整个工作范围内的性能。
1.3 如果不是在油口端面处(泵的出口或马达的进口)测量流量,而是在可选择位置测量流量,应记录相应位置上试验介质的温度和压力,并对流量的测量值进行修正以反映出在被试油口端面的流量。修正要符合 GB/T 17491 的规定。
注 1:流量修正是必要的,这样才能消除被试油口端面处与可选择位置处因温度和压力不同对流最测量值产生的影响。
注 2:在可选择位置测量流量时,累积式流量仪前面的压力控制阀如果是外泄式,还要消除外泄流量对流量测量值产生的影响。
2、容积式液压泵
2.1 在每次的试验期间,输入轴转速与出口油温测量准确度应保持在表 1 中规定的范围内。
表 1 在规定的试验条件下受控参数值的允许变化范围
| 受控参数 | 各测量准确度等级受控参数值的允许变化范围 | ||
| A | B | C | |
| 转速/% | ±0.5 | ±1 | ±2 |
| 流量/% | ±0.5 | ±1.5 | ±2.5 |
| 压力[表压p<0.15(1.5)]/MPa(bar) | ±0.001(±0.01) | ±0.003(±0.03) | ±0.005(±0.05) |
| 压力[表压p≥0.15MPa(1.5bar)]/% | ±0.5 | ±1.5 | ±2.5 |
| 试验介质温度/℃ | ±0.5 | ±1 | ±2 |
| 环境温度/℃ | ±2.5 | ±2.5 | ±2.5 |
| 注:测量准确度等级见附录 A。 | |||
2.2 如果测试的是变量泵,测试时应调定在最大排量和要求的其他排量(如最大排量的 75%、50% 和 25%)下进行。
2.3 如果测试的是双向泵,应对图 1 和图 2 所示的试验回路做适当修改,因为图 1 和图 2 所示的试验回路仅适用于单向泵的试验。

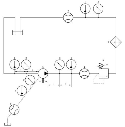
说明:1——温度测量仪;2——压力测量仪;3——被试元件;4——累积式流量仪;
5——压力控制阀;6——温度调节器;7——累积式流量仪(可选择位置)。
注 1:压力和温度测量点的位置见 6.6。
注 2:试验回路中虚线部分仅用于被试元件带壳体泄漏油口的情况。
图 1 泵的开式试验回路

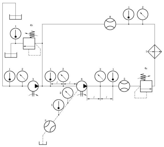
说明:1——温度测量仪;2——压力测量仪;3——供油泵;4——压力控制阀(4a 和 4b);
5——累积式流量仪;6——被试元件;7——温度调节器;8——累积式流量仪(可选择位置)。
注 1:压力和温度测量点的位置见 6.6。
注 2:试验回路中虚线部分仅用于被试元件带壳体泄漏油口的情况。
图 2 泵的闭式试验回路
2.4 按表 2 中规定的增量,测量出口的压力 P2 和流量 qv。
表 2 液压泵和马达压力测试
| 测量准确度等级 | 测量压力的数量 | 整个连续的额定压力范围内 |
| A | 10 个或更多 | 等量增加(至被试元件额定压力的 100%) |
| B | 5 个或更多 | 等量增加(至被试元件额定压力的 100%) |
| C | 3 个或更多 | 在被试元件额定压力的 20%、50% 和 100% 下 |
2.5 依据每一组输入轴转速、进口油温和排量试验条件下的测量结果,利用规定的方法计算空载排量 Vi。
3、容积式液压马达
3.1 在每次试验期间,输出轴的转速与进口油温应保持在表 1 中规定的范围内。
3.2 如果试验的是变量马达,试验时应调定在最大排量和要求的其他排量(如最大排量的 75%、50% 和 25%)下进行。
3.3 如果试验的是双向马达,应对图 3 所示的试验回路做适当修改,因为图 3 所示的试验回路仅适用于单向马达的试验。

说明:1——可控液压源;2——累积式流量仪;3——温度测量仪;4——压力测量仪;
5——被试元件;6——压力控制阀;7——累积式流量仪(可选择位置)。
注 1:压力和温度测量点的位置见 6.6。
注 2:试验回路中虚线部分仅用于被试元件带壳体泄漏油口的情况。
图 3 马达的试验回路
3.4 按表 2 中规定的增量,测量进口的压力力 P1 和流量 qv1,c。
3.5 如果选择马达的出口作为流量测量点,并且被试马达有外泄漏返回油箱,那么根据马达出口流量和壳体泄漏量之和得到的马达进口流量值应根据压力和温度按 1 的规定对其进行修正。
3.6 依据每一组输出轴转速、进口油温和排量试验条件下的测量结果,利用附录B规定的方法计算空载排量 Vi。