今天给大家带来的分享是关于航空液压单向阀(以下简称单向阀)的耐压及耐久性试验方法的介绍。
1、单向阀耐压试验方法
试件放入试验箱,将试验箱内的环境温度调至最高介质温度,并在此条件下使试件温度达到稳定,然后以不大于 3MPa/s 的升压速率顺箭头和逆箭头方向分别向产品施加表 1 规定的压力(此时应堵住另一方向接口),每个方向连续施加两次,每次保持 2min,外部不允许渗漏。
表 1 试验压力

2、单向阀耐久性试验方法
单向阀工作次数按产品专用规范要求执行。单向阀的耐久性试验项目包括“高温耐久性、低温耐久性和常温耐久性”三个内容,试验按如下内容进行。
2.1 总则
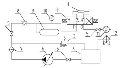
耐久性试验应在模拟其实际工作条件下进行,将产品安装在试验台上,通过控制电磁阀的通断转换,模拟产品的正常通断(产品打开、关闭),试验原理图见图 1。试验时,正向通过产品的流量应控制在(80%~100%)额定流量范围内,试验条件限制时,允许对实际工作条件进行剪裁。耐久性试验应根据每飞行小时工作次数进行折算,具体工作次数应在专用规范中规定。每个阶段后,检查外观质量应符合要求,并按“开启压力、内部密封性、外部密封性”的试验方法检查产品工作性能应合格。

说明:1——被试产品; 4——油箱; 7——油滤; 10——压力表;
2——散热器; 5——开关; 8——单向阀; 11——方向控制阀;
3——溢流阀; 6——油泵; 9——蓄压器; 12——流量计。
图 1 耐久性试验原理图
2.2 高温耐久性
试验的介质温度和环境温度应符合专用规范的规定。工作次数应为总耐久试验时间或工作次数的 20% 或由专用规范规定。
2.3 低温耐久性
试验的介质温度和环境温度应符合专用规范的规定。工作次数应为总耐久试验时间或工作次数的 10% 或由专用规范规定。
2.4 常温耐久性
常温耐久试验应为总耐久试验工作次数减去其他各阶段耐久性试验。除非另有规定,常温耐久性试验先进行。
以上就是今天分享的内容!如果您对用于上述试验的单向阀耐压试验台和单向阀耐久性试验装置感兴趣,欢迎与我们联系!电话:0755-8889 8859!
