今天给大家带来的分享是关于液压电液动换向阀和液动换向阀的耐压和耐久性试验方法。
1、电液动换向阀和液动换向阀耐压性试验
1.1 试验要求
电液动换向阀和液动换向阀各承压油口应能承受该油口最高工作压力的 1.5 倍压力,不应有外渗漏及零件损坏等现象。
1.2 试验方法
各泄油口与油箱连通。调节溢流阀 2-1,调节压力从最低工作压力开始,以每秒 2% 的速率递增,直至被试阀 4 额定压力的 1.5 倍。达到后,保压 5min。

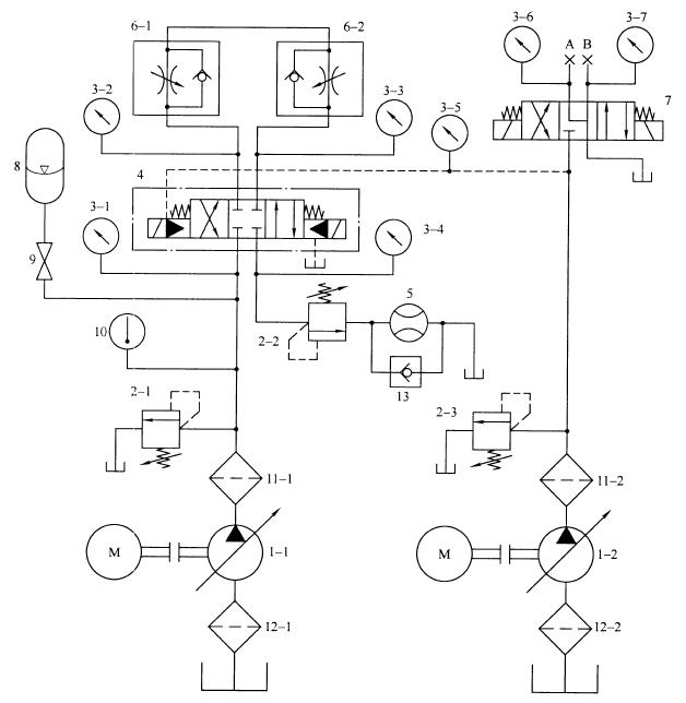
1-1、1-2——液压泵;2-1、2-2、2-3——溢流阀;3-1、3-2、3-3、3-4、3-5、3-6、3-7——压力表;
4——被试阀;5——流量计;6-1、6-2——单向节流阀;7——电磁换向阀;8——蓄能器;9——截止阀;
10——温度计;11-1、11-2、12-1、12-2——过滤器;13——单向阀。
注:图中以“电液动换向阀”符号代表“被试阀”。
图 1 出厂试验回路原理图
2、电液动换向阀和液动换向阀耐久性试验
2.1 试验要求
在额定工况下,电液动换向阀和液动换向阀应能承受耐久性指标规定的动作次数,其零件不应有异常磨损和其他形式的损坏,各项性能指标下降不应超过规定值的 10%。
2.2 试验方法
调节溢流阀 2-1 和单向节流阀 6-1(或单向节流阀 6-2),使被试阀 4 的 P 油口压力为额定压力,再调节溢流阀 2-2,使被试阀 4 的 T 油口压力为规定背压值,并使通过被试阀 4 的流量为试验流量,然后调节溢流阀 2-3,使控制回路达到适当的控制压力。应用换向阀耐久性试验台将被试阀 4 以(20~40)次/min 的频率连续换向,记录被试阀 4 的换向次数,在达到耐久性指标中所规定的换向次数后,检查被试阀4的主要零件和主要性能指标。
为使换向到位,电液动换向阀 4 宜装配成外部控制形式进行耐久性试验。

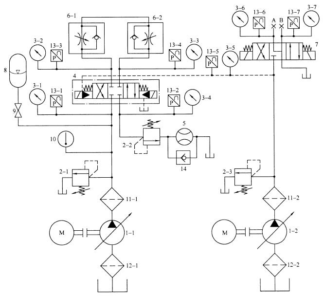
1-1、1-2——液压泵;2-1、2-2、2-3——溢流阀;3-1、3-2、3-3、3-4、3-5、3-6、3-7——压力表;
4——被试阀;5——流量计;6-1、6-2——单向节流阀;7——电磁换向阀;8——蓄能器;9——截止阀;10——温度计;
11-1、11-2、12-1、12-2——过滤器;13-1、13-2、13-3、13-4、13-5、13-6、13-7——压力传感器;14——单向阀。
注:图中以“电液动换向阀”符号代表“被试阀”。
图 2 型式试验回路原理图
以上就是今天的分享!如果您对用于上述试验的液压阀性能试验台感兴趣,欢迎与我们联系!电话:0755-8889 8859.
