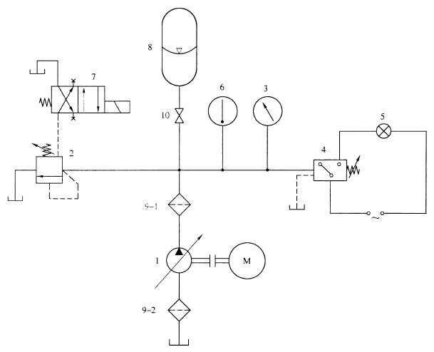
液压压力继电器的出厂试验项目共有 7 项,其中 5 项为必试,2 项为抽试,试验回路原理见下图 1 所示,各项目对应的试验方法如下:

1——液压泵;2——溢流阀;3——压力表(瞬态试验还应接入压力传感器);
4——被试压力继电器;5——指示器;6——温度计;7——电磁换向阀(阶跃加载阀);
8——蓄能器;9-1、9-2——过滤器;10——截止阀。
图 1 试验回路原理图
1、耐压性(抽试)
各泄油口与油箱连通。对各承压口施加耐压试验压力,耐压试验压力为该油口额定压力的 1.5 倍,试验压力以每秒 2% 耐压试验压力的速率递增,直至耐压试验压力。达到后,保压 5min。
2、调压范围及压力稳定性(必试)
调节被试压力继电器 4 的调压装置至全松位置,并调节溢流阀 2,使系统逐渐升压,在指示器 5 刚通电时,由压力表 3 测得被试压力继电器 4 的最低调节压力。然后,调节被试压力继电器 4 的调压装置至全紧位置,并调节溢流阀 2 使系统逐渐升压至指示器 5 通电,由压力表 3 测得被试压力继电器 4 的最高调节压力。反复试验不应少于 3 次。
备注:上述试验方法以被试压力继电器 4 的微动开关系常闭式(即在液压力的作用下,被试压力继电器 4 动作后指示器 5 常通)为例,下同。
3、灵敏度(必试)
调节被试压力继电器 4 至调压范围上限值,调节溢流阀 2 使系统升压或降压,用压力表 3 测量系统升压至指示器 5 刚通电时的压力以及系统降压时指示器 5 刚断电时的压力,两者之间的差值相对于调压范围上限值的百分比,即为被试压力继电器 4 的灵敏度,反复试验不少于 3 次。
4、重复精度误差(必试)
在进行第 3 项试验时,每次试验测得的相应压力(指示器 5 通电时的系统压力或指示器 5 断电时的系统压力)之间的最大差值相对于调压范围上限值的百分比,即为被试压力继电器的重复精度误差。
5、外泄漏(必试)
调节被试压力继电器 4 至调压范围上限值,在被试压力继电器 4 的泄油口测量外泄漏量。
备注:只对于有外泄口的压力继电器做此试验。
6、动作可靠性(抽试)
调节被试压力继电器 4 至调压范围上限值,将电磁换向阀 7(10~20)次/min 的频率连续换向,观察被试压力继电器的动作和指示器 5 的通、断情况。反复试验不少于 3 次。
7、密封性(必试)
在以上各项试验过程中,目测观察被试阀连接面及各连接处密封情况。
以上就是今天的分享!如果您对用于上述试验的液压压力继电器出厂试验回路装置感兴趣,欢迎与我们联系!电话:0755-8889 8859.
