今天给大家带来的分享是关于蓄能器的密封、动作、排出流量性能试验方法。
1、蓄能器的密封性能试验
组装后的蓄能器应按表1规定的充气压力和试验压力进行密封性能试验,保压时间不得少于1 min,各密封处不得有漏气或渗油现象。
表1 密封性能试验条件
蓄能器类型 | 囊式 | 隔膜式 | 活塞式 |
充气压力 | 0.35p | 0.35p | 0.15p |
试验压力 | 1.10p | 1.10p | 1.10p |
2、蓄能器的动作性能试验
组装后的蓄能器应按表2的规定进行动作性能试验,试验过程中不得有漏气或渗油现象。
表2 动作性能试验条件
动作次数 | 充气压力 | 气压偏差/% | 液压油的压力变化范围 | |
囊式、隔膜式 | 活塞式 | |||
不少于10次 | 0.35p | 0.15p | 0〜5 | 0.35p〜0.70p |
3、蓄能器的排出流量试验
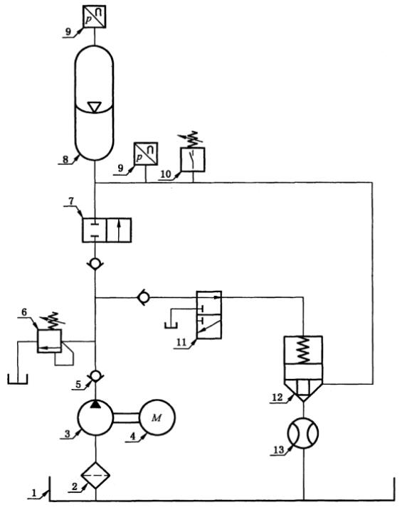
当需方要求提供实际排出流量时,可按照设计条件规定的充气压力及动作压力(油压)的变化,测定排出时间以及排出容积,计算实际排出流量;测试装置参见下图1.

说明:1——油箱;2——空吸过滤器;3——泵;4——电机;5——单向阀;6——减压阀;7——电磁阀1;
8——蓄能器;9——压力传感器;10——压力开关;11——电磁阀2;12——逻辑阀;13——油量计。
图1 蓄能器排出流量测试装置
以上就是今天的分享内容。亿威仕可为您提供蓄能器的相关性能试验装置,如用于上述试验的密封性能试验机,耐压爆破试验机,疲劳试验机等等,如果您有相关的需求,欢迎与我们联系!电话:0755-8889 8859 QQ:459675648。