今天给大家带来的分享是关于液压传动-电调制压力控制阀性能特性试验装置要求的内容。
安全提示:试验过程应充分考虑人员和设备的安全。
对所有类型阀的试验装置,应使用符合图 1、图 2 或图 3 要求的试验回路。
图 1~图 3 所示试验回路是完成试验所需的最基本要求,没有包含为防止元件出现意外故障所需的安全装置。采用图 1~图 3 所示回路试验时,应按下列要求实施:
a)附录 A 给出了试验实施指南;
b)对每项试验可建立单独的试验回路,以消除截止阀引起泄漏的可能性,提高测试结果的准确性;
c)液压试验以阀和放大器的组合进行实施,输入信号作用于放大器,而不是直接作用于阀;对于电气试验,输入信号直接作用于阀;
d)宜使用制造商推荐的放大器进行液压性能试验,否则应记录放大器的类型与主要参数(如脉宽调制频率、颤振频率和幅值等);
e)在脉宽调制信号的启、闭过程中,记录放大器的供电电压、幅值和作用于被试阀上的电压信号大小及波形;
f)电气试验设备和传感器的频宽或固有频率,至少大于最高试验频率的 10 倍;
g)选用的流量计 10 应不能对 Y 口压力产生影响。

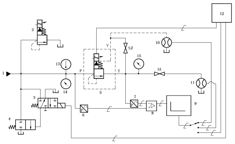
标引说明:
1——油源;2——系统溢流阀;3——卸荷阀的先导阀;4——卸荷阀;5——被试阀;6、7——压力传感器;
8——差动放大器;9——数据采集;10、11——流量计;12——信号发生器;13——温度计;14、15——压力表;
S1、S2——截止阀;P进油口;T——回油口;Y——先导泄油口。
图 1 溢流阀试验回路

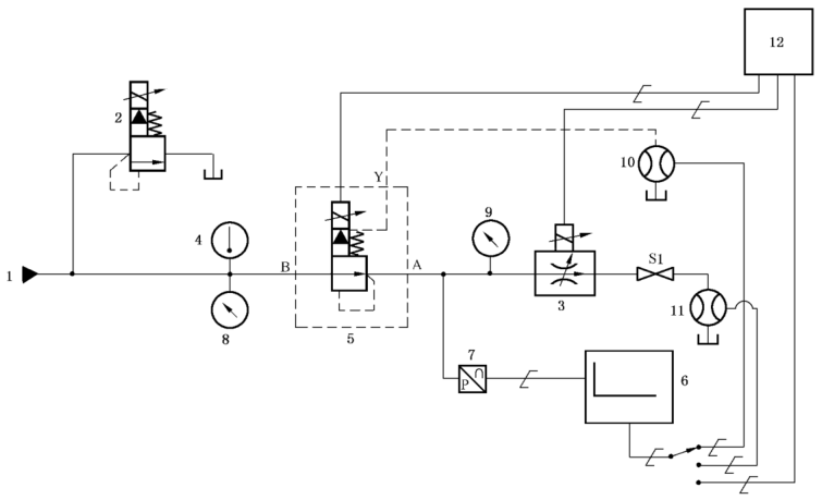
标引说明:
1——油源;2——系统溢流阀;3——流量控制阀;4——温度计;5——被试阀;6——数据采集;
7——压力传感器;8、9——压力表;10、11——流量计;12——信号发生器;
A——出油口B——进油口;S1——截止阀;Y——先导泄油口。
图 2 减压阀试验回路

标引说明:
1——油源;2——系统溢流阀;3——流量控制阀;4——温度计;5——被试阀;6——数据采集;
7——压力传感器;8、9——压力表;10、11——流量计;12——信号发生器;13——方向阀;
T——回油口;A——出油口;B——进油口;S1——截止阀;Y——先导泄油口。
图 3 带反向溢流功能的减压阀试验回路
附录A
(资料性)
试验实施指南
试验之前,被试阀的任何驱动放大器均需根据制造商的说明安装使用。
可使用信号发生器提供连续变化的输入信号,记录仪用来记录压力传感器和流量计所显示的相应压力和流量值。
注 1:阀对输入信号产生的压力和流量响应也可采用逐点法记录,另一个可选择的方法是用逐点法人工记录该压力和流量值。
注 2:输入信号在半个试验周期内仅沿一个方向上升,而在另半个试验周期又沿另一个方向下降。这样的结果可以显现出来阀固有的滞环,使用自动信号发生器,可有效防止信号的误转换。
对于稳态试验,如果输出变化率比记录仪的响应慢,那么信号发生器产生的何种函数类型(如正弦、斜坡等)并不重要。记录仪宜具有将传感器和阀输入信号的幅值调整到合适尺度的功能,也包括使图中轨迹居中的方式。
除自动信号发生器之外,还需要提供带转换开关的手动控制输入信号装置,以便于阀和设备的设定。
宜记录电气调整数据。