减压阀性能试验的试验装置和测量仪表:
1、试验装置
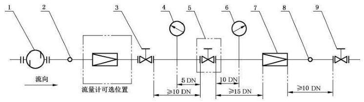
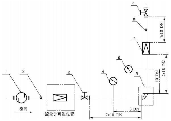
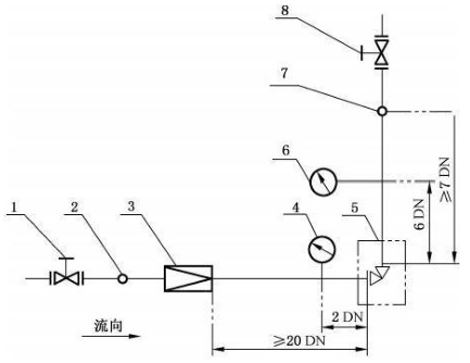
1.1 减压阀性能试验系统示意图见图 1~图 4。

标引序号说明:
1——过滤器;2、8——温度仪表;3、9——节流阀;
4、6——压力仪表;5——被测阀门;7——流量计。
图 1 不可压缩(液体)介质减压阀性能试验系统示意图(直通式)

标引序号说明:
1——过滤器;2、8——温度仪表;3、9——节流阀;
4、6——压力仪表;5——被测阀门;7——流量计。
图 2 不可压缩(液体)介质减压阀性能试验系统示意图(角式)

标引序号说明:
1、8——节流阀;2、7——温度仪表;3——流量计;4、6——压力仪表;5——被测阀门。
图 3 可压缩介质(气体)减压阀性能试验系统示意图(直通式)

标引序号说明:
1、8——节流阀;2、7——温度仪表;3——流量计;4、6——压力仪表;5——被测阀门。
图 4 可压缩介质(气体)减压阀性能试验系统示意图(角式)
1.2 在试验中,试验条件发生变化或偏离时,可以对被测阀门重新进行调整,但不应更换零件。
1.3 被测阀门上下游管段内径应分别与被测阀门进出口通道直径相同。对于公称尺寸不大于 DN250,公称压力不大于 PN100 的被测阀门,上下游管段内径与被测阀门进出口通道直径的偏差应在 ±2% 以内。
1.4 管道内壁应无铁锈、氧化皮或其他可能引起流体过度扰动的障碍物。
2、取压孔和接管
不可压缩介质试验管路取压孔中心线应处于水平位置,应与管道中心线成直角相交。可压缩介质试验管路取压孔中心线应处于水平位置或垂直于管道上方,应与管道中心线成直角相交。取压孔应为圆形,如图 5 所示,其边缘应光滑,呈锐角或微带圆角,无毛刺,取压孔尺寸应符合表 1 的规定。

标引符号说明:
b——取压孔直径,单位为毫米(mm)。
图 5 取压孔示意图
表 1 推荐的取压孔直径(b)
单位为毫米
| 管道尺寸 | 取压孔直径 |
| ≤50 | 3≤b≤6 |
| 50~80 | 3≤b≤9 |
| 100~200 | 3≤b≤13 |
| ≥250 | 3≤b≤19 |
3、测量仪表
3.1 压力测量
压力和压差测量的精度误差应不大于仪表量程的 0.5%,压力表被测压力值应在仪表量程的 30%~70%。
3.2 温度测量
可用温度计或其他测温仪表(如热电偶和热电阻等)。温度计或其他测温仪表可插入套管内。玻璃液体温度计套管应清洁、无锈蚀,其内部可充入沸点高于最高测定温度的适当液体。温度测量仪表分辨值应不低于 ±1℃。
3.3 流量测量
可用流量计或经校准的标准节流装置,也可采用收集并直接称量排放介质的测量方法,仪表的精度等级应不低于 1.0 级。
3.4 测量仪表状态
测量用仪表应按要求进行标定并在有效期内。