今天给大家带来的分享是关于船用液控单向阀(以下简称单向阀)正向压力损失和反向压力损失试验方法的内容。
1、技术参数
单向阀的技术参数按表 1 的规定。
表 1 单向阀技术参数
公称 通径 mm | 公称 压力 MPa | 公称 流量 L/min | 额定 流量 L/min | 压力损失 MPa | 开启压力 MPa | 反向开启 最低控制压力 MPa | 反向关闭 最高控制压力 MPa | 控制活塞 泄漏量 ml/min | 耐久性 万次 | ||
| 正向 | 反向 | 内泄式 | 外泄式 | ||||||||
| 10 | 31.5 | 63 | 50 | ≤0.40 ≤1.00 | ≤0.40 | 0.05±0.01 0.50±0.10 | ≤29.5 ≤30.0 | ≤8.5 ≤9.0 | ≥0.15 ≥0.30 | ≤80 | ≥15 |
| 20 | 200 | 160 | ≤200 | ||||||||
| 32 | 400 | 320 | ≤400 | ||||||||
| 50 | 800 | 630 | - - | ≤800 | |||||||
| 63 | 1250 | 1000 | ≤1200 | ||||||||
| 80 | 2000 | 1600 | ≤1800 | ||||||||
注:有上、下层2个指标值的项目,上层的指标值相互对应,下层的指标值相互对应。 | |||||||||||
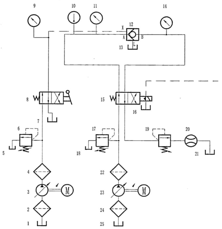
2、正向压力损失
按图 1 所示,使通过被试阀 12 的流量为试验流量,记录压力表 11 和表 14 的压力值,其压差即为被试阀 12 的正向压力损失。对被试液控单向阀,应在控制压力为零和控制压力使被试液控单向阀全开两种情况下试验正向压力损失。结果应符合“1”的要求。
3、反向压力损失
按图 1 所示,将电液动换向阀 15 和手动换向阀 8 换向到右边位置,调节溢流阀 6,使控制压力能保证被试阀 12 全开,并使反向通过被试阀 12 的流量为试验流睛,记录压力表 11 和表 14 的压力值,其压差即为被试阀 12 的反向压力损失。结果应符合“1”的要求。

说明:
1、5、7、13、16、18、21、25——油箱;2、24——粗滤清器;3、23——液压泵;
4、22——精滤清器;6、17、19——溢流阀;8——手动换向阀;9、11、14——压力表;
10——温度计;12——被试阀;15——电液动换向阀;20——流量计。
图 1 试验回路原理图