今天给大家带来的分享是关于截止阀的静压寿命试验技术要求的内容。
1、需进行静压寿命试验的截止阀,密封性能应符合 GB/T 13927 或 GB/T 26480 的规定。
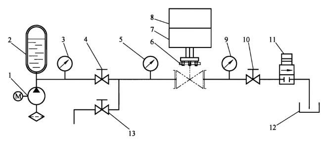
2、静压寿命试验的试验系统原理如图 1 所示。
3、截止阀试验时,应按阀体上标注的流向安装,且阀杆应竖直朝上。
4、无论截止阀采用何种驱动方式操作,进行静压寿命试验时,其所配带的操作装置应一同进行启闭循环试验。
5、试验介质为常温水或气体。
6、静压寿命试验时,截止阀到达关闭位置后,应将截止阀的出口侧介质压力释放;截止阀由全关位置开启时,其两端的介质压差为 1〜1.1 倍最大允许工作压力;截止阀关闭过程中,体腔内应充满试验介质并保持 50% 以上最大允许工作压力。
7、静压寿命试验时,截止阀的关闭状态应由驱动装置输出力矩控制。以全关保持密封位置为起点,阀门的开度应达到其实际开度的 90% 以上。开启行程位置的偏差应不超过 5%。
8、截止阀的操作力矩,为密封性能试验时可以保持密封性能的情况下,测量所得到的启闭操作的操作力矩。

说明:
1——泵;2——稳压容器;3——压力表;4——进水阀;5——阀前压力表;6——被试阀;7——行程控制机构;
8——驱动机构;9——阀后压力表;10——阀后控制阀;11——泄压阀;12——水箱;13——进气阀。
图 1 静压寿命试验系统原理
9、静压寿命试验过程中,每启闭循环 500 次或双方协商确定的次数,进行一次密封性能和操作力矩的检査。密封性能合格后,继续试验。
10、启闭循环试验期间,若操作机构的输出力矩不满足截止阀密封性能,允许调整操作机构的力矩手动或蜗轮蜗杆机构操作的截止阀,施加在手柄或手轮上的操作力不得超过 360N;电动、液动、气动或其他电-液气联动装置操作的截止阀,用其他配带操作机构调整操作力矩,不得更换执行机构行试验。
11、静压寿命试验记录参见表 1。
表 1 静压寿命试验记录

以上就是今天的分享!如果您对用于上述试验所需的阀门静压寿命试验装置感兴趣,欢迎与我们联系!
