真空阀门的漏率测试:
1、测试方法
采用氦质谱检漏法测量漏率。高真空微调阀、超高真空挡板阀、超高真空插板阀、超高真空蝶阀使用氦罩法测试。
2、测试装置
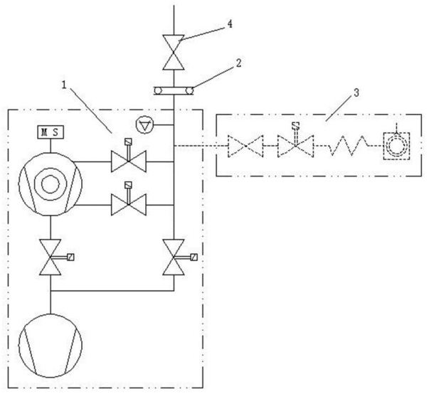
测试装置如图 1 所示,由氦质谱检漏仪、检漏台及真空辅助系统组成。如有需要,可采用 GB/T 34878 中描述的测量装置。

标引序号说明:
1——氦质谱检漏仪;2——检漏台;3——真空辅助系统(选用);4——被测阀门。
图 1 漏率测试装置
3、测试步骤
3.1 氦质谱检漏仪灵敏度(qmin)的测试
在测试漏率之前,按图 1 所示,在检漏台接口处连接标准漏孔,测得灵敏度(qmin)。
3.2 阀门总体漏率(Qm)的测试
3.2.1 将阀门由阀板直接封隔或开启的阀口与检验台接口相对接,阀门的另一法兰口用盲板封隔。
3.2.2 开启阀门的阀板,启动真空系统,待阀体内压力降到 10Pa 时,接通氦质谱检漏仪继续抽空,当测试装置压力降至基础压力或接近基础压力时,关闭真空辅助系统的阀门,记录氦质谱检漏仪输出信号值(U1)。
3.2.3 使用喷吹法时,用氦气喷枪在阀门待检漏的位置以一定速度喷吹氦气,分别记录下各漏孔的氦质谱检漏仪输出信号值,计算其和 Un。
3.2.4 使用氦罩法时,使用由密质材料(如塑料薄膜等)制成的钟罩将阀门严密扣封,并向罩内充入氦气,记录氦质谱检漏仪输出的稳定氦信号值,即 Un。
3.2.5 阀门总体漏率 Qm 按公式(1)计算:
Qm=(Un−U1)×qmin ················································(1)
式中:
Qm——漏率,单位为 Pa·m³/s;
Un——氦质谱检漏仪输出的稳定氦信号值,或各漏孔的氦质谱检漏仪输出信号值之和,单位为 mV;
U1——氦质谱检漏仪输出信号值,单位为 mV;
qmin——氦质谱漏仪的灵敏度,单位为 Pa·m³/(s·mV)。
3.3 阀门正向漏率(Qr)的测试
测试步骤如下:
a)将阀门由阀板直接封隔或开启的阀口与检验台接口相对接,阀门的另一法兰口与大气相通;
b)关闭阀门的阀板,启动真空系统,待系统内压力降到 10Pa 时,接通氦质谱检漏仪继续抽空,当测试装置压力降至或接近基础压力时,关闭通向真空系统的阀门,对阀板以下空间进行测试,记录氦质谱检漏仪输出信号值(U1);
c)使用喷吹法时,将氦气喷枪深入阀门体内,向阀门表面及密封口周围喷吹氦气,分别记录下各漏孔的氦质谱检漏仪输出信号值,计算其和 Un;
d)或,使用氦罩法时,使用由密质材料(如塑料薄膜等)制成的钟罩将阀门严密扣封,并向罩内充入氦气,记录氦质谱检漏仪输出的稳定氦信号值,即 Un;
e)设定 Qr=Qm,可按公式(1)计算 Qr。
3.4 阀门反向漏率(Qb)的测试
测试步骤如下:
a)关闭阀门的阀板,将阀门的另一法兰口与检验台接口相对接并连通;
b)启动真空系统,按 3.2.2 进行测试,记录氦质谱检漏仪输出信号值(U1);
c)使用喷吹法时,用氦气喷枪从外部向阀门阀板表面、密封口周围和阀门外表面喷吹氦气,分别记录下各漏孔的氦质谱检漏仪输出信号值,计算其和 Un;
d)或,使用氦罩法时,使用由密质材料(如塑料薄膜等)制成的钟罩将阀门严密扣封,并向罩内充入氦气,记录氦质谱检漏仪输出的稳定氦信号值,即 Un;
e)设定 Qb=Qm,可按公式(1)计算 Qb。
3.5 阀门漏率的具体测试内容
阀门漏率的具体测试内容应符合表 1 的要求。
表 1 阀门漏率测试内容
| 阀门类型 | 总体漏率 | 正向漏率 | 反向漏率 |
| 电磁真空带充气阀 | Δ | Δ | ― |
| 电磁高真空带充气压差阀 | Δ | Δ | ― |
| 电磁高真空挡板阀 | Δ | ― | Δ(≤DN40) |
| 电磁高真空充气阀 | ― | ― | Δ |
| 高真空微调阀 | Δ | Δ | ― |
| 高真空隔膜阀 | Δ | Δ | ― |
| 电磁真空带充气阀 | Δ | Δ | ― |
| 电磁高真空带充气压差阀 | Δ | Δ | ― |
| 电磁高真空挡板阀 | Δ | ― | Δ(≤DN40) |
| 电磁高真空充气阀 | ― | ― | Δ |
| 高真空微调阀 | Δ | Δ | ― |
| 高真空隔膜阀 | Δ | Δ | ― |
| 高真空蝶阀 | ― | ― | Δ |
| 高真空挡板阀 | Δ | Δ | ― |
| 高真空插板阀 | ― | ― | Δ |
| 高真空摆阀 | ― | ― | Δ |
| 真空球阀 | Δ | Δ | ― |
| 超高真空挡板阀 | Δ | ― | Δ |
| 超高真空插板阀 | ― | ― | Δ |
| 超高真空蝶阀 | ― | ― | Δ |
注:Δ 表示进行测试的项目。"―" 表示不做测试的项目。 | |||