涡轮增压器-电子调压阀的最大&最小动作压差试验方法。
1、最大动作压差试验
1.1 技术要求
按规定的试验方法,在最大动作压差及 85%UN(交流)或 90%UN(直流)条件下,电磁阀应能正常开闭。
1.2 试验方法
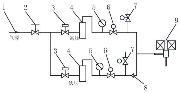
把电磁阀安装在图 1 所示的装置上,使电磁阀规定流向与试验系统介质流向相同,电磁线圈接通最低允许电压(交流额定电压的 85%,直流额定电压的 90%);电磁阀入口压力缓慢升高到最大工作压差值,通过通断电动作,电磁阀连续正常开闭至少 3 次,试验结果应满足 1.1 的要求。

标引序号说明:
1——气源;2——截止阀;3——减压阀;4——储气罐;5——压力表;6——进气电磁阀;
7——排气电磁阀;8——单向阀;9——被测电磁阀。
图 1 最大动作压差试验装置
2、最小动作压差试验
2.1 技术要求
电磁阀正常动作的最小压差:直动式电磁阀为 0MPa,先导式电磁阀应不大于 0.03MPa。按规定的试验方法,在允许的最低电压下,电磁阀应能正常开闭。
2.2 试验方法
把电磁阀安装在图 1 所示的装置上,将电磁阀按规定的流向与试验系统介质流向相同,试验电压为最小允许电压,电磁阀关闭时,阀前后压差调为最小开阀压差值,然后使电磁阀开启,电磁阀开启后通过减压阀调节使阀前后压差达到最小开阀压差值,通过判断流量的方式判断电磁阀是否完全开启,电磁阀正常开闭至少 3 次,试验结果应满足 2.1 的要求。