冲刷试验管路装置结构:
1、管路冲刷腐蚀试验装置
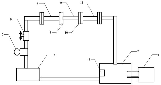
管路冲刷腐蚀试验装置结构如图 1 所示。其中,水箱应具有水温、水质监测与调节功能,容积应大于或等于 1m³。夹持法兰的结构见图 2,实际应用中可根据试验目的或要求选择管路组成。

标引序号说明:
1——水温控制系统;2——水箱;3——水质监测系统;4——水泵;5——流量计;6——阀门;
7——前端稳流管;8——带凹槽的夹持法兰Ⅰ;9——试验管;10——带凹槽的夹持法兰Ⅱ;11——后端稳流管。
图 1 管路冲刷腐蚀试验装置示意图
2、试验管路夹持法兰连接
试验管路夹持法兰连接如图 2 所示,其中夹持法兰应为绝缘材料,试验管路的长度与管径应根据试验要求选择。

标引序号说明:
1——带凹槽的夹持法兰;2——密封圈;3——试验管路;4——凹槽;5——螺杆。
图 2 试验管路夹持法兰连接示意图