今天给大家带来的分享是关于洗衣机和洗碗机用橡胶和塑料进水软管和软管组合件耐液压脉冲试验的内容。
洗衣机和洗碗机用橡胶和塑料进水软管和软管组合件适用于将洗衣机和洗碗机连接到压力不大于 1MPa(10bar)的民用水源,根据软管材料和水源温度,软管分为下列 3 种型别:
1 型:橡胶软管,用于输送中等温度水(最高温度 70℃)——最大工作压力 1MPa(10bar);
2 型:橡胶软管,用于输送高温水(最高温度 90℃)——最大工作压力 1MPa(10bar);
3 型:塑料软管,用于输送低温水(最高温度 60℃)——最大工作压力 0.8MPa(8bar)。
成品软管组合件的耐液压脉冲试验按如下要求步骤进行:
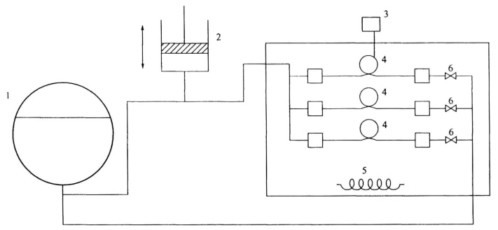
软管组合件应连接到如图 1 所示的能承受脉冲压力的水循环装置上。

说明:
1——压力罐;2——脉冲发生器;3——恒温器;
4——以环形安装的软管组合件;5——加热元件;6——安全阀。
图 1 耐脉冲性能试验装置
软管组合件应注满下列温度的水:
3 型软管 60℃±2℃;
1 型软管 70℃±2℃;
2 型软管 90℃±2℃。
然后使软管组合件承受 25 000 个周期的正弦波脉冲,下限压力为 1MPa(10bar),上限压力为 2MPa(20bar),应调节恒温器,以使试验箱中的温度保持在软管组合件中水温规定的限度之内。软管组合件应以环形安装,环的直径约为 300mm,脉冲频率应为 0.5Hz~0.6Hz。脉冲曲线示例见图 2。

说明:
X——时间,单位为秒(s);Y——压力,单位为兆帕(MPa);1——脉冲曲线。
图 2 脉冲压力图
试验期间,软管组合件不应爆破或出现诸如泄漏或起泡之类的缺陷,也不应有接头滑脱现象。
以上就是今天的分享!如果您对用于上述试验的软管耐脉冲性能试验装置感兴趣,欢迎与我们联系!
