今天给大家带来的分享是关于柴油机-柴油滤清器原始阻力试验方法的内容。
测量滤清器在额定体积流量时,试验油通过滤清器的压差,此项试验应在原始滤清效率与滤芯堵塞寿命的试验之前,清洁度与气泡试验之后进行。
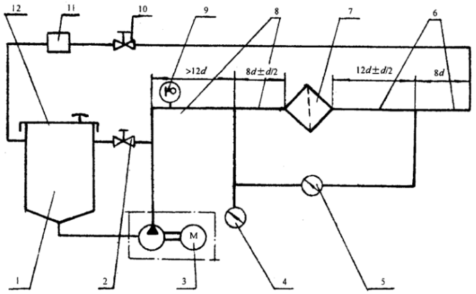
1、试验装置见图 1。
2、试验油温度为 23℃±5℃。

1——贮油箱(最小容量 10L);2——旁通阀;3——油泵机组(可调速);4——压力表(量程 0~0.16MPa)
5——压差计;6——滤清器出油连接管;7——被试滤清器;8——滤清器进油连接管;
9——温度表;10——控制阀;11——流量计;12——带通气孔盖
注:d——管道内径。
图 1 原始阻力试验装置原理图
3、试验程序
3.1 用 0.8μm 的X型微孔滤膜过滤试验油,过滤时通过滤膜的压差应不超过 0.085MPa。
3.2 将被试滤清器连接在试验台上,起动试验系统,使滤清器及管路系统充满油,并排净其内部的空气,必要时可将滤清器倒转。
3.3 关闭控制阀(10),用旁通阀(2)将压力调节至实际使用压力,调节压差计(5)的零点。
3.4 开启控制阀(10),使滤清器前压力表(4)的读数重新建立起来,并达到实际使用压力。调节流量,使流量计(11)的指示值达到规定值。
3.5 记录压差计(5)的读数,单位:kPa。
4、试验报告
试验报告应包括下列内容:
a)滤清器制造厂;
b)产品名称及型号;
c)额定体积流量,L/min;
d)试验油;
e)试验油温度,℃;
f)滤清器连接管(6)、(8)的实际内径;
g)试验结果(压差 Δp、kPa,额定体积流量 Q,L/min);
h)试验单位及试验人员;
i)试验日期。
以上就是今天的分享!如果您对用于上述试验的滤清器原始阻力试验台感兴趣,欢迎与我们联系!
