自动喷水灭火系统-压力开关 pressure switch,是自动喷水灭火系统中的一个部件,其作用是将系统的压力信号转换为电信号。
今天我们来学习该型压力开关工作可靠性试验的内容。
1、工作可靠性要求
1.1 普通型压力开关,按 2.2.1 规定的方法进行工作可靠性试验,压力开关动作应灵活、可靠,不得出现任何故障和结构损坏。本试验后,按规定的方法测量压力开关的触点接触电阻,其值不应大于 0.5Ω。
1.2 预作用装置压力开关,按 2.2.2 规定的方法进行工作可靠性试验,压力开关动作应灵活、可靠,不得出现任何故障和结构损坏。本试验后,按规定的方法测量压力开关的触点接触电阻,其值不应大于 0.5Ω。
1.3 特殊型系统压力开关,按 2.2.1 规定的方法进行工作可靠性试验,试验次数和温度由厂家提供,试验过程中压力开关动作应灵活、可靠,不得出现任何故障和结构损坏。按规定的方法测量压力开关的触点接触电阻,其值不应大于 0.5Ω。
2、工作可靠性试验方法
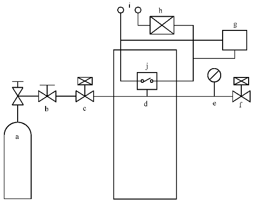
2.1 试验装置
试验装置如图 1 所示。
该试验设备为一气动驱动装置,使压力开关以(10±3)次/min的速率动作。每次动作通过动作鉴别电路及计数装置来判定及记录。
对于记忆式压力开关,每次需要人工复位,或专用复位机构来复位,动作速率可不按上述要求,但累计次数必须达到本条要求。

a——压缩空气或氮气容器;b——手动减压阀;c——电磁阀1;d——调温箱;
e——压力表;f——电磁阀2;g——计数装置;h——负载;i——电源;j——被测压力开关。
注:本试验也可用水压系统来实现。
图 1 工作可靠性试验装置
2.2 试验方法
2.2.1普通型压力开关的工作可靠性试验
将普通型压力开关按其正常工作位置安装在试验设备上,其常开触点接额定负载,每次动作由计数装置进行记录。
试验在常温、高温和低温下进行,高、低温试验应使压力开关至少在该环境中保持 1h 后进行,次数见表 1。
表 1 工作可靠性试验次数
| 序号 | 试验压力 | 温度 /℃ | 动作次数 | |
| 1 | 压力开关最高动作压力值 | 常温 | 20+5 | 100 |
| 2 | 高温 | 50±3 | 10 | |
| 3 | 低温 | 0±3 | 10 | |
试验结果应符合 1 的要求。
试验后检验强度渗漏情况及触点接触电阻,试验结果应符合要求。
2.2.2 预作用装置压力开关工作可靠性试验
将预作用装置压力开关按其正常工作位置安装在试验设备上,其常开触点接额定负载,每次动作由计数装置进行记录。
试验在常温、高温和低温下进行,高、低温试验应使压力开关至少在该环境中保持 1h 后进行,次数见表 2。
表 2 工作可靠性试验次数
| 序号 | 试验压力 | 温度 /℃ | 动作次数 | |
| 1 | 压力开关最高动作压力值 | 常温 | 20+5 | 5000 |
| 2 | 高温 | 50±3 | 100 | |
| 3 | 低温 | 0±3 | 100 | |
试验结果应符合 1 的要求。
试验后检验强度渗漏情况及触点接触电阻,试验结果应符合要求。