今天给大家带来的分享是关于井口装置中安全阀的设计确认程序-试验设备的要求的相关内容。
1、试验系统流程
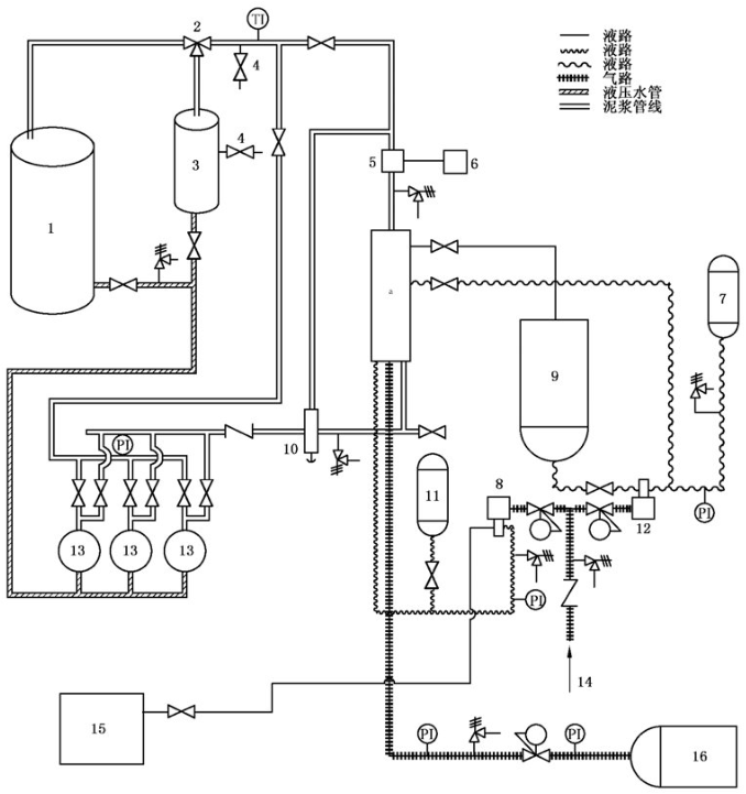
典型试验系统流程和试验段详图如图 1 和图 2 所示。
循环管线应具有承受循环压力的能力。试验段中的上游隔离阀,压力测试装置、阀以及其与所测试 SSV/USV/BSDV 阀组件之间的配件,应设计成至少满足被测试阀的额定工作压力,较低额定工作压力值的组件应采取合适的泄压阀进行保护。

标引序号说明:
1——水罐;2——二位三通换向阀;3——泥浆罐;4——含砂量和粘度分析取样连接;5——流量计;
6——流量记录仪;7——液压油蓄能器(液压油供给);8——高压水供给泵;9——液压油箱;
10——可调背压控制;11——高压水蓄能器(高压水供给);12——液压油供给泵;
13——循环泵;14——空气供给;15——清洁清水罐;16——氮气罐。
a 见图 2 试验段详图。
图 1 Ⅱ类含砂环境条件下 SSV/USV/BSDV 确认试验的管线布置、试验设备详图

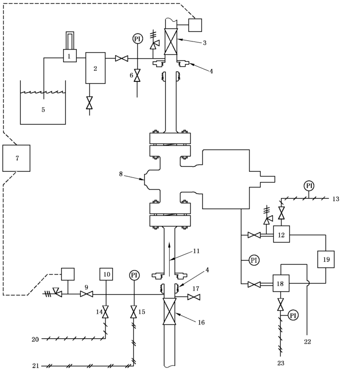
标引序号说明:
1——空气流量计;2——漏失氮气分离器;3——下游隔离阀;4——锤击活接头(由壬);5——水;
6——下游泄漏检查阀(下游泄压阀);7——差压变送器;8——SSV/USV;9——差压变送器隔离阀;
10——上游压力变送器;11——试验流体流向;12——气动三通电磁阀;13——空气供给;
14——氮气压力管汇阀;15——高压水管汇阀;16——上游隔离阀;17——上游泄漏检查阀(上游泄压阀);
18——液动三通电磁阀;19——控制气动和液动电磁阀的开关循环计次仪;20——氮气供给;
21——高压水供给;22——液压油返回油箱;23——液压油供给。
图 2 SSV/USV/BSDV 确认试验段详图
2、循环系统组件
2.1 清水罐
至少具备 0.8m³ 的容积,并装有具有关闭控制的低液位泵。
2.2 砂浆罐及其附件
砂浆罐是至少具有 0.8m³ 容积的带锥底的圆柱形罐,并装有搅拌器,以获得均匀的砂浆。
在罐和罐的回流管线上应设计取样口,以便获得具有代表性的含砂量和粘度分析样品。砂浆罐应装有高低液位关闭控制装置。黏度和含砂量应按 GB/T 16783.1 的规定进行确定。
2.3 循环泵和控制设备
带驱动的循环泵和控制设备应按规定的流量及压力泵送砂浆和清水。
至少有一台泵应装有变速马达,以便控制循环流量。每台泵的马达应装有不能修改的计时装置,以便监测泵送持续时间。
2.4 循环管线和控制设备
循环管线和控制设备宜按与图 1 所示的相似布置图安装。在砂浆罐的回流管线上应安装能提供搅拌的装置,以利于阻止砂浆沉积罐底。应按图 2 所示,在循环泵和试验段之间安装节流阀或其他如背压控制装置,以便在循环试验中将 SSV/USV/BSDV 的压差控制在 2.8MPa。
2.5 循环流量计
循环流量计量程的最小流量为 0.3m³/min,并提供一个适合于长图记录仪的输出信号。
2.6 检测/记录仪
配备的压力检测仪器应满足要求。至少应有检测记录下列信号的仪器:
——所有流程试验期间的循环流量;
——阀座渗漏试验期间的 SSV/USV/BSDV 阀组件上游试验压力;
——关闭试验期间,正在经受试验的 SSV/USV/BSDV 阀组件两侧的压差。
数据采集系统应适应模拟信号随时间变化的分辨率。当用适当的文件规定和有资格的人员认可后,其他基于时间记录的工艺方法也可使用。
检测、记录仪器的校准要求应满足要求。