家用和类似用途饮用水处理装置的结构性能试验-「亿威仕」

家用和类似用途饮用水处理装置的结构性能试验

0     编辑:亿威仕 | 市场部     2025-05-08    

家用和类似用途饮用水处理装置(以下简称“饮用水处理装置”)的结构性能试验:

1、结构要求

饮用水处理装置在进行表 1 规定的静水压力试验和循环压力试验时应无渗漏或破裂现象。

表 1 结构整体性测试要求

序号饮用水处理装置静水压力测试 a循环压力测试 a
1

配备外径 <203mm 承压部件的系统 b

3 倍最大工作压力或 2.07MPa

从 0 到 1.04MPa 或最大工作压力下循环 100 000 次

配备外径 ≥203 mm承压部件的系统 b

1.5 倍最大工作压力或 1.04MPa

从 0 到 1.04MPa 或最大工作压力下循环 100 000 次

2非连续开放式排水的系统 c1.5 倍最大工作压力或 1.04MPa从 0 到 0.345MPa 循环 10 000 次

1:储水压力罐不进行上述试验。

2:进水端与大气连通且内部无增压装置的饮用水处理装置不进行上述试验。

a 如果表中列出可选择的压力值,测试应以较高的压力进行。

b 承压部件指滤芯等承受压力的部件。承压部件的外径以最小值计。

c 非连续开放式排水的系统是指安装在输配水管网开/关阀门下游,且由开/关阀控制其出水的系统。在开/关阀门处于关闭模式下,该系统不承受水网压力。如该开/关阀为使用者自有的,则应进行序号2的试验;如开/关阀由制造商提供,在开/关阀关闭状态下,还应进行序号 1 的试验。

2、结构试验方法

2.1 试验装置

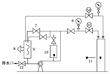
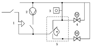
在进行结构性能试验时,应在封闭隔离的环境下进行,以防止在试验过程中发生造成人员伤害或财产损坏的危险。循环压力和静水压力的试验装置如图 1 所示。

图 1 结构性能试验装置示意图a)循环控制系统图 1 结构性能试验装置示意图b)结构性能试验系统
a)循环控制系统b)结构性能试验系统

标引序号说明:

1——低水位报警器;2——泵;3——计数器;4——电磁阀;5——循环定时器;6——压力表;7——减压装置;

8——低水位报警器;9——储水罐;10——空气缓冲罐;11——测试单元;12——排水装置。

图 1 结构性能试验装置示意图

2.2 静水压力测试

静水压力测试应按照下述步骤进行:

a)应使用温度为 13℃~24℃ 的水。测试过程中应不会有水在测试单元表面发生凝结;

b)测试系统应注满水并对系统进行冲洗以排气;

c)压力的上升速率不应超过 0.69MPa/s,在 5min 内达到测试产品标准规定的压力;

d)测试压力应保持 15min。应定期检查系统直到测试结束以查看其是否漏水。

:对于非连续水源供水的饮用水处理装置,将其人工补水模式改成在无压条件下自动补水模式运行试验;对于自带废水回流模式的饮用水处理装置,更换原水时可采用人工模式或工装模式运行试验。

2.3 循环测试

循环压力测试应按照下述步骤进行。

a)在整个测试期间水温应保持在(20±3)℃。试验开始时确保不会有水在测试的单元表面形成冷凝。

b)将待测系统的进水口连接到测试仪器上。系统应按照正常使用状态运行,并带有可塞式下水管道。

c)注满待测设备然后充放水以将系统内的空气全部排出。

d)将计数器归零,或记下初始读数和初始循环压力。升压时间不小于 1s,在下一次循环开始之前,待测系统的压力应回归到 0.014MPa 以下。

e)应按照规定压力进行循环测试。在每个测试周期结束时应当定期检查一次系统的水密性。

:对于非连续水源供水的饮用水处理装置,将其人工补水模式改成在无压条件下自动补水模式运行试验;对于自带废水回流模式的饮用水处理装置,更换原水时可采用人工模式或工装模式运行试验。


以上就是今天的分享!如果您对用于上述试验的饮用水处理装置结构性能试验装置感兴趣,欢迎与我们联系!