今天给大家带来的分享是关于蓄能压力容器(简称“蓄能器”) 动作性能和排出流量试验方法的内容。
蓄能器是指利用气体的可压缩性,由气腔内气体压力给液端液体施压的容器,其产品类型包括:
——囊式蓄能器;
——隔膜式蓄能器;
——活塞式蓄能器。
1、动作性能试验
组装后的蓄能器应按表 1 的规定进行动作性能试验,试验过程中不得有漏气或渗油现象。
表 1 动作性能试验条件
| 动作次数 | 充气压力 | 气压偏差,% | 液压油的压力变化范围 | |
| 囊式、隔膜式 | 活塞式 | |||
| 不少于 10 次 | 0.35 p | 0.15 p | 0~5 | 0.35 p~0.70 p |
2、排出流量试验
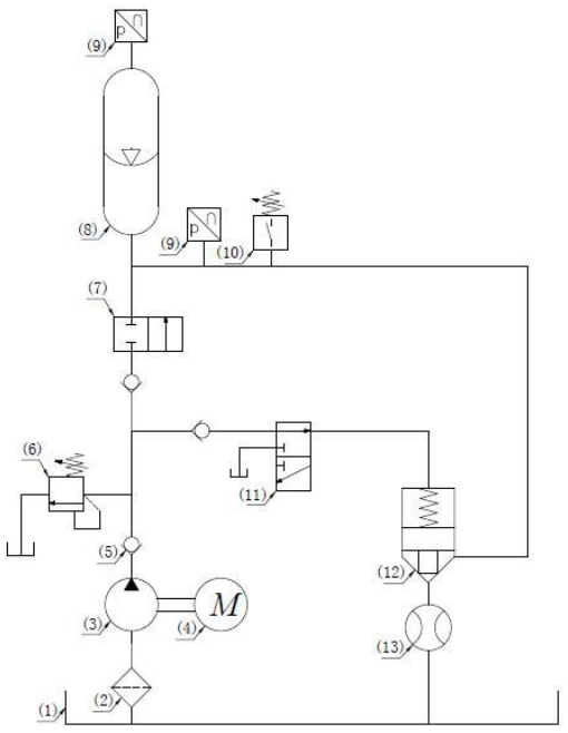
当需方要求提供实际排出流量时,可按照设计条件规定的充气压力及动作压力(油压)的变化,测定排出时间以及排出容积,计算实际排出流量;测试装置参见图 1。

1——油箱;2——空吸过滤器;3——泵;4——电机;5——单向阀;
6——减压阀;7——电磁阀 1;8——蓄能器;9——压力传感器;10——压力开关;
11——电磁阀 2;12——逻辑阀;13——油量计。
图 1 蓄能器排出流量测试装置