二氧化碳制冷系统用电子膨胀阀(以下简称膨胀阀)是一种用于热泵热水及冷冻冷藏领域,以 R744(CO2)为制冷剂、额定电压不大于 DC36V、阀门口径不大于 8mm 的制冷系统用电子膨胀阀,今天我们来学习关于该型膨胀阀气密性试验的内容。
1、气密性技术要求
膨胀阀的气密性应满足以下要求之一:
a)按 2.1 进行水检,膨胀阀外部及各连接处应无气泡溢出;
b)按 2.2 进行氦检,膨胀阀的泄漏率不应大于 2.83g/a。当设备条件不具备时,允许采用降压氦检,但此时的泄漏率限值应进行相应的等效转换。
2、气密性试验方法
2.1 水检漏试验按以下步骤进行:
a)设定驱动电源:额定电压、规定的励磁方式、励磁速度;
b)将被测膨胀阀线圈按图纸规定与驱动电源连接;操作驱动电源将膨胀阀关闭到全闭状态,确定原点,再按开启励磁顺序输入 300 脉冲,将膨胀阀开启;
c)卸下膨胀阀线圈,将膨胀阀阀体出口端堵死,并按图 1 气路要求连接,测试用气体采用干燥空气或氮气,开启截止阀 2,调整减压阀 3 使压力表 4 的指示压力显示为最高工作压力(注意当采用最高工作压力检测时,测试设备应具有安全防护装置,以保证操作人员的安全);
d)开启电磁阀 5,使膨胀阀阀体通入最高工作压力下的气体,然后将膨胀阀阀体浸入水中,持续 1min,应满足 1 a) 的要求。

标引序号说明:
1——气源;2——截止阀;3——减压阀;4——压力表;
5、7——电磁阀;6——被测膨胀阀;8——堵头。
图 1 气密性水检漏试验装置
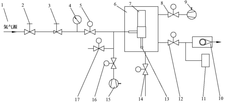
2.2 氦检漏试验按以下步骤进行:
a)氦检压力范围:4MPa~最高工作压力,当氦检压力低于最高压力氦检时,应先采用最高压力进行不短于 10s 的气体冲击,然后再进行氦检(注意当采用最高工作压力检测时,测试设备应具有安全防护装置,以保证操作人员的安全);
b)设定驱动电源:额定电压、规定的励磁方式、励磁速度;
c)将被测膨胀阀线圈按图纸规定与驱动电源连接;操作驱动电源将膨胀阀关闭到全闭状态,确定原点,再按开启励磁顺序输入 300 脉冲,将膨胀阀开启;
d)卸下膨胀阀线圈,将膨胀阀阀体出口端堵死,并按图 2 气路要求连接,测试用气体采用氦气或氦气与氮气的混和气体,氦气比率与气体的压力的组合要满足测试精度的要求,漏率的限值应进行相应的等效转换,开启截止阀 2,调整减压阀 3 使压力表 4 的指示压力为氦检压力;
e)关闭电磁阀 5、17,开启电磁阀 16,开启真空泵 15,将膨胀阀内抽成真空,真空度 100Pa 以下;
f)关闭电磁阀 16,开启电磁阀 5,向膨胀阀内通入测试用气体;
g)关闭电磁阀 12、14,开启电磁阀 8,启动真空泵 9,将密封罐内抽成真空,真空度 100Pa 以下;
h)关闭电磁阀 8,开启电磁阀 12,启动检漏泵 10,用检漏仪检漏,膨胀阀阀体泄漏量应满足 1 b) 规定的泄漏率要求;
i)开启电磁阀 14、17,密封罐和阀体恢复到正常大气压下,取下膨胀阀阀体。

标引序号说明:
1——氮气源;2——截止阀;3——减压阀;4——压力表;5、8、12、14、16、17——电磁阀;
6——密封罐;7——被测膨胀阀;9、15——真空泵;10——检漏泵;11——检漏仪;13——堵头。
图 2 气密性试验装置