水液压泵 water-hydraulic pump,使用水作为工作介质,将机械能转化为液压能的容积式泵。
今天我们来学习水液压泵测试方法的内容。
1、要求
1.1 通则
试验设备安装时应防止空气混入,并在试验之前排除系统中的游离空气。
水箱的液位宜高于泵的进口,避免泵空化现象。
在向水箱注入水介质时,应使用过滤精度为 10μm 的过滤器。
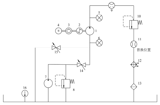
图 1 为水液压泵试验的基本回路,回路中未给出发生故障时防止系统损坏的装置。应采取防止人员和设备受到伤害的措施。
1.2 被试件的安装
被试件应按照图 1 给出的试验回路进行安装。
1.3 试验介质
可使用自来水作为水液压系统的工作介质,不应在试验介质中加入添加剂。
1.4 温度
测试应在规定的温度下进行,应通过热交换器将水温控制在制造商建议的范围内。测量应在 20°C~40°C 的温度水平下进行。应在水箱或泵进口处测量水的温度,由被试泵的制造商和用户确定。
试验介质的温度测量偏差应符合表 1 的规定。应记录温度偏差等级(A、B、C)。
表 1 试验介质温度偏差
| 温度准确度等级 | A | B | C |
| 温度偏差(℃) | ±1.0 | ±2.0 | ±4.0 |
2、测试回路
应使用图 1 所示的测试回路。
当被试泵的进口由增压泵 7 加压时,关闭截止阀 15,打开截止阀 14,被试泵使用溢流阀8调节被试泵的进口压力。
水箱液面应高于被试泵的进口(如 0.8m~1.0m)。如需使用增压泵给进口加压防止空化现象,应由制造商和用户确定,确保被试泵进口压力在可接受的范围内。
在试验条件不允许时,可将流量计安装在替换位置。

标引序号说明:
1——被试泵;2——转矩仪;3——转速仪;4——驱动装置;5——出口压力表;6——进口压力表;
7——增压泵;8——溢流阀(增压泵处);9——流量计;10——溢流阀(被试泵处);
11——流量计(替换位置);12——热交换器;13——过滤器;
14——截止阀(增压泵处);15——截止阀(被试泵处);16——温度传感器。
图 1 泵的试验回路
3、测量参数
试验报告中应至少包括如下六种测量参数的结果:
a)有效转矩;
b)转速;
c)被试泵流量;
d)被试泵的出口表压;
e)被试泵的进口表压;
f)水温。
4、试验前的准备
在开始试验之前,应按照图 1 所示的试验回路,按以下步骤完成准备工作。
a)启动试验装置。
b)启动冷却系统,并将水温设置为 20°C~40°C 范围内的某一规定值。
c)将被试泵转速设置为最低工作转速(如 500r/min),并在溢流阀 10 完全泄压的条件下,试验回路没有泄漏。在最低工作压力下运行几分钟后(如 3min),逐步将转速(如 1000r/min、1500r/min、2000r/min…)增加到被试泵最大工作转速(如 2000r/min)。确认试验回路无泄漏,泵和其他元件无异常噪声和振动。
d)在被试泵转速处于最高工作转速下(如 2000r/min),调节溢流阀 10,将被试泵出口压力提高到最高工作压力(如 16MPa)。
e)维持当前条件几分钟(如 3min)。
f)当水温和有效转矩达到稳定值时,按如下步骤停止实验准备。
1)调节溢流阀 10 使被试泵出口完全泄压。
2)降低被试泵转速,直到停止。
5、试验流程
应在被试泵的最低到最高工作转速范围内(如 500r/min~2000r/min)和最低到最高工作压力范围内,测试其基本稳态性能。
应按照图 1 所示的试验回路,按以下步骤完成试验。
a)将被试泵的转速设置为最低工作转速(如 500r/min)。
b)将溢流阀 10 完全卸荷,使被试泵的出口表压处于最低状态。
c)在转速和转矩达到稳态值后,使用转矩仪 2 和转速仪 3 分别测量被试泵的有效转矩和转速。
d)使用压力表 6、压力表 5 和流量计 9 分别测量被试泵的进口表压、被试泵的出口表压和被试泵流量。
e)调节溢流阀 10,设定被试泵的出口表压达到规定值(如 1MPa、2MPa、3MPa…)。
f)在保持工作转速的情况下,重复 c)~e),直至达到最高工作压力(如 16MPa)。
g)重复 b)~f),增加被试泵的转速,直至达到最高工作转速(如 2000r/min)。
h)在最高工作转速下完成测量后,即完成试验。
测量的每组读数应仅在该受控参数的示值处于表 2 所示的范围之内时才被记录。
表 2 受控参数的平均示值的允许偏差
| 参数 | 测量准确度等级的允许偏差 | ||
| A | B | C | |
| 转速(%) | ±0.5 | ±1.0 | ±2.0 |
| 转矩(%) | ±0.5 | ±1.0 | ±2.0 |
| 流量(%) | ±0.5 | ±1.5 | ±2.5 |
| 压力(MPa)/p<0.2MPa | ±0.001 | ±0.003 | ±0.005 |
| 压力(%)/p≥0.2MPa | ±0.5 | ±1.5 | ±2.5 |