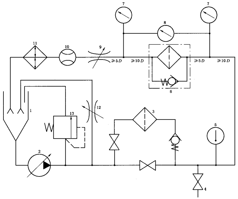
液压过滤器压降流量特性试验程序,图 1 为典型的试验回路原理图。

1——油箱;2——变量泵;3——净化过滤器;4——取样阀;5——温度计;6——被试过滤器;
7——压力表;8——压差传感器;9——背压阀;10——流量计;
11——热交换器;12——旁通限流阀;13——溢流阀。
图 1 测量过滤器压降流量特性的典型试验回路原理图
1、试验台修正
安装和试验台回路通径相同的导管替代被试过滤器。以 0.2qR 为增幅逐步测定被试导管在零和最大试验流量间的压降流量特性曲线。该试验液黏度应与 3、4、5 和 6 的试验液相同。
2、试验回路净化
将不带滤芯的被试过滤器装入试验台,起动液压泵至获得试验所需的最大流量。让油液循环至温度稳定在允许的范围内且达到所需的油液污染度等级。应选择合适的油液污染度等级,使之与被试过滤器的过滤精度等级相适应而不致于造成被试过滤器的局部堵塞。根据需要排出回路中的空气。
当达到所需污染度等级时,在试验报告中记录试验液初始污染度等级,并在必要的情况下旁通净化过滤器。
更换试验液时,应彻底冲洗试验台,以保证没有残留的油液和新油相混合。
3、过滤器壳体特性
3.1 在测定不带滤芯的过滤器(壳体)随流量变化而变化的压降之前,应保证滤芯的取出不会引起任何异常流动。如果有异常流动,则可采用流动路径与实际滤芯尽可能一致的代用芯替代。代用芯的通流截面积应尽可能大,以降低压降。在试验报告中记录装有代用芯的过滤器壳体的压降流量特性,并提供该代用芯的必要说明。
3.2 如果过滤器壳体装有旁通阀,使该旁通阀在试验期间锁定在闭合位置。
3.3 调整试验流量 qV 至0.2qR,并记录压降(△p)或上、下游的压力(p1、p2)及试验液温度。
3.4 以 0.2qR 的增幅逐步上升至 1.2qR 的各流量为试验流量,重复上步的操作。以递减的试验流量重复前述操作。
3.5 针对各试验流量值,计算并记录过滤器壳体的压降、试验结束时试验液的温度,以及计算递增组和递减组结果的平均值。
3.6 将在 3.5 中所计算的平均值减去在 1 中所测得的试验台修正值,即可获得实际的过滤器壳体的特性曲线。
4、过滤器总成特性
4.1 确认试验液已达到所需的污染度等级,并且在滤芯装入被试过滤器壳体之前使旁通阀锁定在闭合位置。
4.2 为排出过滤器壳体和回路中的空气,液流应以最低的流速开始流动。
4.3 重复 3.3〜3.5 的程序,注意使用相同的流量增幅。
4.4 如果必要,用装有正常工作的旁通阀的完整过滤器重复 4.3 的试验。
5、滤芯特性
计算滤芯产生的压降,即对应于每个试验流量下过滤器总成(过滤器壳体和滤芯在一起)的压降(4)减去过滤器壳体的压降(3.5)。
6、旁通阀特性
6.1 试验前准备工作
本项试验需要适当的方式使过滤器旁通阀动作,如装入"实心"滤芯或在滤芯出油口插入柱塞。之后应确认过滤器已被完全堵塞。
确认旁通阀可以动作,将已被完全堵塞的过滤器装入试验台。
增大系统流量至旁通阀动作,排尽压差传感器或压力表中的空气。
增大系统流量至额定流量再返回至零。如果必要,使压降重新归零。重复该操作至少两次,以保证旁通阀的所有零部件都归位和润滑。
6.2 全流量特性的测定
6.2.1 按 3.3〜3.5 的规定测定旁通阀压降流量特性。
6.2.2 通过减去 1 中所测得的试验台修正值确定旁通阀特性。根据压力的递增和递减划分成两组结果并加以平均,如图 2 所示。
6.3 开启压力的测定
6.3.1 打开阀(12),通过缓慢地增大泵的输出流量或关闭阀(12),逐步增加被试旁通阀上游的压力,直到流量分别达到 qR 的 0.5%、1%、2% 和 5%。记录各流量和压力的准确值。
6.3.2 结合 6.2.2 和 6.3.1 的结果,绘制"压降-流量"曲线图,评定旁通阀开启压力,即试验流量等于 qR 的 1% 时对应的压力。
6.3.3 重复 6.3.1 和 6.3.2 两次,并把旁通阀开启压力的三个结果加以平均。
注:在做这些测量时,如果无法使开启/闭合状态稳定下来,则开启/闭合压力是在尽可能低的可测流量下对应的压力值。报告该值。
6.4 闭合压力的测定
6.4.1 开始试验时将流量设定在 qR 的 15%,并逐步减小流量分别达到 qR 的 5%、2%、1% 和 0.5%。记录各流量和压力的准确值。
6.4.2 绘制"压降-流量"曲线图,评定旁通阀闭合压力,即试验流量等于 qR 的 1% 时对应的压力。
6.4.3 重复 6.4.1 和 6.4.2 两次,并把旁通阀闭合压力的三个结果加以平均。
注:在做这些测量时,如果无法使开启/闭合状态稳定下来,则开启/闭合压力是在尽可能低的可测流量下对应的压力值。报告该值。
6.5 泄漏量的测定
6.5.1 断开被试过滤器下游的管道,并设置合适的器具(如,适当精度的量筒和精密计时器)用于测量较低的流量。在试验直回式回油过滤器时,为了将泄漏的油液收集到筒体中,应使用合适的漏斗。
6.5.2 打开阀(12),使液流可以直接返回油箱,并在最小流量下启动液压泵。逐步关闭阀(12),直到上游压力等于在 6.3 中评定的旁通阀开启压力的 25% 为止。如果发生泄漏,应记录泄漏体积(至少 25mL)和对应的时间。
6.5.3 将上游压力分别控制在旁通阀开启压力的 50%、75%、100% 和 120%,测量泄漏量。如果上游压力稍微大于开启压力时旁通阀就较大幅度地打开,应将泄漏量的测定限于 3L/min 范围内。
6.5.4 以递减的压力值顺序,重复 6.5.2 和 6.5.3。根据压力的递增和递减划分成两组结果,并把两组结果加以平均。

图 2 过滤器相关部件的"压降-流量"曲线图示例