航空液压过滤器单次通过试验原理:
试验原理分抽滤式和压力式两种,抽滤式和压力式的试验原理如图 1、图 2 所示口抽滤式是利用真空源的负压将污染液吸入被试过滤器(滤芯),下游油液直接排出试验系统,不再参与试验;而压力式是利用泵的压力将污染液压入被试过滤器(滤芯),下游油液经过绝对过滤器过滤后再次流入试验系统,继续参与试验。

说明:
A——真空源;1——试验容器;2——被试滤芯;3——真空瓶;4——真空表。
图 1 抽滤式试验原理图

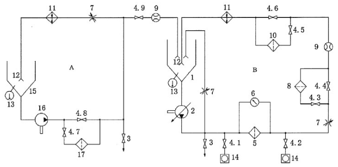
说明:
A——污注系统;B——试验系统;1——试验油箱;2——试验油泵;3——取祥阀;4.1~4.9——截止阀;
5——被试过滤器;6——压差计;7——节流阀;8——净化过滤器;9——流量计;
10——回油净化过滤器;11——温度调节器;12——扩散器;13——温度计;
14——在线颗粒计数系统;15——污注油箱;16——污注油泵;17——净化过滤器。
图 2 压力式试验原理图