水液压泵 water-hydraulic pump,是一种使用自来水、纯净水、天然淡水和海水为工作介质,将机械能转化为液压能的容积式泵。
今天给大家带来的分享是关于水液压泵测试方法的内容。
1、要求
1.1 通则
试验设备安装时应防止空气混入,并在试验之前排除系统中的游离空气。
水箱的液位宜高于泵的进口,避免泵空化现象。
在向水箱注入水介质时,应使用过滤精度为 10μm 的过滤器。
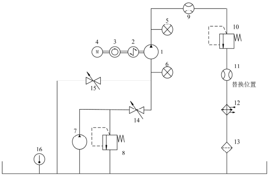
图 1 为水液压泵试验的基本回路,回路中未给出发生故障时防止系统损坏的装置。应采取防止人员和设备受到伤害的措施。
1.2 被试件的安装
被试件应按照图 1 给出的试验回路进行安装。
1.3 试验介质
可使用自来水作为水液压系统的工作介质,不应在试验介质中加入添加剂。
1.4 温度
测试应在规定的温度下进行,应通过热交换器将水温控制在制造商建议的范围内。测量应在 20°C~40°C 的温度水平下进行。应在水箱或泵进口处测量水的温度,由被试泵的制造商和用户确定。
试验介质的温度测量偏差应符合表 1 的规定。应记录温度偏差等级(A、B、C)。
表 1 试验介质温度偏差
| 温度准确度等级 | A | B | C |
| 温度偏差(℃) | ±1.0 | ±2.0 | ±4.0 |
2、测试回路
应使用图 1 所示的测试回路。
当被试泵的进口由增压泵 7 加压时,关闭截止阀 15,打开截止阀 14,被试泵使用溢流阀8调节被试泵的进口压力。
水箱液面应高于被试泵的进口(如 0.8m~1.0m)。如需使用增压泵给进口加压防止空化现象,应由制造商和用户确定,确保被试泵进口压力在可接受的范围内。
在试验条件不允许时,可将流量计安装在替换位置。

标引序号说明:
1——被试泵;2——转矩仪;3——转速仪;4——驱动装置;5——出口压力表;6——进口压力表;
7——增压泵;8——溢流阀(增压泵处);9——流量计;10——溢流阀(被试泵处);
11——流量计(替换位置);12——热交换器;13——过滤器;14——截止阀(增压泵处);
15——截止阀(被试泵处);16——温度传感器。
图 1 泵的试验回路
3、测量参数
试验报告中应至少包括如下六种测量参数的结果:
a)有效转矩;
b)转速;
c)被试泵流量;
d)被试泵的出口表压;
e)被试泵的进口表压;
f)水温。
4、试验前的准备
在开始试验之前,应按照图1所示的试验回路,按以下步骤完成准备工作。
a)启动试验装置。
b)启动冷却系统,并将水温设置为 20°C~40°C 范围内的某一规定值。
c)将被试泵转速设置为最低工作转速(如 500r/min),并在溢流阀 10 完全泄压的条件下,试验回路没有泄漏。在最低工作压力下运行几分钟后(如 3min),逐步将转速(如 1000r/min、1500r/min、2000r/min…)增加到被试泵最大工作转速(如 2000r/min)。确认试验回路无泄漏,泵和其他元件无异常噪声和振动。
d)在被试泵转速处于最高工作转速下(如 2000r/min),调节溢流阀 10,将被试泵出口压力提高到最高工作压力(如 16MPa)。
e)维持当前条件几分钟(如 3min)。
f)当水温和有效转矩达到稳定值时,按如下步骤停止实验准备。
1)调节溢流阀 10 使被试泵出口完全泄压。
2)降低被试泵转速,直到停止。
5、试验流程
应在被试泵的最低到最高工作转速范围内(如 500r/min~2000r/min)和最低到最高工作压力范围内,测试其基本稳态性能。
应按照图 1 所示的试验回路,按以下步骤完成试验。
a)将被试泵的转速设置为最低工作转速(如 500r/min)。
b)将溢流阀 10 完全卸荷,使被试泵的出口表压处于最低状态。
c)在转速和转矩达到稳态值后,使用转矩仪 2 和转速仪 3 分别测量被试泵的有效转矩和转速。
d)使用压力表 6、压力表 5 和流量计 9 分别测量被试泵的进口表压、被试泵的出口表压和被试泵流量。
e)调节溢流阀 10,设定被试泵的出口表压达到规定值(如 1MPa、2MPa、3MPa…)。
f)在保持工作转速的情况下,重复 c)~e),直至达到最高工作压力(如 16MPa)。
g)重复 b)~f),增加被试泵的转速,直至达到最高工作转速(如 2000r/min)。
h)在最高工作转速下完成测量后,即完成试验。
测量的每组读数应仅在该受控参数的示值允许误差所示的范围之内时才被记录。