燃气输送用不锈钢波纹软管 stainless steel pliable corrugated tubing used in gas piping systems,是一种施工前不能确定波纹管长度,而需现场确定长度的外覆被覆层的不锈钢波纹软管(以下简称管或软管)。
今天我们来学习该型软管试验方法的内容。
1、拉伸强度试验
按图 1 所示,在长度小于 500mm 的原管两端,分别和管件连接固定,从连接好的管件一端注入 0.3MPa(Ⅰ型)、0.1MPa(Ⅱ型)的空气,另一端按表 1 所示的拉伸负荷拉伸 5min,然后保持静止 1min,确认无裂纹、无泄漏。
表 1 拉伸负荷
单位为千牛
| 公称尺寸 DN | 10 | 13 | 15 | 20 | 25 | 32 | 40 | 50 |
| Ⅰ型 | 1.4 | 1.8 | 2.1 | 2.8 | 3.5 | 4.5 | 5.6 | 7.0 |
| Ⅱ型 | 1.3 | 1.6 | 1.8 | 2.5 | 3.2 | 3.7 | 4.4 | 4.8 |

说明:1——空气压;2——管件。
图 1 拉伸试验
2、扁平性试验
将长度 100mm 的原管夹在 2 块铁板之间,将其中 50mm 压扁至外径的 1/2 后,目测确认原管表面无裂纹,无损伤。原管焊缝置于受力方向(压缩方向)成 90° 的位置,见图 2。

说明:1——压缩方向;2——焊接部位。
注:D 为原管外径。
图 2 扁平试验
3、耐冲击性试验
将原管注入 0.3MPa(Ⅰ型)、0.1MPa(Ⅱ型)的气压状态下,置于水泥地面上,在离地面 1m 高度处,将 4kg(Ⅰ型)或 2kg(Ⅱ型)的钢球落到管中间,确认无裂纹,无泄漏。
4、弯曲性试验
将被覆管注入0.3MPa(Ⅰ型)、0.1MPa(Ⅱ型)的气压状态下,固定管的一端,使用表 2 所示直径的圆筒,弯曲 180°。按图 3 所示,A-B-A 方向 1 次,A-C-A 方向 1 次,2 次弯曲看作 1 次循环,弯曲速率控制在 5 次循环 /min,交替进行共 6 次循环(Ⅰ型)或 8 次循环(Ⅱ型)后,确认原管无裂纹,无泄漏,被覆层无裂纹。

说明:1——被覆管;2——圆筒。
图 3 弯曲试验
表 2 公称尺寸与圆筒直径
| 公称尺寸 DN | 10 | 13 | 15 | 20 | 25 | 32 | 40 | 50 |
| 圆筒直径 mm | 40 | 45 | 50 | 60 | 80 | 100 | 120 | 150 |
圆筒直径≈公称尺寸×3 | ||||||||
5、扭曲性试验
将表 3 所示长度的被覆管注入 0.3MPa(Ⅰ型)、0.1MPa(Ⅱ型)的气压状态下,将管的一端固定,以管的轴线为中心,按图 4 所示,A-B-A 方向 1 次,A-C-A 方向 1 次,交替合计 6 次 90° 扭曲,确认原管无裂纹,无泄漏,被覆层无裂纹。
表 3 扭曲试验用被覆管的长度
单位为毫米
| 公称尺寸 DN | 长度 L |
| 10 | 690 |
| 13 | 900 |
| 15 | 1040 |
| 20 | 1380 |
| 25 | 1730 |
| 32 | 2210 |
| 40 | 2760 |
| 50 | 3450 |
注:Ⅰ型被覆管长度 L≈DN×69 | |

图 4 扭曲试验
6、气密性试验
在 2m 原管的两端,分别和管件连接固定,将连接好的管件一端堵住,从另一端注入 0.3MPa(Ⅰ型)、0.1MPa(Ⅱ型)空气,保持 1min,确认无泄漏。也可按图 5 规定放入水中检查。

说明:1——空气压;2——水;3——管件。
图 5 气密性试验
7、耐压性试验
按图 6 所示,在原管的两端,根据管件构造分别固定,堵住一端,从另一端缓慢注入 1.6MPa(Ⅰ型)、0.8MPa(Ⅱ型)水压,保持 1min,目测确认无裂纹、无渗漏。

说明:1——水压泵;2——管件。
图 6 耐压性试验
8、耐应力腐蚀性试验
将原管按表 2 所示直径弯曲 180°,然后浸泡在 20% 氯化钠、1% 亚硝酸钠和 79% 蒸馏水配制的溶液中,在大气压力下将溶液的温度升至沸点,在沸腾的液体中浸泡 14h 后取出。
将取出的管反方向弯曲 180° 后,注入 0.3MPa(Ⅰ型)、0.1MPa(Ⅱ型)气压的状态下,确认无裂纹,无泄漏。
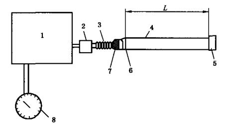
9、被覆层通气性试验
如图 7 所示,将表 4 规定长度的被覆管连接到缓冲槽上,缓冲槽容积大于或等于 10L,将被覆管在缓冲槽一侧管的被覆剥离,用胶带等将被覆层与原管密封住,另外一端用端帽堵住,确认配管整体的气密保持在 3kPa 以上,从被覆管的末端算起,在规定长度的位置(即切断位置),将测试软管用剥离刀剥离约 1cm 宽度的被覆层,当连接带泄漏检测功能的管件时,可不剥离被覆层。配管整体的内压在 3kPa 时,测量 1min 的压力下降量,确认其数值应在 150Pa 以上为合格。

说明:1——缓冲槽;2——管件;3——原管;4——被覆管;
5——端帽;6——切断位置;7——缠绕胶布;8——压力计。
注:被覆管长度 L 根据表 4 确定。
图 7 被覆通气性试验
表 4 被覆通气性试验软管长度
单位为米
| 公称尺寸 DN | 10 | 13 | 15 | 20 | 25 | 32 | 40 | 50 |
| 长度 L | 5 | 10 | 15 | |||||
10、阻燃性试验
将被覆管的被覆面放置在离还原火焰(内锥)约 10mm 的火焰中,5s 后取出,确认火焰不能持续燃烧 5s 以上。
使用加热用燃烧器的喷灯,其出火口径 10mm,喷嘴口径 0.3mm,使用燃气为液化石油气,完全燃烧,火焰的长度约为 40mm。
11、漏点试验
使用电火花检漏仪,按下列要求进行试验,无漏点为合格:
a)被覆层厚度 δ<1.8mm 时,检漏电压为 10kV;
b)被覆层厚度 δ≥1.8mm 时,检漏电压为 25kV。
12、冷热循环试验
使用表 2 所示直径的圆筒,将被覆管进行弯曲 180° 的状态下,在气体温度 70℃ 的环境下保持 2h,其后,常温状态下放置 30min,在 -15℃(PVC)或 -40℃(PE)状态下放置 2h,再在常温状态下放置 30min,使其不断变化,以上为 1 个周期循环。反复 5 个周期循环后,确认被覆层无裂纹,无剥落以及其他有害的缺陷。